GM Service Manual Online
For 1990-2009 cars only

DTC P0705 L61


Object Number: 896090  Size: FP

Circuit Description

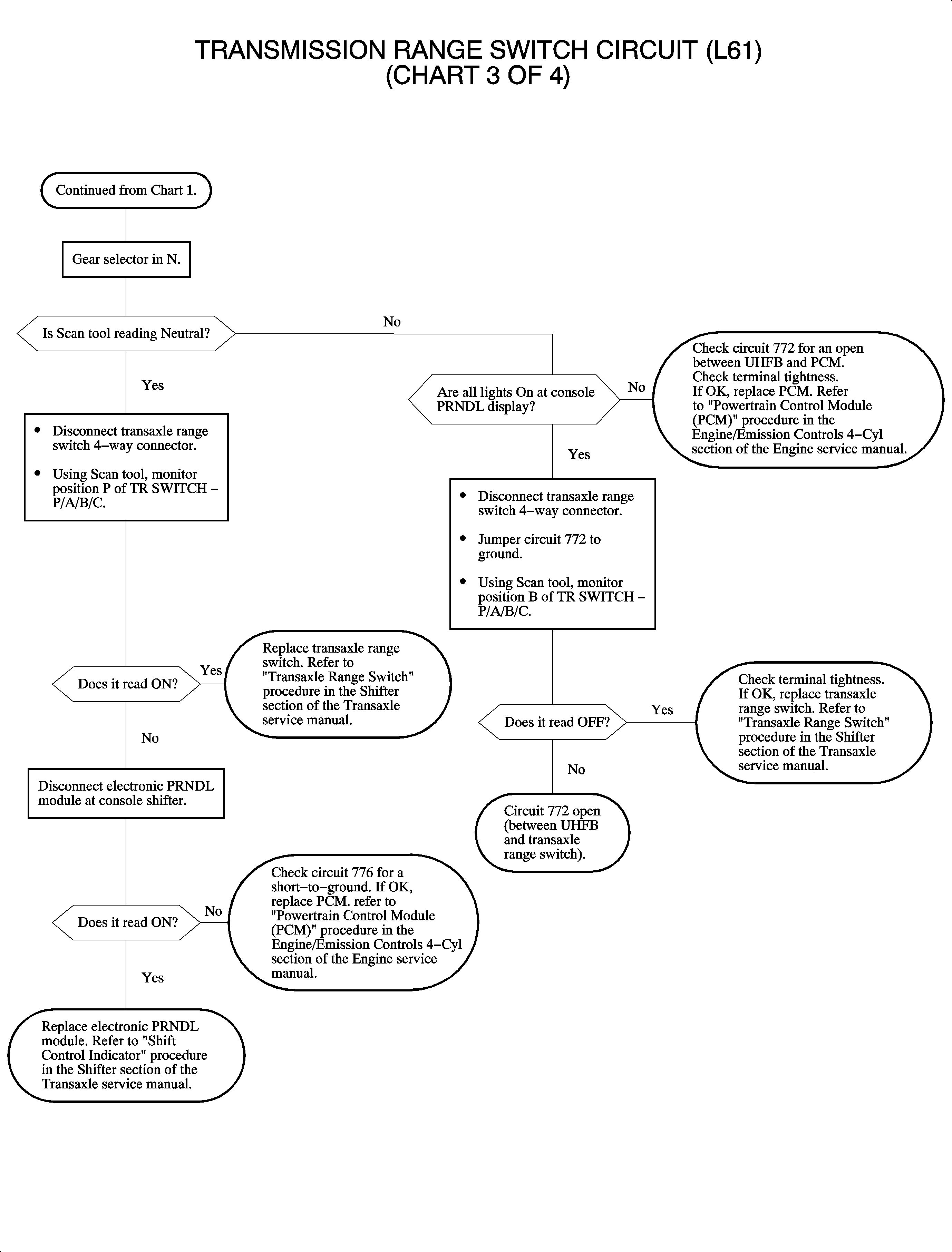
The transmission range switch is a multi-signal switch which sends a signal to the PCM to indicate gear selection. The transmission range switch uses 4 discrete circuits to pull 4 PCM inputs low in various combinations to indicate each gear range. The voltage level of the circuits is represented as OFF equals grounded, ON equals open circuit. The 4 states displayed represents the encoder P, A, B, and C inputs in sequence.

Conditions for Setting the DTC

DTC P0705 will set if the transmission range is equal to an invalid combination when:

    • The condition exists for longer than 5 seconds.
    • The engine speed is great than 500 RPM.
    • The vehicle speed is greater than 8 km/h (5 mph) for MY 2002.
    • The above conditions are met for greater than 5 seconds.

DTC P0705 diagnostic runs continuously when the above conditions have been met.

DTC P0705 is a type C DTC.

Diagnostic Aids

    • Monitor the scan tool while moving the related connectors and wiring harness. If a malfunction occurs, the scan tool data will change states from either ON to OFF or from OFF to ON. Move the gear selector slowly through each gear while monitoring the scan tool in order to help isolate the problem.
    • When DTC P0705 sets, the PCM defaults to Drive 4 until the PCM receives a correct combination. Therefore, some of the selected gear positions may not be possible until the malfunction is repaired.

Gear Selector Position

Scan Tool

Transmission Range

P

A

B

C

Park (P)

OFF

OFF

ON

ON

Reverse (R)

ON

OFF

OFF

ON

Neutral (N)

OFF

ON

OFF

ON

Drive 4 (D)

ON

ON

OFF

OFF

Drive 3 (3)

OFF

OFF

OFF

OFF

Drive 2 (2)

ON

OFF

ON

OFF

Drive 1 (1)

OFF

ON

ON

OFF

OFF = Switch Closed = Grounded (0V)

ON = Switch Open = 12V


Object Number: 890873  Size: FP

Object Number: 890874  Size: FP

Object Number: 890877  Size: FP

Object Number: 890880  Size: FP

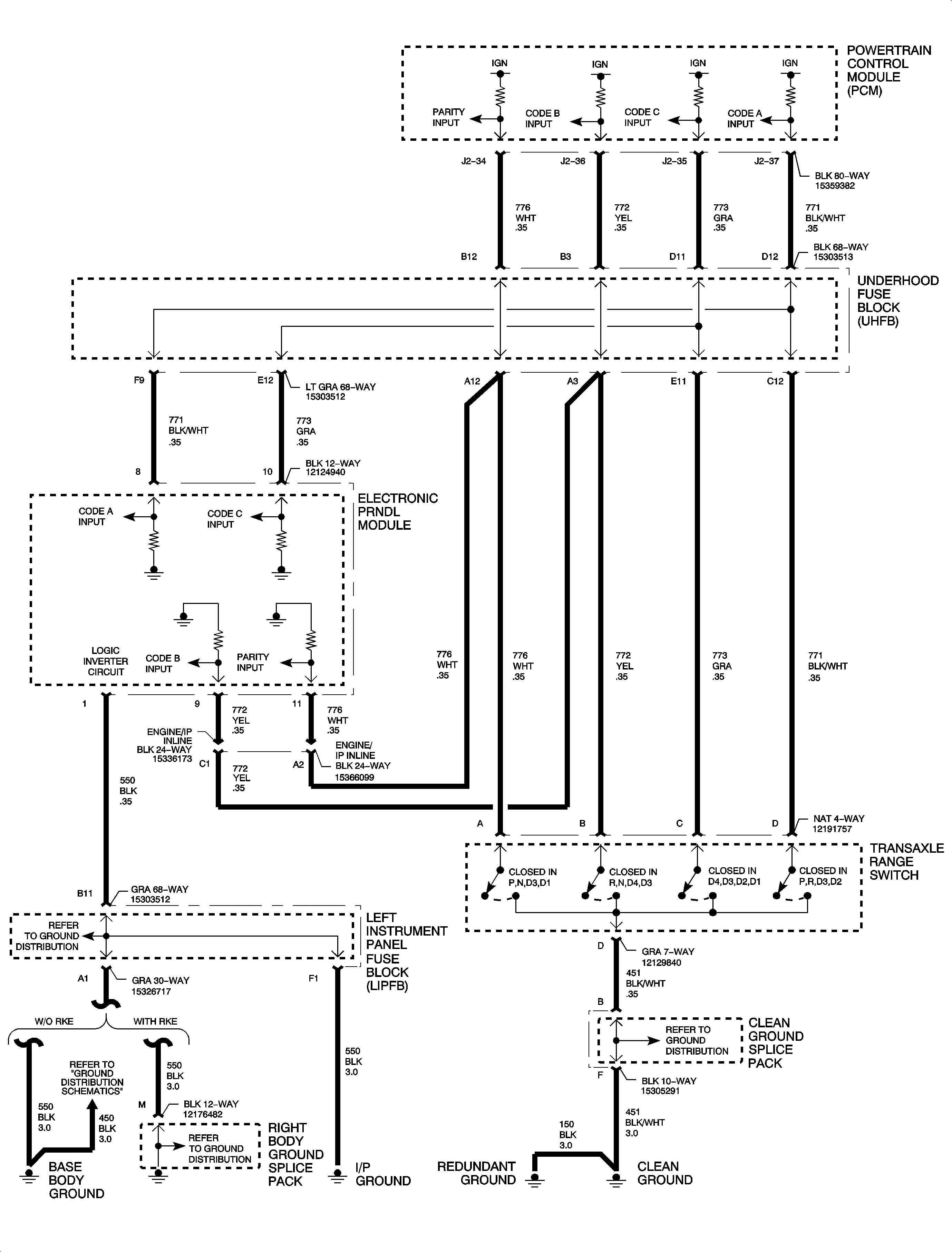
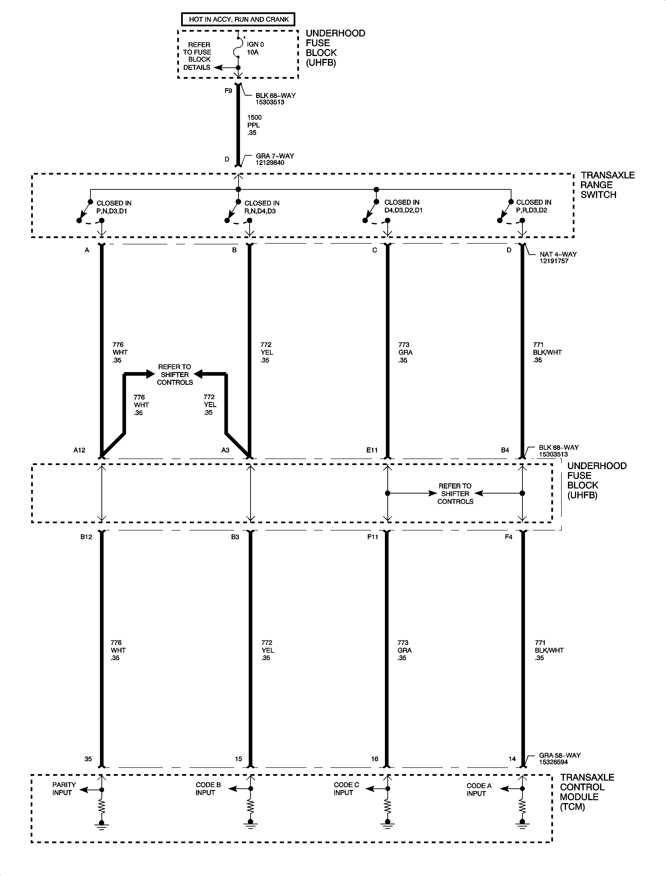
DTC P0705 L81


Object Number: 896135  Size: FP

Circuit Description

The transmission range switch is a multi-signal switch which sends a signal to the TCM to indicate gear selection. The transmission range switch uses 4 discrete circuits to change 4 TCM inputs in various combinations to indicate each gear range. The voltage level of the circuits is represented as OFF equals open circuit, ON equals switch closed. The 4 states displayed represents the encoder P, A, B, and C inputs in sequence.

Conditions for Setting the DTC

DTC P0705 will set if the transmission range is equal to an invalid combination when:

    • The condition exists for longer than 5 seconds.
    • Ignition 1 is between 8-18 volts.
    • The engine speed is between 200-7,500 RPM for MY 2002, or 500-6,500 RPM for MY 2003.

DTC P0705 diagnostic runs continuously when the above conditions have been met.

DTC P0705 is a type C DTC.

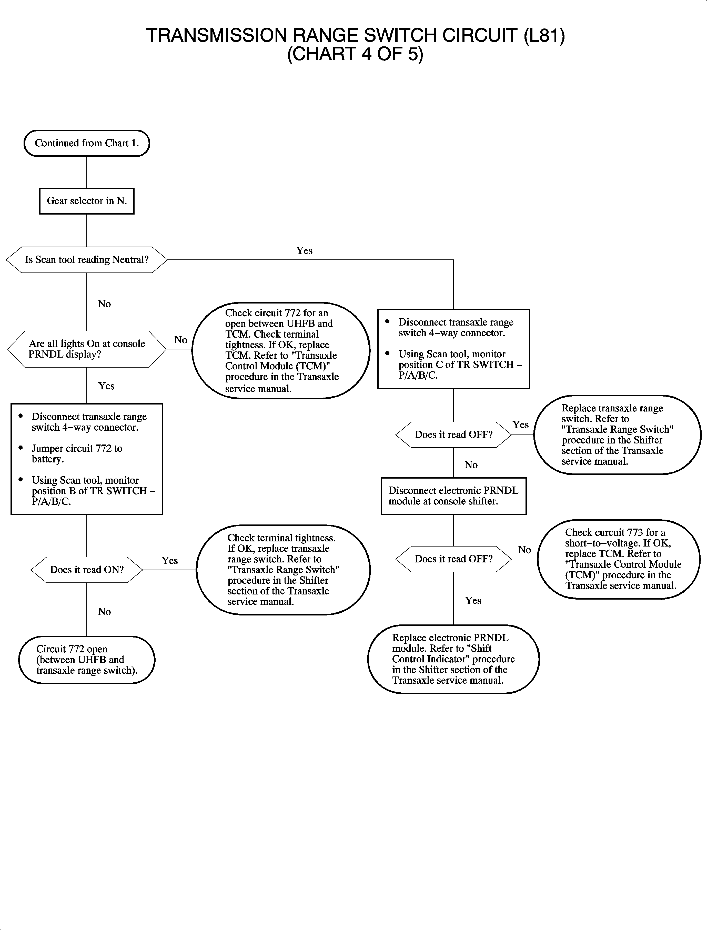
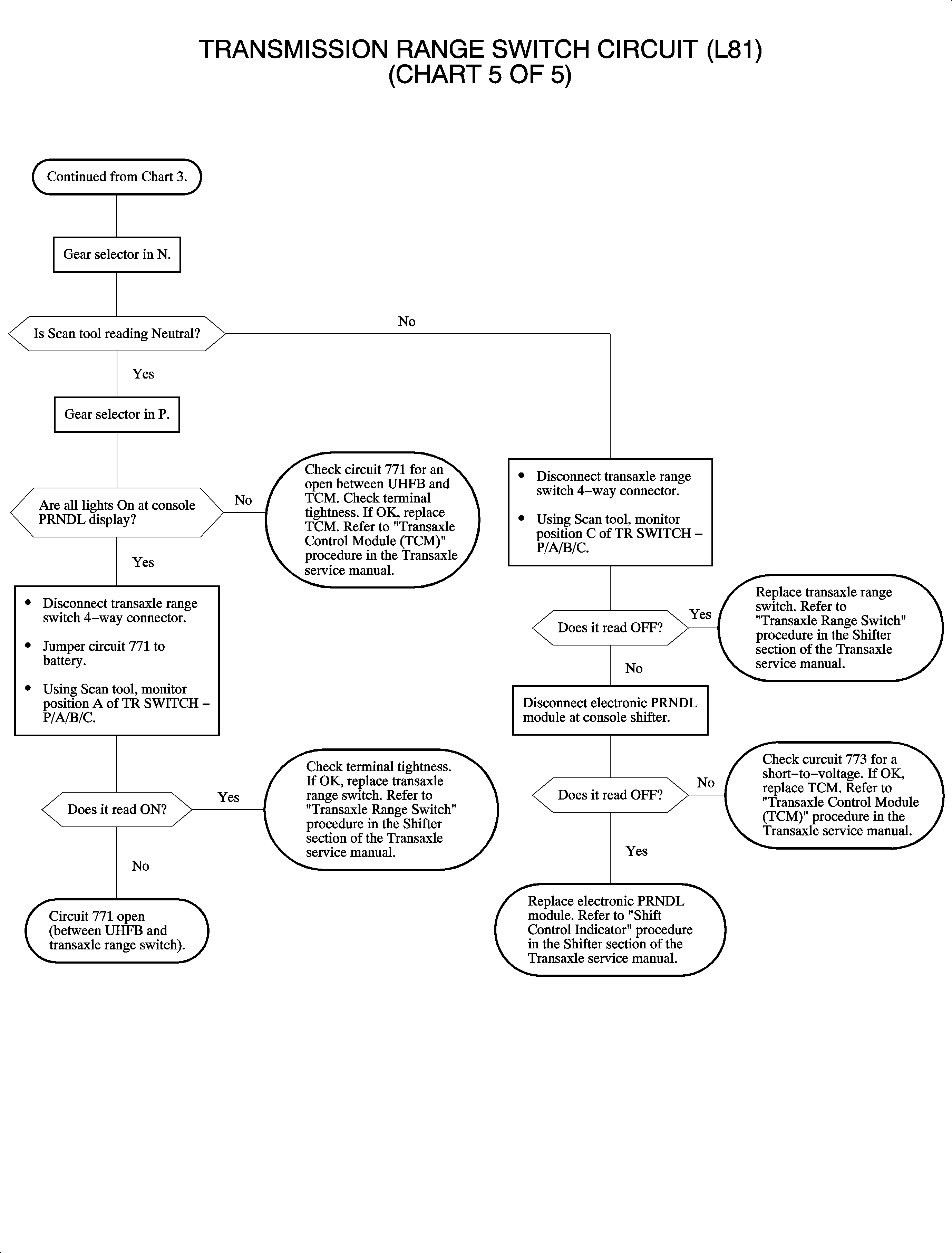
Diagnostic Aids

    • Monitor the scan tool while moving the related connectors and wiring harness. If a malfunction occurs, the scan tool data will change states from either ON to OFF or from OFF to ON. Move the gear selector slowly through each gear while monitoring the scan tool in order to help isolate the problem.
    • When DTC P0705 sets, the TCM defaults to Drive 4 until the TCM receives a correct combination. Therefore, some of the selected gear positions may not be possible until the malfunction is repaired.

Gear Selector Position

Scan Tool

Transmission Range

P

A

B

C

Park (P)

ON

ON

OFF

OFF

Reverse (R)

OFF

ON

ON

OFF

Neutral (N)

ON

OFF

ON

OFF

Drive 4 (D)

OFF

OFF

ON

ON

Drive 3 (3)

ON

ON

ON

ON

Drive 2 (2)

OFF

ON

OFF

ON

Drive 1 (1)

ON

OFF

OFF

ON

OFF = Switch Closed = Grounded (0V)

ON = Switch Open = 12V


Object Number: 890901  Size: FP

Object Number: 890904  Size: FP

Object Number: 890907  Size: FP

Object Number: 890916  Size: FP

Object Number: 890917  Size: FP