GM Service Manual Online
For 1990-2009 cars only

Circuit Description

The crankshaft position (CKP) sensor sends 58 pulses per crankshaft revolution to determine the position and RPM of the engine at various degrees of rotation. The crankshaft reluctor wheel contains 20 notches for every 120 degrees of the crankshaft rotation except for 2 missing notches used to detect cylinder #1 TDC. The ECM bases misfire diagnostics on the principal that at a given speed and load, the time to pass 20 notches on the crankshaft between firing events should be below a certain threshold. If the time to pass 20 notches exceeds a calibrated time, a misfire is detected on the previous cylinder. Under certain conditions, the ECM will monitor misfires in both 200 crankshaft revolution tests, catalyst damaging counter, and 1000 crankshaft revolution tests, emission related counter. If a certain number of misfires, based on engine speed and load, occur over a certain number of engine revolutions which the catalyst may be damaged, the MIL will flash and the DTC P0300 will set. If a certain number of misfires, greater than 30 out of a 1,000 revolution test, or greater than 45 out of 4 consecutive 1000 revolution tests, occur over a certain number of engine revolutions, DTC P0300 will set. The MIL will then be commanded ON after 2 consecutive drive cycles if the DTC P0300 fails again. The MIL will turn OFF after 3 consecutive passed drive cycles meeting the same criteria or 80 passed drive cycles if the criteria could not be met. DTC P0301-P0306 sets if a specific cylinder misfires for a certain length of time.

Conditions for Setting the DTC

DTCs P0301, P0302, P0303, P0304, P0305 or P0306 will set if specific cylinder misfires have been detected after a 1000 revolution test when:

    • The sum of the misfire counts are greater than 30 in a 1000 engine revolution test or greater than 45 in 4 consecutive, 1000 engine revolution tests.
    • Engine speed is between 520-6520 RPM.
    • Six combustion events have occurred.
    • Traction control is not active.
    • The IAT is greater than 8°C (17°F).
    • The EVAP diagnostics are not running.
    • No CKP or TP sensor DTCs have been set.

Important: The ECM must complete the entire 1000 revolutions before DTC P0301-P0306 will set.

DTC P0301-P0306 diagnostic runs continuously once the above conditions have been met.

DTC P0301-P0306 are type B DTCs.

Diagnostic Aids

Important: If a fuel injector DTC is also set, diagnose that DTC first.

Important: The ECM will set DTC P0300 even if a specific cylinder is misfiring.

Important: If a specific cylinder misfire occurs for longer than 15 seconds, the ECM will command the cylinder fuel injector OFF for the rest of the ignition cycle even if the fault is corrected.

If DTCs P0301, P0303, and P0305 are all set with any H02S bank 1 sensor 1 DTC, this is most likely due to a HO2S bank 1 sensor 1 fault.

If DTCs P0302, P0304, and P0306 are all set with any HO2S bank 2 sensor 1 DTC, this is most likely due to a HO2S bank 2 sensor 1 fault.

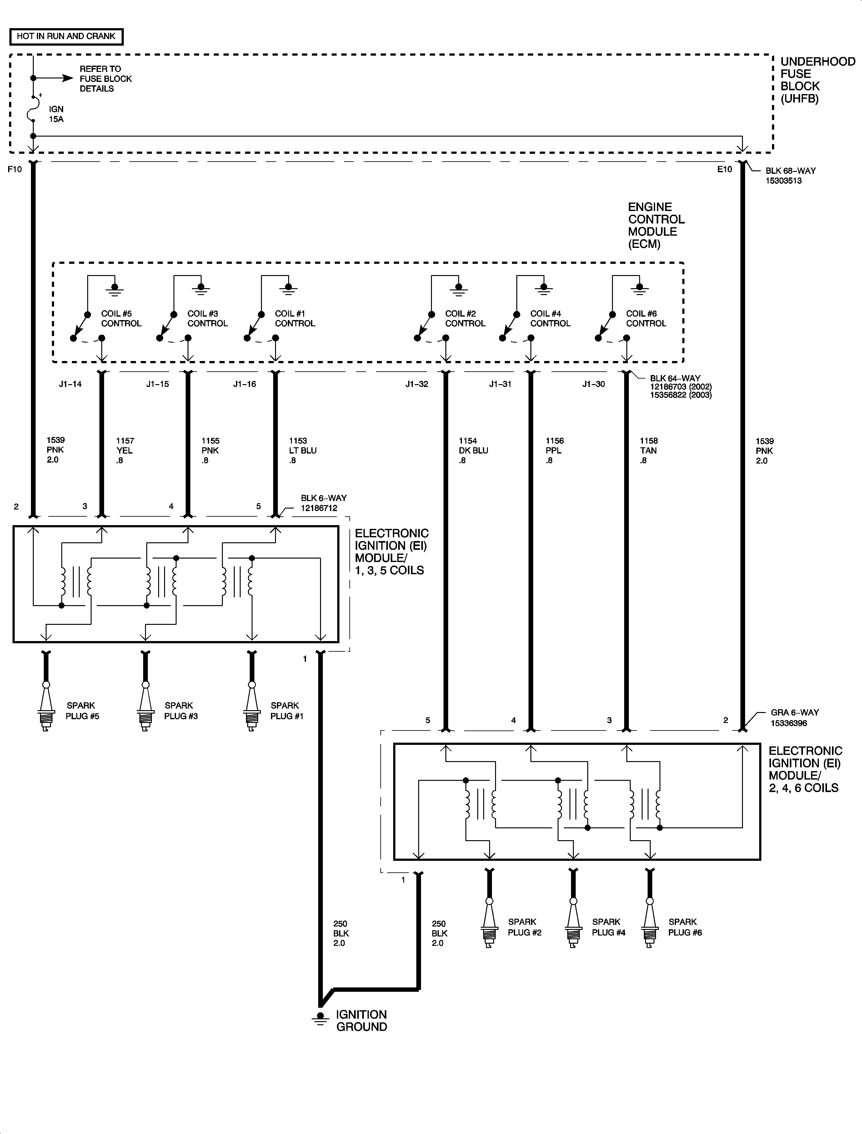
The scan tool contains the SPECIAL FUNCTION, IGNITION COIL CYL. 1-6, which can individually fire the spark plugs. An audible spark plug fire sound can be heard to determine if each cylinder ignition system is functioning correctly.

Important: The misfire history counters will only be erased when DTCs are cleared using the scan tool.

Use the scan tool to monitor MISFIRE CURRENT CYL. 1-6 while simulating different engine load conditions in the stall. The scan tool active misfire counter should pick up intermittent misfire conditions.

    • Fuel injector resistance is 15.6-16.4 ohms at 21° C (70°F).
        OR
    • All fuel injector resistances are within 1 ohm of each other at the same temperature.
    • Spark plug gap is 0.045 in. and is not adjustable.

Object Number: 895743  Size: FP

Insert graphic sio SMFLW95859AA

Insert graphic sio SMFLW95860AA