GM Service Manual Online
For 1990-2009 cars only

Object Number: 896290  Size: MF

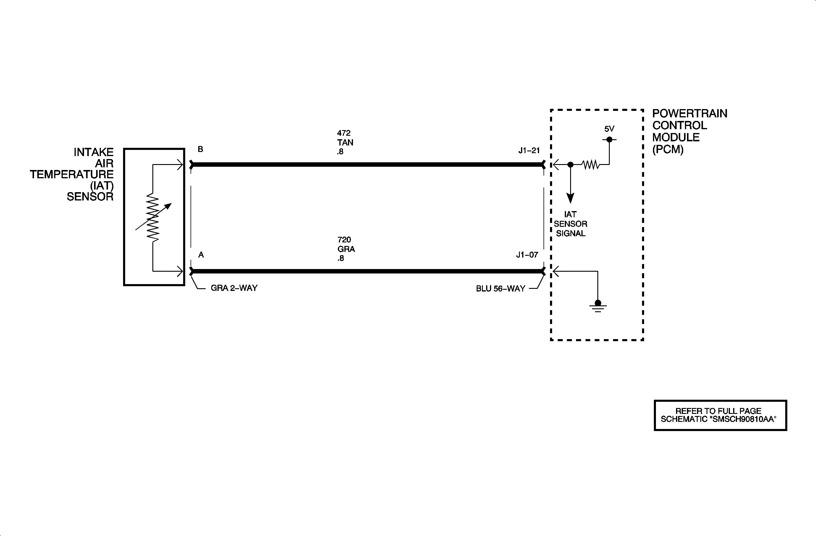
The intake air temperature (IAT) sensor is a thermistor that varies resistance according to changes in air induction temperature. The PCM supplies a 5 volt reference through a pull-up resistor to the sensor, which is connected to ground. When the sensor is cold it has high resistance (high signal voltage at PCM). As the sensor temperature increases, its resistance decreases (lower signal voltage at PCM). The PCM uses the signal voltage to determine air induction temperature. DTC P0112 sets when the IAT sensor signal voltage at the PCM is below the calibrated voltage value (over the calibrated temperature value).

DTC Parameters

DTC P0112 will set if IAT sensor temperature is over 128°C (262°F) when:

    • The condition exists for longer than 3 seconds.
    • The engine run time is greater than 5 minutes and 20 seconds.
    • The vehicle speed is greater than 24 km/h (15 mph).
    • The calculated air flow is less than 16 gm/s.
    • No ECT or vehicle speed DTCs have been set.

DTC P0112 diagnostic runs continuously once the above conditions have been met.

P0112 is a type B DTC.

Diagnostic Aids

To locate an intermittent problem, use the scan tool to monitor the IAT temperature with the ignition ON and the engine OFF. Wiggling the wires while watching for a change in the IAT temperature may locate the area where a short to ground in the wiring could lie.

Refer to ECT General Description for a Temperature vs. Resistance chart.


Object Number: 898394  Size: FP