GM Service Manual Online
For 1990-2009 cars only

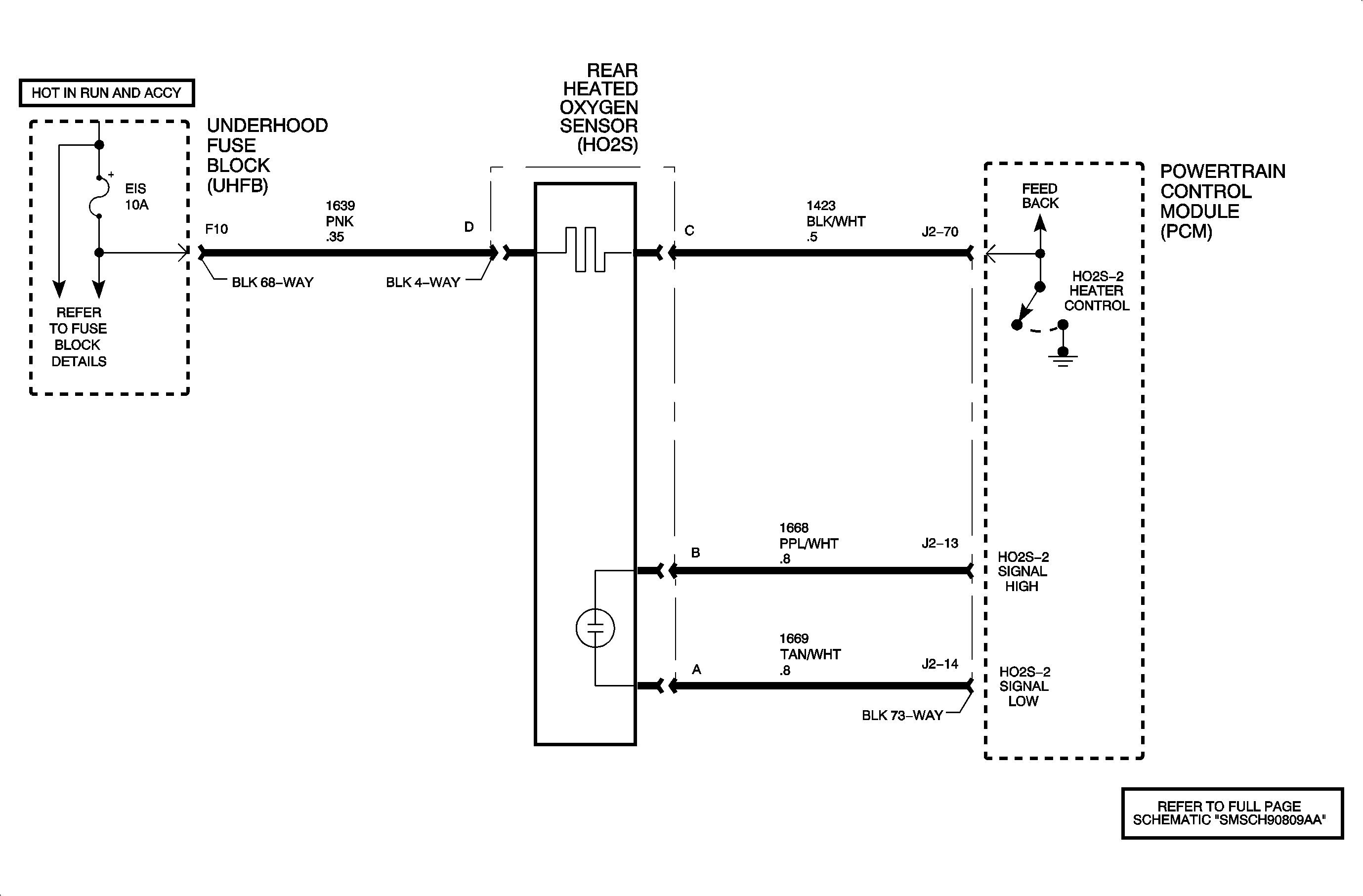
Object Number: 896279  Size: MF

The heated oxygen sensor  (H02S-2) is an electrical source that responds to oxygen content in the catalytic converter. When the sensor reaches approximately 316°C (600°F), it produces a voltage based on the difference in oxygen between the atmosphere and exhaust gas. The PCM sends a bias voltage (425-460 mV) on the signal line, which is pulled up through high resistance. When the HO2S-2 is cold, it produces no voltage and has extremely high internal resistance. The internal resistance of the sensor is much greater than the resistance of the bias pull-up resistor. However, when the sensor heats up, it produces voltage that overrides the bias voltage. This voltage is read by the PCM to determine the efficiency of the catalytic converter. Under normal conditions, low sensor voltage means high oxygen content/lean air-fuel mixture and vice versa. Normal sensor readings at steady cruise with a properly functioning catalytic converter will be around 500-800 mV. DTC P0138 will set when the HO2S-2 signal voltage is too high for a certain length of time.

DTC Parameters

DTC P0138 will set if HO2S-2 voltage is greater than 1.042 V when:

    • The condition exists for longer than 50 seconds.
    • The ECT is greater than 40°C (104°F) for at least 2 minutes and 20 seconds.
    • The TP angle is between 8-50 percent for at least 4 seconds.
    • The calculated airflow is greater than 5.5 g/s for at least 2 minutes and 20 seconds.
    • No CKP, ECT, EVAP, fuel injector, fuel tank pressure, fuel trim, IAT, idle speed, MAP, misfire, PCM internal fault, or TP sensor DTCs have been set

DTC P0138 diagnostic runs continuously once the above conditions have been met.

P0138 is a type B DTC.

Diagnostic Aids

To locate an intermittent problem, use the scan tool to monitor HO2S-2 voltage with the engine idling at normal operating temperature. Wiggling the wires while watching for a change in HO2S-2 voltage may locate the area where a short to voltage in the wiring could lie.

Voltage from PCM on circuits 1668 and 1669 with the HO2S-2 disconnected should read between 4-6 volts.


Object Number: 898434  Size: FP