GM Service Manual Online
For 1990-2009 cars only

Object Number: 896210  Size: MF

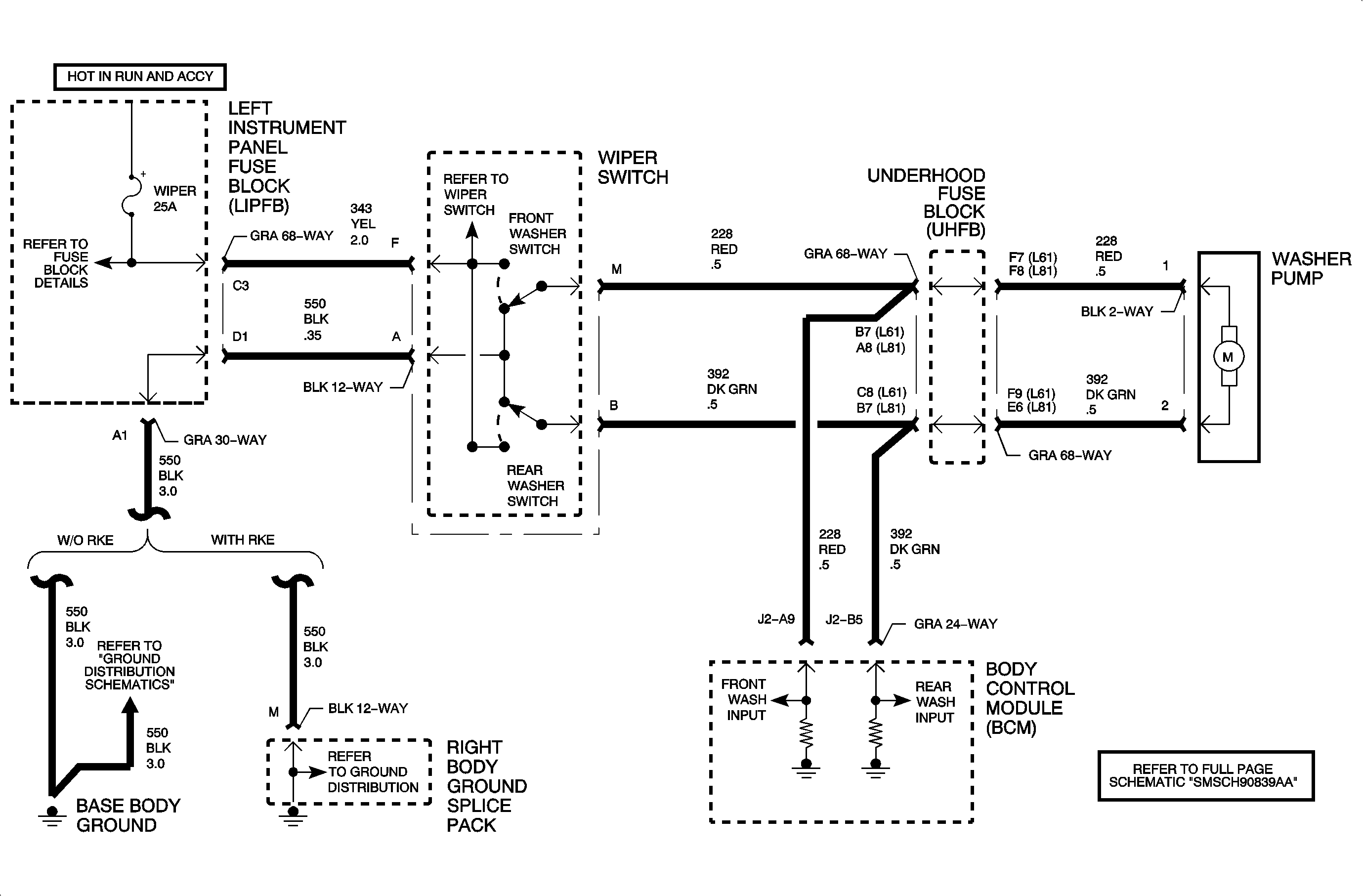
Circuit Description

The body control module (BCM) monitors the rear washer motor circuit 392. When a rear windshield wash is requested for more than two minutes, circuit 392 at battery voltage, the BCM will turn off the rear wiper motor if the rear wiper is NOT requested by the wiper switch.

Power for the rear washer motor is supplied through the front wiper fuse and rear washer switch. Grounding for the rear washer motor is through the OFF position of the front washer motor switch.

Conditions for Setting the DTC

    • Ignition in RUN or ACC
    • Rear washer circuit 392 at battery voltage for two minutes
    • No telltale illumination

Diagnostic Aids

    • Inspect wiring harness for damage. Check for broken or chaffed insulation.
    • If fault is suspected to be intermittent, wiggling harness wiring may help in locating fault.

Object Number: 890287  Size: FP