GM Service Manual Online
For 1990-2009 cars only
Makes
🢒
Saturn
🢒
2003
🢒
L200/LW200
🢒
Engine
🢒
Engine Cooling
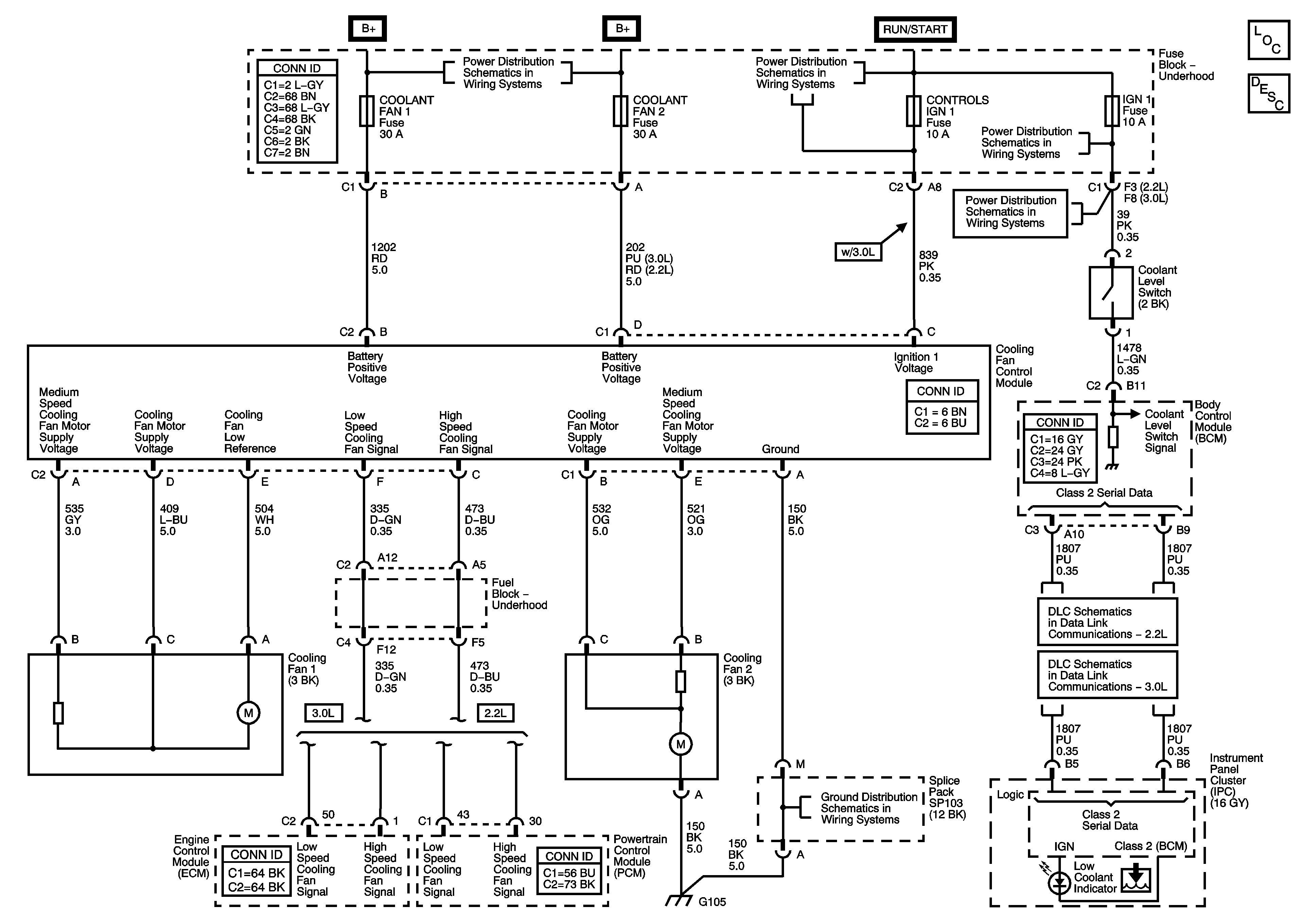
🢒 Engine Cooling Schematics
Master Electrical Component List
Cooling System Description and Operation
Fuse Block-Underhood : Cooling Fan2, Cooling Fan1, ABS1, ABS2, Park Lamp, Hazard, Brake and Controls B+
Fuse Block-Underhood : Injector, Controls IGN1, EIS and IGN
Fuse Block-Underhood : BCM/ECM/Cruise/ABS, Cruise Switch, IGN1 and Backup/Turn
Fuse Block-Underhood : BCM/ECM/Cruise/ABS, Cruise Switch, IGN1 and Backup/Turn
2.2L
3.0L
G105, G103, G113 and G107