GM Service Manual Online
For 1990-2009 cars only
Makes
🢒
Saturn
🢒
2003
🢒
L200/LW200
🢒
Engine
🢒
Engine Electrical
🢒 Starting and Charging Schematics
Figure
1:
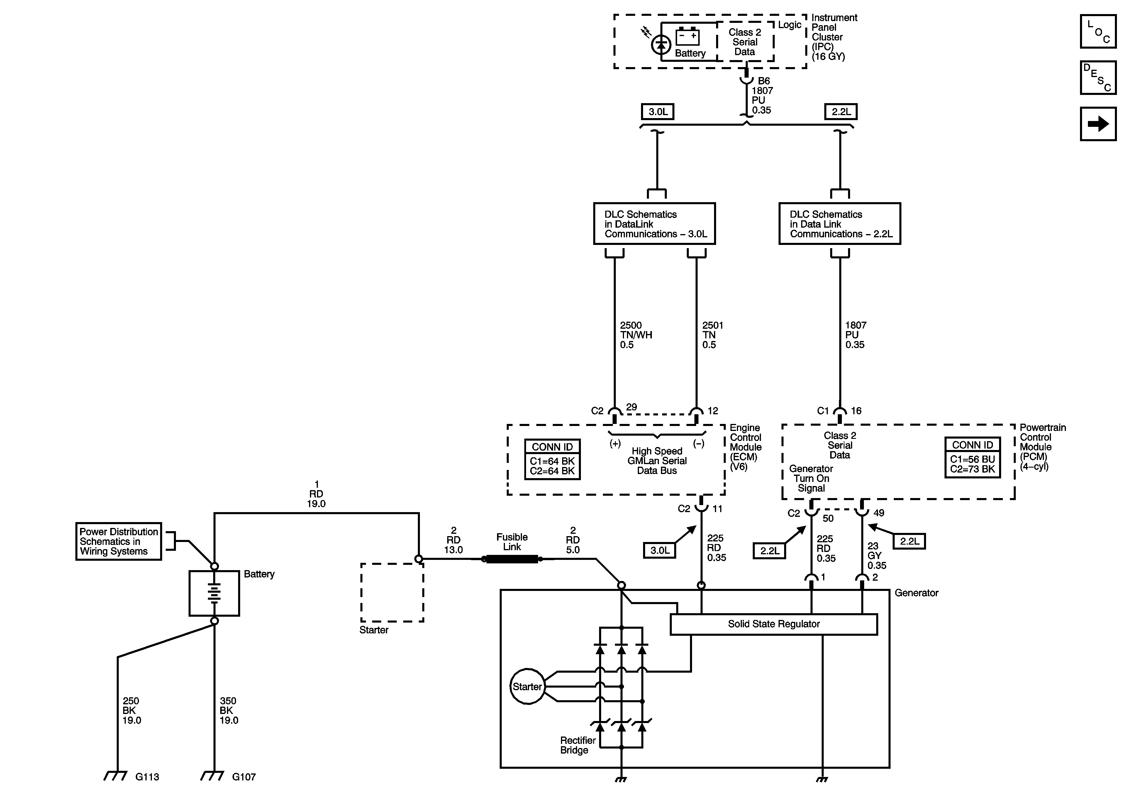
Charging System
Master Electrical Component List
Charging System Description and Operation
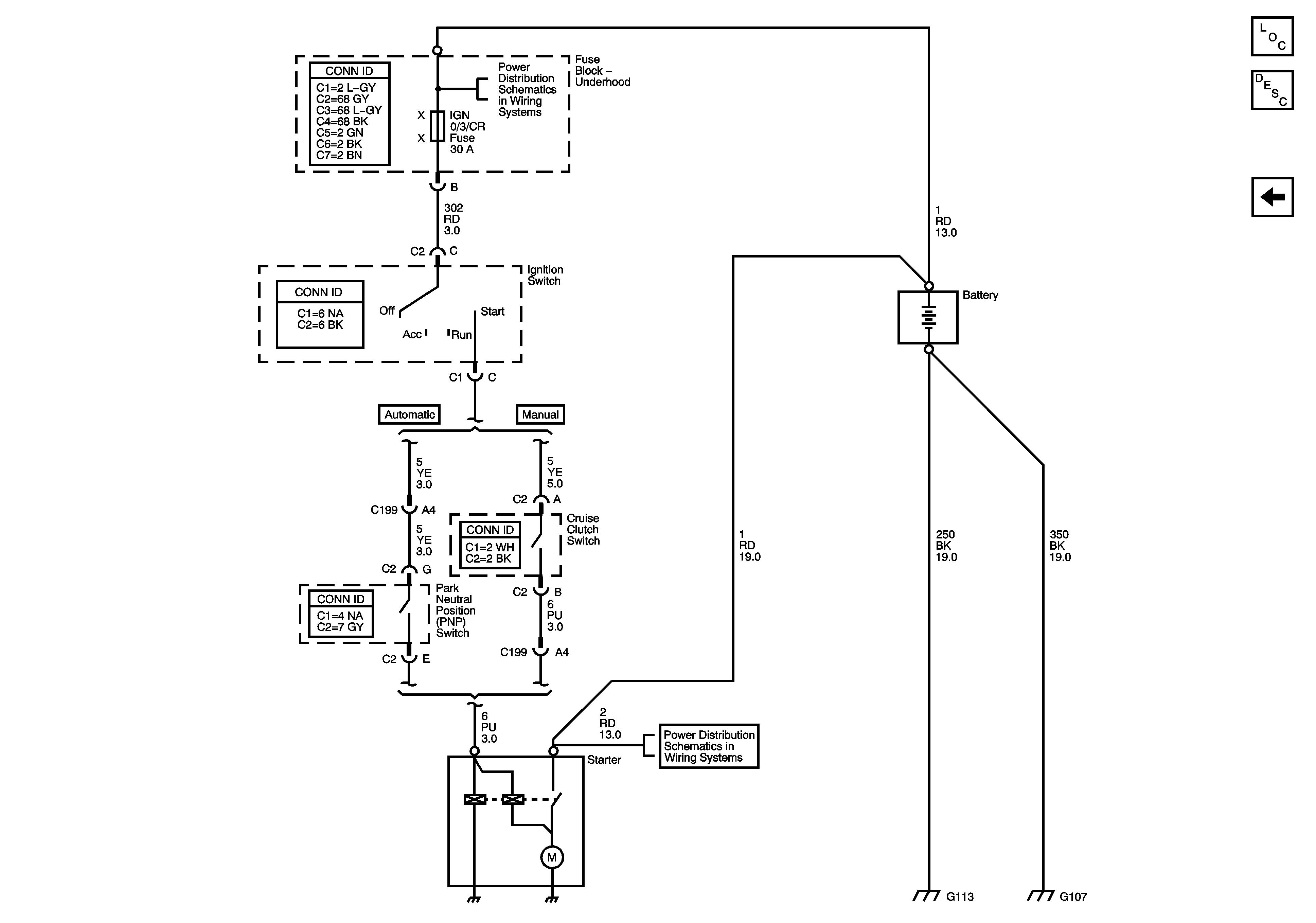
Starting System
3.0L
2.2L
Fuse Block-Underhood Bus
Figure
2:
Starting System
Master Electrical Component List
Starting System Description and Operation
Charging System
Fuse Block-Underhood Bus
Fuse Block-Underhood Bus