GM Service Manual Online
For 1990-2009 cars only

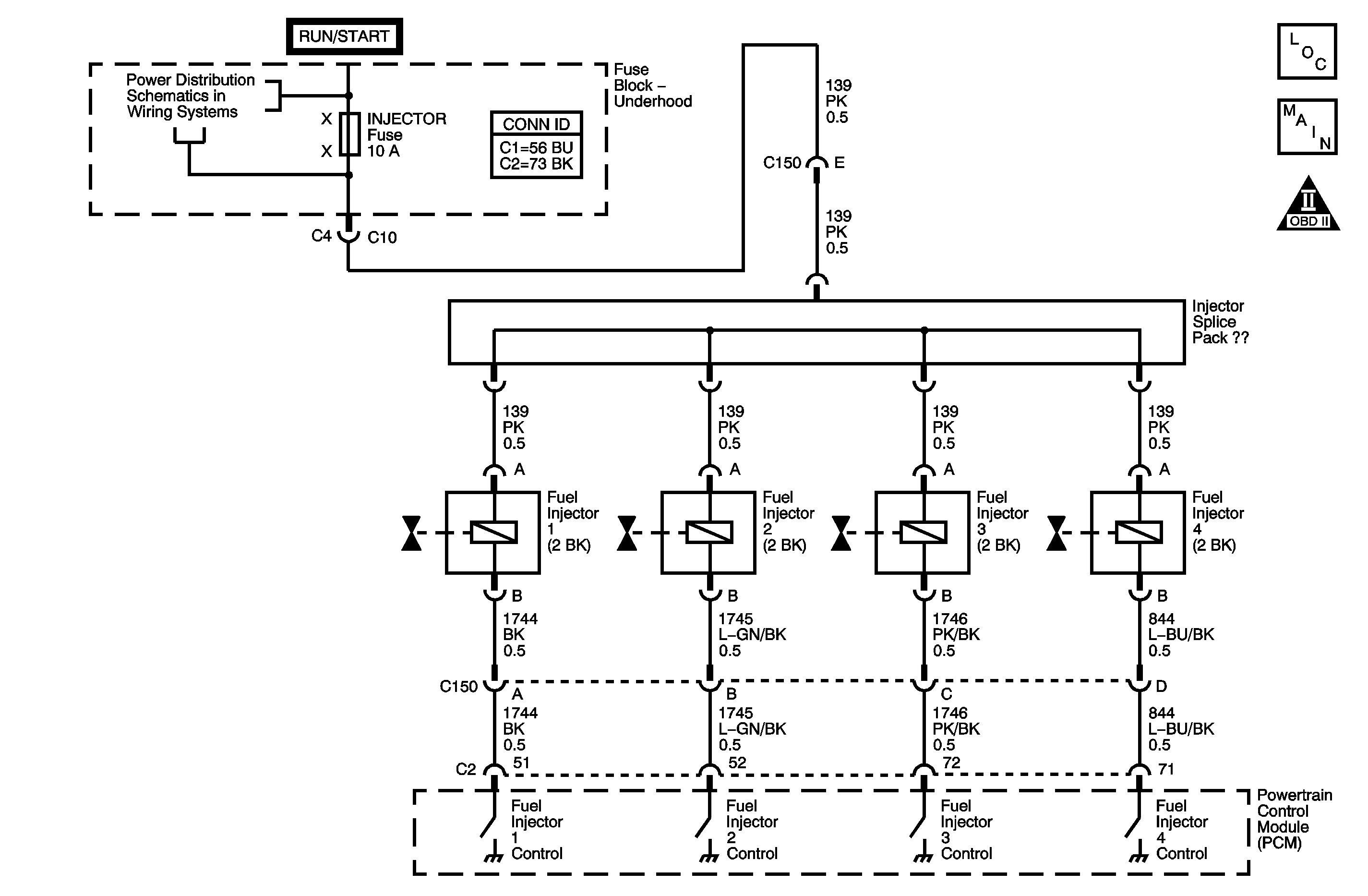
Object Number: 1245786  Size: MF
Engine Controls Component Views
Engine Controls Schematics

Circuit Description

The control module enables the appropriate fuel injector pulse for each cylinder. Ignition voltage is supplied to the fuel injectors. The control module controls each fuel injector by grounding the control circuit via a solid state device called a driver.

Diagnostic Aids

    • Performing the Fuel Injector Coil Test may help isolate an intermittent condition. Refer to Fuel Injector Solenoid Coil Test .
    • For an intermittent condition refer to Intermittent Conditions .

Step

Action

Values

Yes

No

Schematic Reference: Engine Controls Schematics

Connector End View References: Powertrain Control Module Connector End Views or Engine Controls Connector End Views

1

Did you perform the Diagnostic System Check-Engine Controls?

--

Go to Step 2

Go to Diagnostic System Check - Engine Controls

2

Is DTC P0201, P0202, P0203, or P0204 set?

--

Go to DTC P0201, P0202, P0203, or P0204

Go to Step 3

3

Inspect the injector fuse.

Is the injector fuse open?

--

Go to Step 4

Go to Step 6

4

  1. Turn OFF the ignition.
  2. Remove the air cleaner outlet resonator.
  3. Disconnect the harness connectors of the fuel injectors.
  4. Probe the ignition 1 voltage circuit of a fuel injector, fuse side, with a test lamp that is connected to B+. Refer to Probing Electrical Connectors in Wiring Systems.

Does the test lamp illuminate?

--

Go to Step 8

Go to Step 5

5

Turn ON the ignition, with the engine OFF.

Does the test lamp illuminate?

--

Go to Step 11

Go to Diagnostic Aids

6

  1. Turn OFF the ignition.
  2. Remove the air cleaner outlet resonator.
  3. Disconnect the harness connector of a fuel injector.
  4. Turn ON the ignition, with the engine OFF.
  5. Probe the ignition 1 voltage circuit of the fuel injector, fuse side, with a test lamp that is connected to a good ground. Refer to Probing Electrical Connectors in Wiring Systems.

Does the test lamp illuminate?

--

Go to Step 7

Go to Step 9

7

  1. Remove the injector fuse.
  2. Measure the resistance from the injector fuse to the ignition 1 voltage circuit terminal of a fuel injector with a DMM. Refer to Circuit Testing in Wiring Systems.

Is the resistance more than the specified value?

5 ohms

Go to Step 10

Go to Intermittent Conditions

8

Repair the short to ground in the ignition 1 voltage circuit of the fuel injectors. Refer to Wiring Repairs in Wiring Systems.

Did you complete the repair?

--

Go to Step 12

--

9

Repair the open in the ignition 1 voltage circuit of the fuel injectors. Refer to Wiring Repairs in Wiring Systems.

Did you complete the repair?

--

Go to Step 12

--

10

Repair the high resistance in the ignition 1 voltage circuit of the fuel injectors. Refer to Wiring Repairs in Wiring Systems.

Did you complete the repair?

--

Go to Step 12

--

11

Repair the short to a PCM ground in the ignition 1 voltage circuit of the fuel injectors. Refer to Wiring Repairs in Wiring Systems.

Did you complete the repair?

--

Go to Step 12

--

12

Operate the system in order to verify the repair.

Did you correct the condition?

--

System OK

Go to Step 3