GM Service Manual Online
For 1990-2009 cars only

Object Number: 1246243  Size: MF
Engine Controls Component Views
Engine Controls Schematics

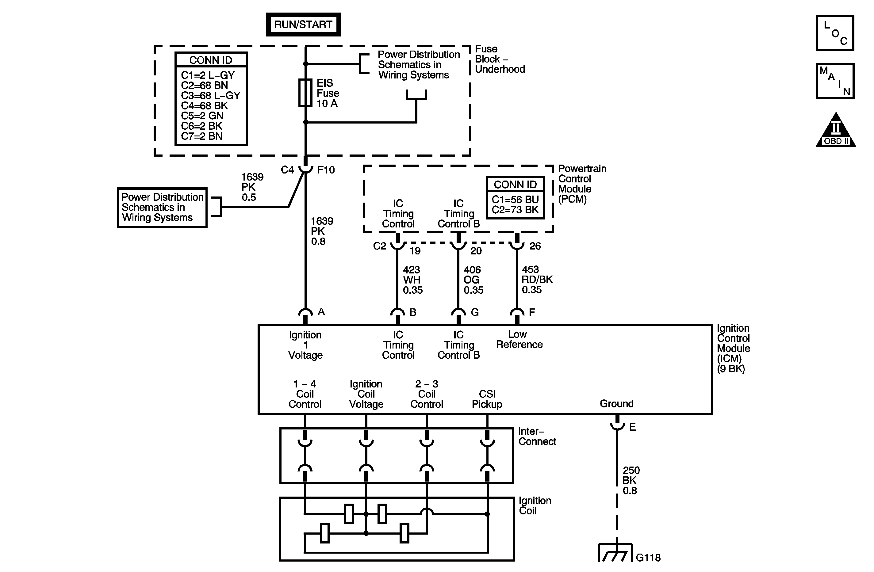
Circuit Description

Each ignition coil supplies secondary voltage to a pair of spark plugs. This is called a waste spark ignition system. The powertrain control module (PCM) supplies a signal on each of the ignition control (IC) timing control circuits to the ignition control module (ICM). The ICM fires the correct ignition coil at the correct time based on the signals. The ICM detects if cylinder 1 or cylinder 3 is on the compression stroke by sensing the secondary voltage and polarity of each side of the ignition coil. The ICM detects this voltage with sensing circuitry integrated into each ignition coil. The higher voltage is on the compressing cylinder. This is called compression sense ignition. The ICM provides a synthesized cam signal to the PCM based on these inputs. The PCM uses the cam signals to synchronize fuel injection.

This system consists of the following circuits:

    • Ignition voltage
    • Ground
    • Camshaft position (CMP) sensor signal
    • IC timing control for cylinder 1 and cylinder 4
    • IC timing control--B for cylinder 2 and cylinder 3
    • Low Reference

Step

Action

Value(s)

Yes

No

Schematic Reference: Engine Controls Schematics

Connect End View Reference: Powertrain Control Module Connector End Views or Engine Controls Connector End Views

1

Did you perform the Diagnostic System Check-Engine Controls?

--

Go to Step 2

Go to Diagnostic System Check - Engine Controls

2

  1. Crank the engine.
  2. Observe the CKP Active Counter on the scan tool.

Does the CKP Active Counter increment?

--

Go to Step 3

Go to Crankshaft Position Sensor System Diagnosis

3

  1. Turn OFF the ignition.
  2. Remove the fuel pump relay.
  3. Remove the ignition housing. Refer to Ignition Coil Housing Replacement .
  4. Install the J 36012-A (J 43883) Ignition System Diagnosis Harness.
  5. Install a J 26792 (SA9199Z) Spark Tester on the #1 spark plug jumper wire.
  6. Connect the #4 jumper wire to a good ground.
  7. Connect the other jumper wires from the 2-3 ignition coil to the respective cylinders.
  8. Observe the spark tester.
  9. Crank the engine.
  10. Repeat the procedure for the remaining cylinders.

Does the spark tester spark on all cylinders?

--

Go to Step 6

Go to Step 4

4

Is the no spark condition only present on one cylinder?

--

Go to Step 17

Go to Step 5

5

Is the no spark condition only present on companion cylinders 1-4 or 2-3?

--

Go to Step 12

Go to Step 8

6

Does the spark tester indicate a bright blue spark on all cylinders?

--

Go to Step 7

Go to Step 17

7

  1. Remove the spark plugs.
  2. Examine the spark plugs for any abnormal conditions or damage. Refer to Spark Plug Inspection .

Are the spark plugs in good condition?

--

System OK

Go to Step 24

8

  1. Turn OFF the ignition.
  2. Disconnect the harness connector of the ignition control module (ICM).
  3. Turn ON the ignition, with the engine OFF.
  4. Connect a test lamp from the ignition voltage circuit of the ICM to a good ground.

Does the test lamp illuminate?

--

Go to Step 9

Go to Step 20

9

Connect a test lamp from the ignition voltage circuit to the ground circuit of the ICM.

Does the test lamp illuminate?

--

Go to Step 10

Go to Step 21

10

  1. Turn OFF the ignition.
  2. Remove the fuse that supplies ignition voltage to the ICM.
  3. Measure the resistance of the ignition voltage circuit of the ICM from the harness connector of the ICM to the fuse.

Is the resistance less than the specified value?

3 ohms

Go to Step 11

Go to Step 22

11

Measure the resistance of the ground circuit of the ICM from the harness connector of the ICM to a good ground.

Is the resistance less than the specified value?

3 ohms

Go to Step 12

Go to Step 23

12

  1. Turn OFF the ignition.
  2. Remove the ICM from the ignition coil housing. Refer to Ignition Control Module Replacement .
  3. Connect the harness connector of the ICM.
  4. Confirm that the interconnect is connected to the ICM.
  5. Turn ON the ignition, with the engine OFF.
  6. Important: If using a different test lamp, the bulb resistance needs to be 4 ohms or less.

  7. Connect the J 34730-405 Injector Test Lamp (Noid Light) from the ignition voltage circuit at the ICM interconnect to good ground. For the circuit identification in the ICM interconnect, refer to Electronic Ignition (EI) System Description .

Does the test lamp illuminate?

--

Go to Step 13

Go to Step 18

13

  1. Connect the J 34730-405 between the ignition voltage circuit and the control circuit for the inoperative ignition coil. For the circuit identification in the ICM interconnect, refer to Electronic Ignition (EI) System Description .
  2. Crank the engine.

Does the test lamp flash?

--

Go to Step 17

Go to Step 14

14

  1. Leave the J 34730-405 connected between the ignition voltage circuit and the control circuit for the inoperative ignition coil.
  2. Turn OFF the ignition.
  3. Disconnect the harness connector of the ICM.
  4. Connect jumper wires from the harness connector of the ICM to the corresponding terminals of the ICM.
  5. Using the jumper wires, exchange the IC timing control circuits of the ICM.
  6. Crank the engine.

Does the test lamp flash?

--

Go to Step 15

Go to Step 18

15

Test the IC timing control circuit of the ICM for one of the following conditions:

    • Open
    • Short to voltage
    • Short to ground
    • High resistance

Refer to Circuit Testing and Wiring Repairs in Wiring Systems.

Did you find and correct the condition?

--

Go to Step 28

Go to Step 16

16

Test the low reference circuit of the ICM for an open or high resistance. Refer to Circuit Testing and Wiring Repairs in Wiring Systems.

Did you find and correct the condition?

--

Go to Step 28

Go to Step 19

17

Test for shorted terminals or a poor connection at the ignition coil housing. Refer to Testing for Intermittent Conditions and Poor Connections and Connector Repairs in Wiring Systems.

Did you find and correct the condition?

--

Go to Step 28

Go to Step 25

18

Test for shorted terminals or a poor connection at the ICM. Refer to Testing for Intermittent Conditions and Poor Connections and Connector Repairs in Wiring Systems.

Did you find and correct the condition?

--

Go to Step 28

Go to Step 26

19

Test for shorted terminals or poor connections at the powertrain control module (PCM). Refer to Testing for Intermittent Conditions and Poor Connections and Connector Repairs in Wiring Systems.

Did you find and correct the condition?

--

Go to Step 28

Go to Step 27

20

Repair an open or short to ground in the ignition voltage circuit of the ICM. Refer to Wiring Repairs in Wiring Systems.

Did you complete the repair?

--

Go to Step 28

--

21

Repair an open in the ground circuit of the ICM. Refer to Wiring Repairs in Wiring Systems.

Did you complete the repair?

--

Go to Step 28

--

22

Repair the high resistance in the ignition voltage circuit of the ICM. Refer to Wiring Repairs in Wiring Systems.

Did you complete the repair?

--

Go to Step 28

--

23

Repair the high resistance in the ground circuit of the ICM. Refer to Wiring Repairs in Wiring Systems.

Did you complete the repair?

--

Go to Step 28

--

24

Replace the spark plugs. Refer to Spark Plug Replacement .

Did you complete the replacement?

--

Go to Step 28

--

25

Replace the ignition coil housing. Refer to Ignition Coil Housing Replacement .

Did you complete the replacement?

--

Go to Step 28

--

26

Replace the ICM. Refer to Ignition Control Module Replacement .

Did you complete the replacement?

--

Go to Step 28

--

27

Replace the PCM. Refer to Powertrain Control Module Replacement .

Did you complete the replacement?

--

Go to Step 28

--

28

  1. Turn the ignition OFF for 30 seconds.
  2. Start the engine and operate the vehicle.
  3. Observe the vehicle performance and driveability.

Does the vehicle operate normally?

--

System OK

Go to Step 3