GM Service Manual Online
For 1990-2009 cars only
Figure 1:

EBCM Power, Ground, Serial Data, and Switches- 2.2L


Object Number: 1204525  Size: FS
Master Electrical Component List
ABS Description and Operation
EBCM Power, Ground, Serial Data, Switches- 3.0L
Fuse Block-Underhood : HVAC Blower, Radio/Onstar and CD/DLC - Fuse Block-Left I/P : IGN3
Stop Lamps
Engine Data Sensors- A/T, M/T w/ ABS
0 Fuse Block-Underhood Bus
Fuse Block-Underhood : BCM/ECM/Cruise/ABS, Cruise Switch, IGN1 and Backup/Turn
G118
2.2L
2.2L
G300, G304
G118
Figure 2:

EBCM Power, Ground, Serial Data, and Switches- 3.0L


Object Number: 1204529  Size: FS
Master Electrical Component List
ABS Description and Operation
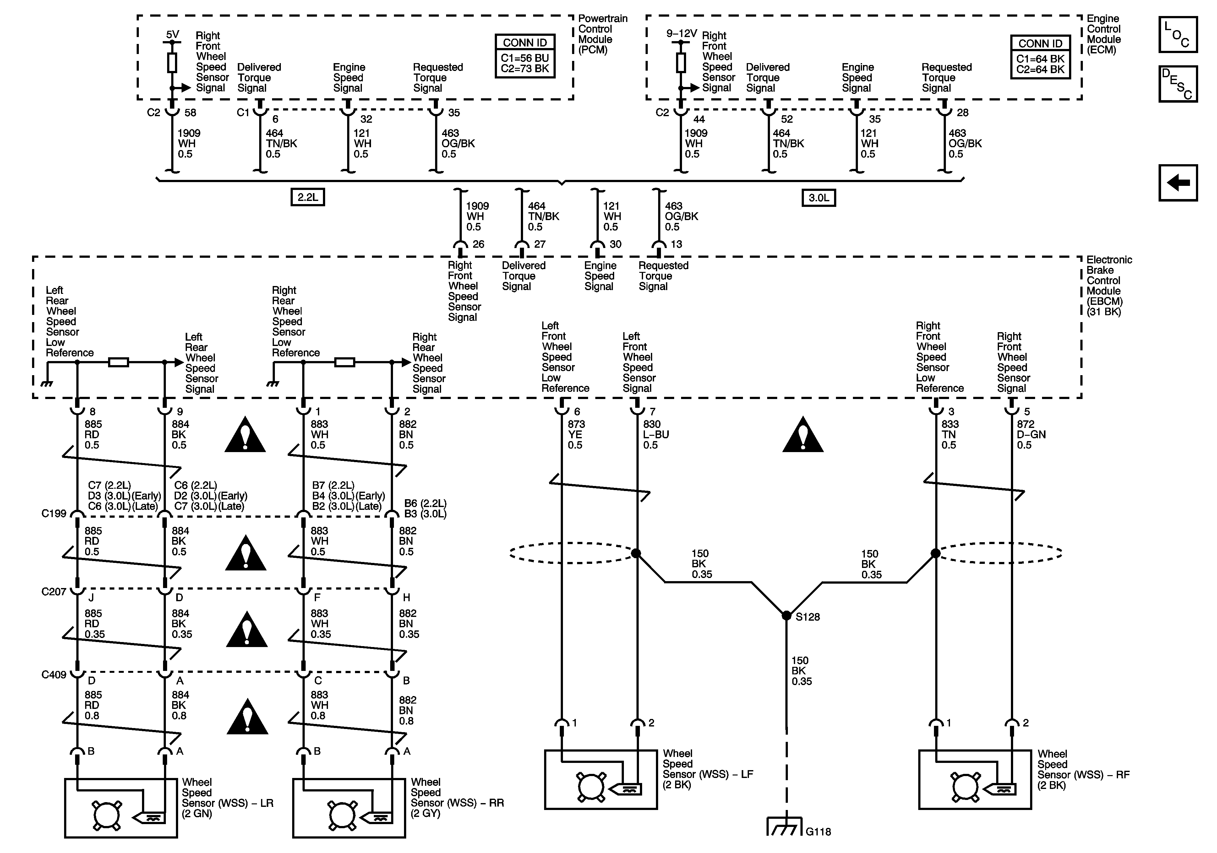
Wheel Speed Sensors
EBCM Power, Ground, Serial Data, and Switches- 2.2L
Fuse Block-Underhood : HVAC Blower, Radio/Onstar and CD/DLC - Fuse Block-Left I/P : IGN3
Stop Lamps
Engine Data Sensors- Pressure, Temp, VSS w/o ABS
Fuse Block-Underhood Bus
3.0L
G300, G304
G102, G110, G118, G114
Figure 3:

Wheel Speed Sensors


Object Number: 1204531  Size: FS
Master Electrical Component List
ABS Description and Operation
EBCM Power, Ground, Serial Data, Switches- 3.0L
Antilock Brake System Schematic Icons
Antilock Brake System Schematic Icons
Antilock Brake System Schematic Icons
Antilock Brake System Schematic Icons
G118