GM Service Manual Online
For 1990-2009 cars only
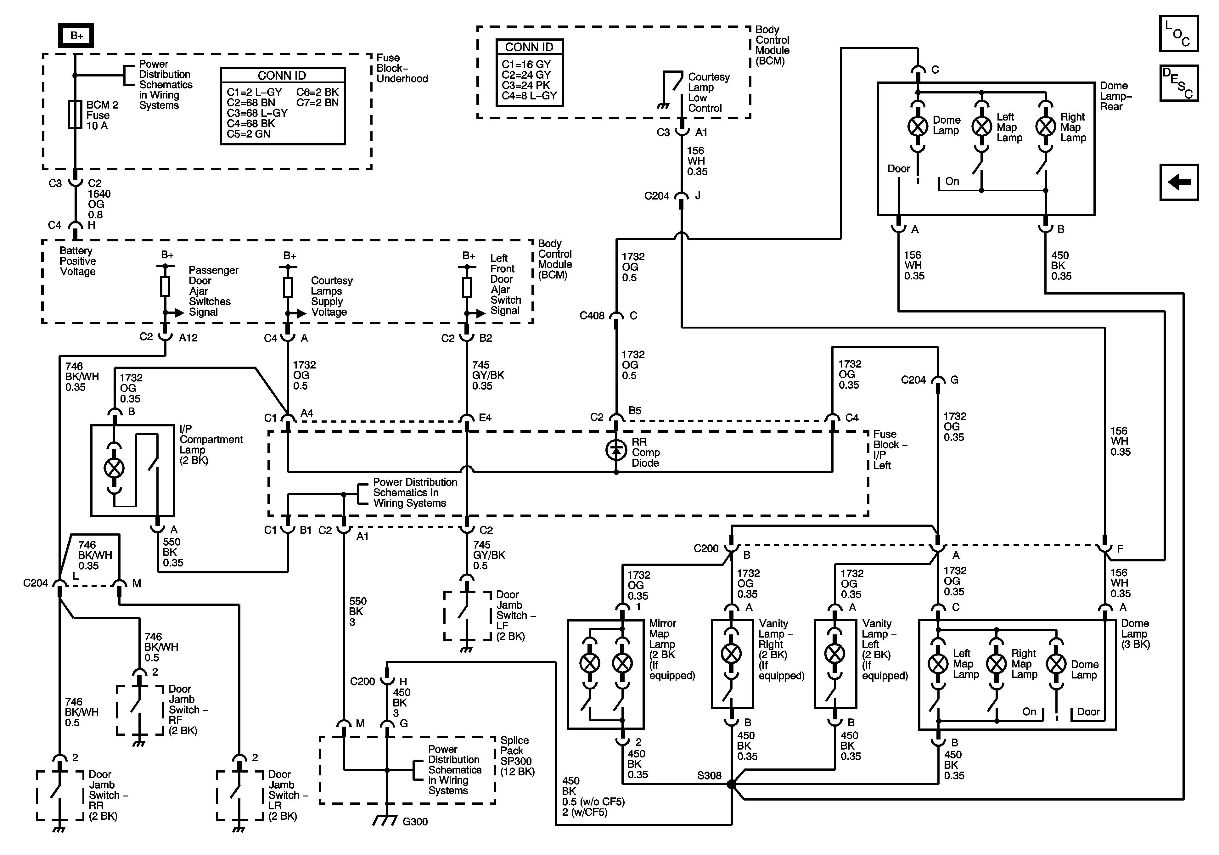
Figure 1:

Sedan (w/ UE1)


Object Number: 1226348  Size: FS
Master Electrical Component List
Interior Lighting Systems Description and Operation
Sedan w/o UE1
Fuse Block-Underhood Bus
G300, G304
G300
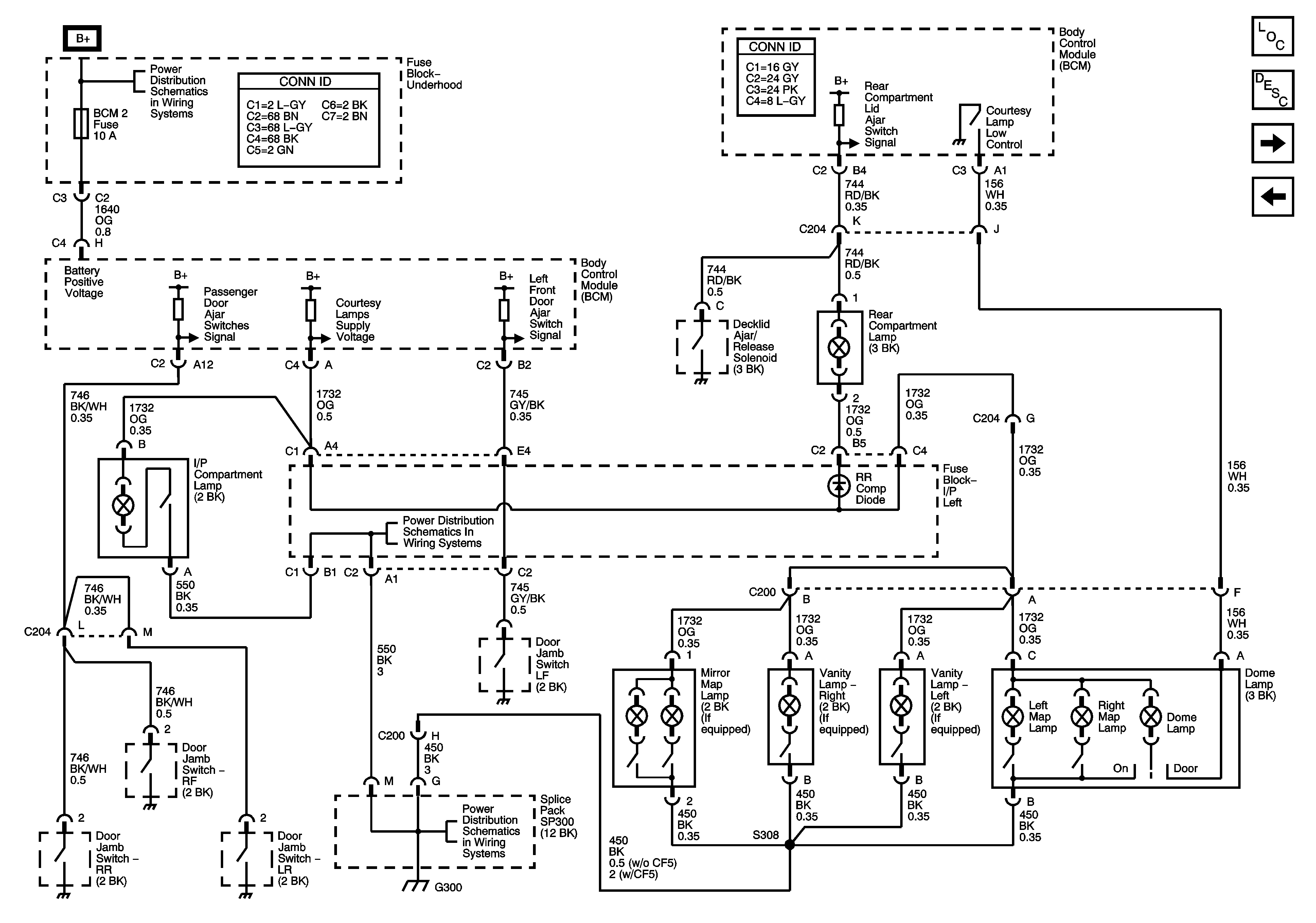
Figure 2:

Sedan (w/o UE1)


Object Number: 1236382  Size: FS
Master Electrical Component List
High Beam Indicator Inoperative
Interior Lights Schematics- Wagon w/UE1
Interior LIghts Schematics- Sedan w/ UE1
Fuse Block-Underhood Bus
G300, G304
G300
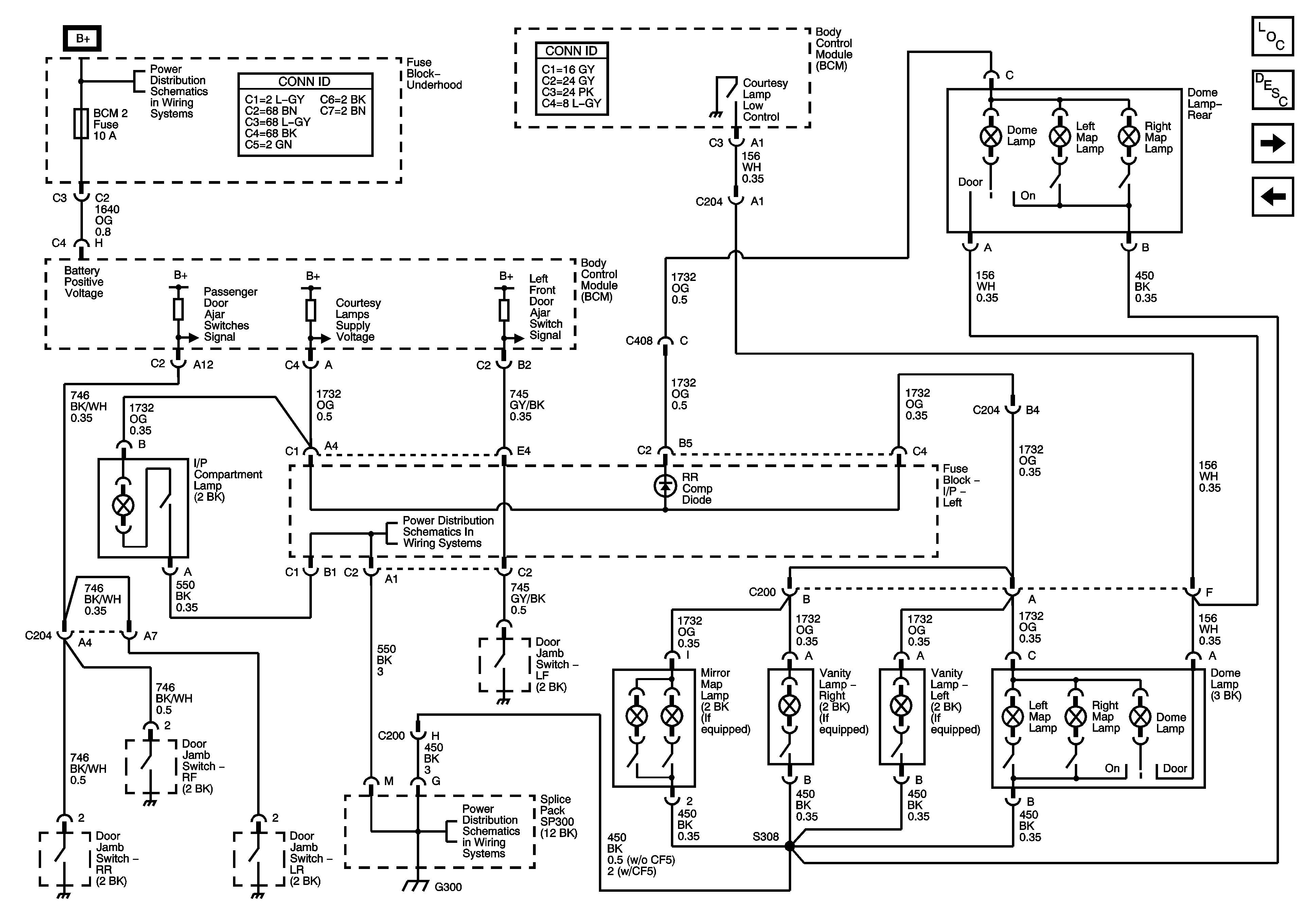
Figure 3:

Wagon (w/UE1)


Object Number: 1226349  Size: FS
Master Electrical Component List
Interior Lighting Systems Description and Operation
Wagon w/o UE1
Sedan w/o UE1
Fuse Block-Underhood Bus
G300, G304
G300
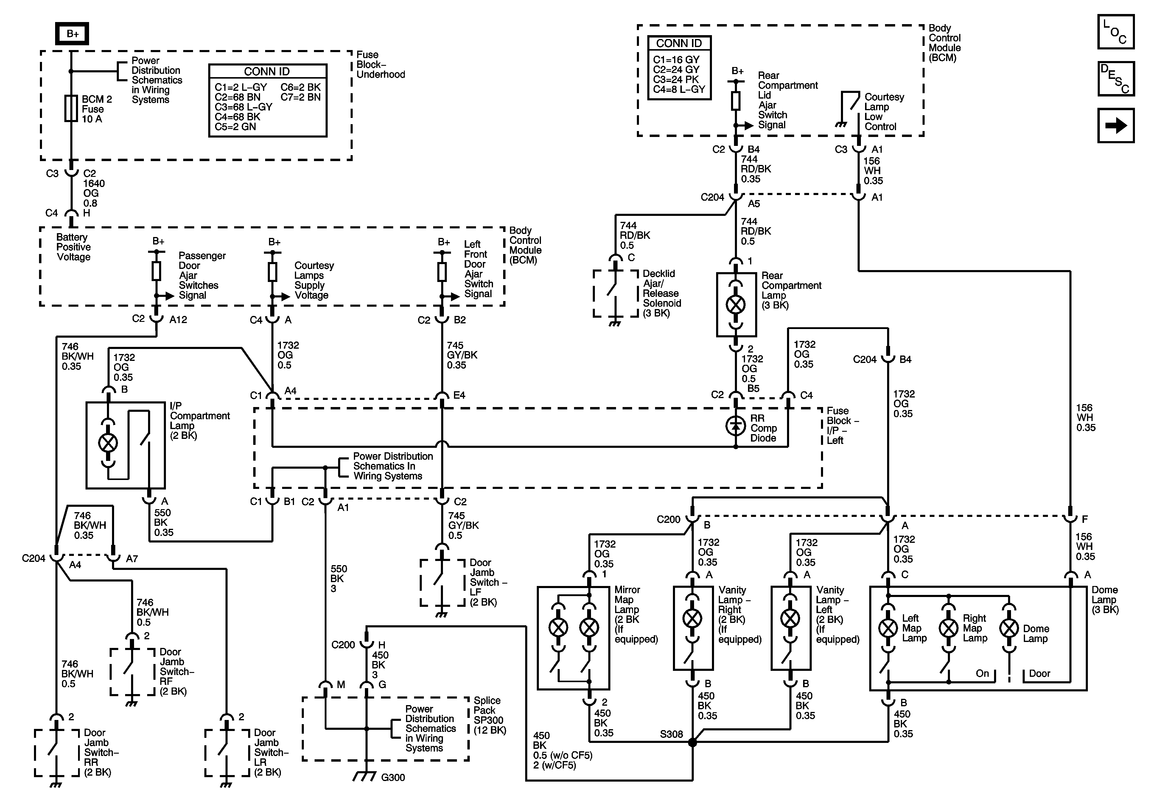
Figure 4:

Wagon (w/o UE1)


Object Number: 1236385  Size: FS
Master Electrical Component List
Interior Lighting Systems Description and Operation
Interior Lights Schematics- Wagon w/UE1
Fuse Block-Underhood Bus
G300, G304
G300