GM Service Manual Online
For 1990-2009 cars only
Makes
🢒
Saturn
🢒
2003
🢒
L200/LW200
🢒
Body and Accessories
🢒
Roof
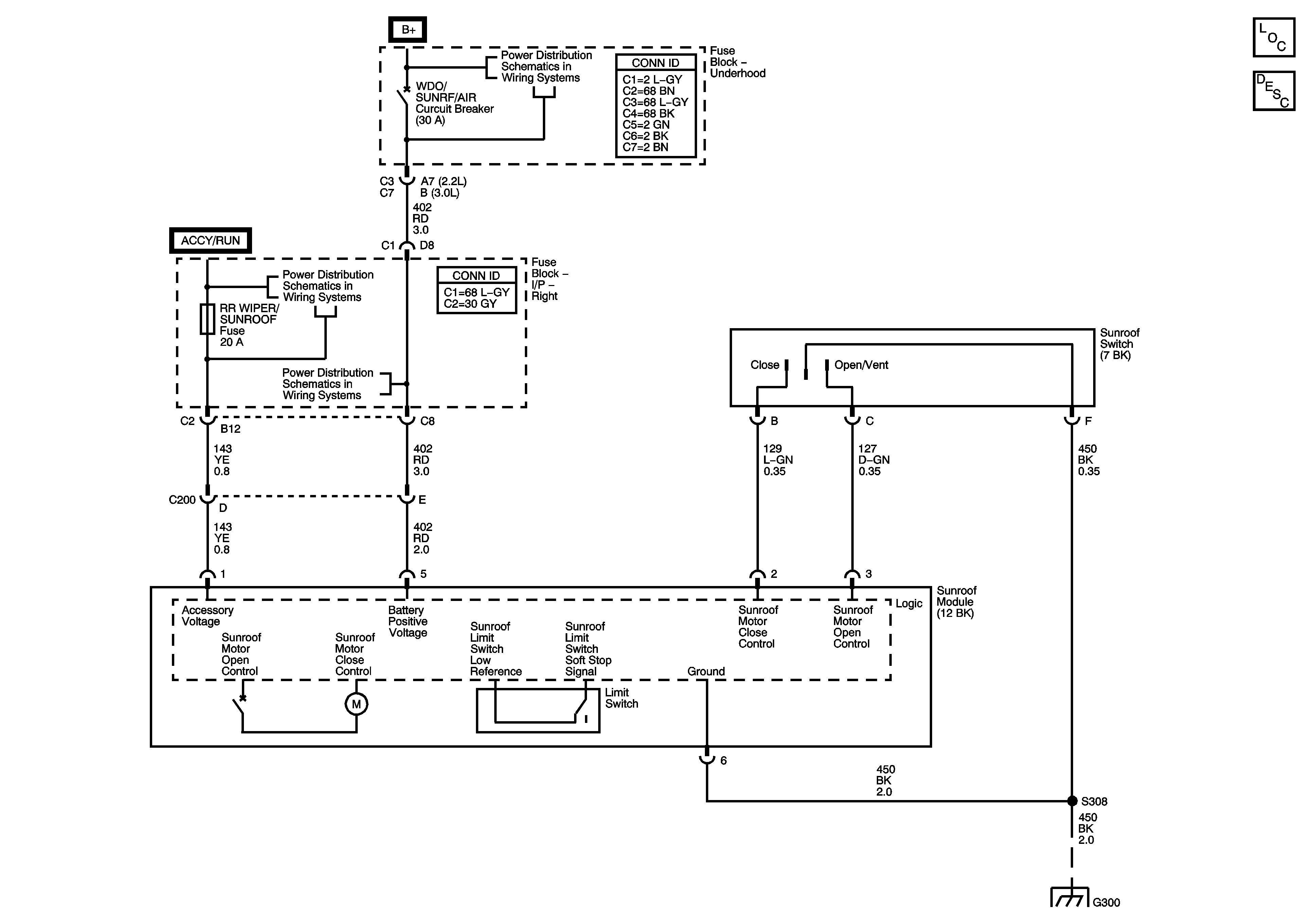
🢒 Sunroof Schematics
Master Electrical Component List
Sunroof Description and Operation
Fuse Block-Underhood : Air/Wdo/Sunroof, Air Solenoid, LH HDLP, RH HDLP, BCM2, Lighter and Aux Power
Fuse Block-Right I/P : Rear Wiper/Sunroof - Fuse Block-Left I/P : Wiper, BTSI/BCM/Mirror and Radio
Fuse Block-Underhood : Air/Wdo/Sunroof, Air Solenoid, LH HDLP, RH HDLP, BCM2, Lighter and Aux Power
G300