GM Service Manual Online
For 1990-2009 cars only
Makes
🢒
Saturn
🢒
2003
🢒
L200/LW200
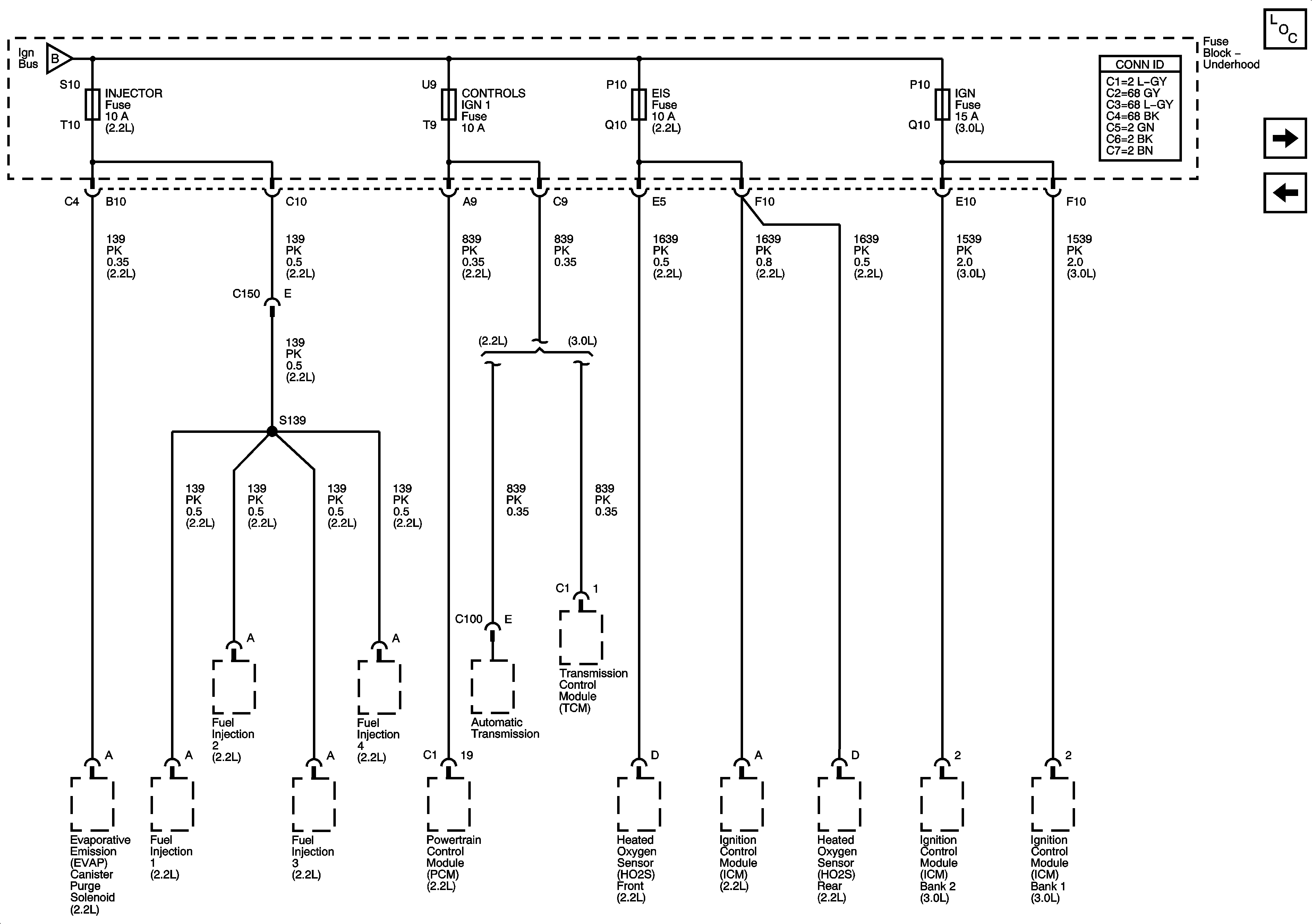
🢒 Fuse Block-Underhood Fuses: Injector, Cntrls, IGN1, EIS, IGN
Fuse Block-Underhood Fuses: Injector, Cntrls, IGN1, EIS, IGN
Fuse Block-Underhood : Injector, Controls IGN1, EIS and IGN
Master Electrical Component List
Fuse Block-Right I/P: Rear Wiper/Sunroof Fuse Block-Left I/P: Wiper, BTS1/BCM/Mirror, Radio
Fuse Block - Underhood Fuses: BCM/ECM/CRUISE/ABS, Cruise Switch, IGN1 and Backup/Turn
Fuse Block - Underhood Fuses: BCM/ECM/CRUISE/ABS, Cruise Switch, IGN1 and Backup/Turn