GM Service Manual Online
For 1990-2009 cars only
Makes
🢒
Saturn
🢒
2003
🢒
L200/LW200
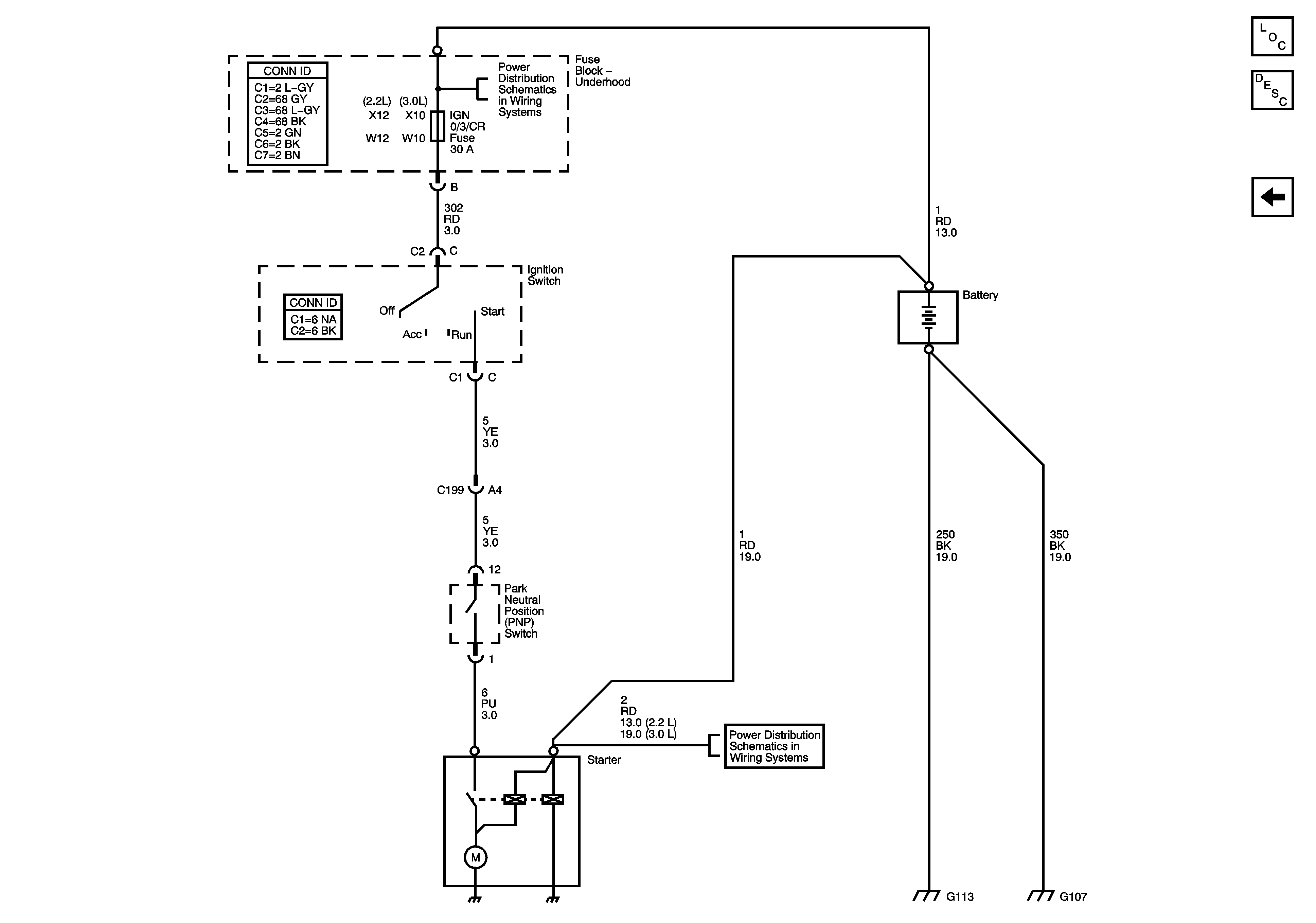
🢒 Starting System
Starting System
Starting System
Master Electrical Component List
Starting System Description and Operation
Charging System
Fuse Block - Underhood Bus
Fuse Block - Underhood Bus