GM Service Manual Online
For 1990-2009 cars only
Makes
🢒
Saturn
🢒
2003
🢒
L200/LW200
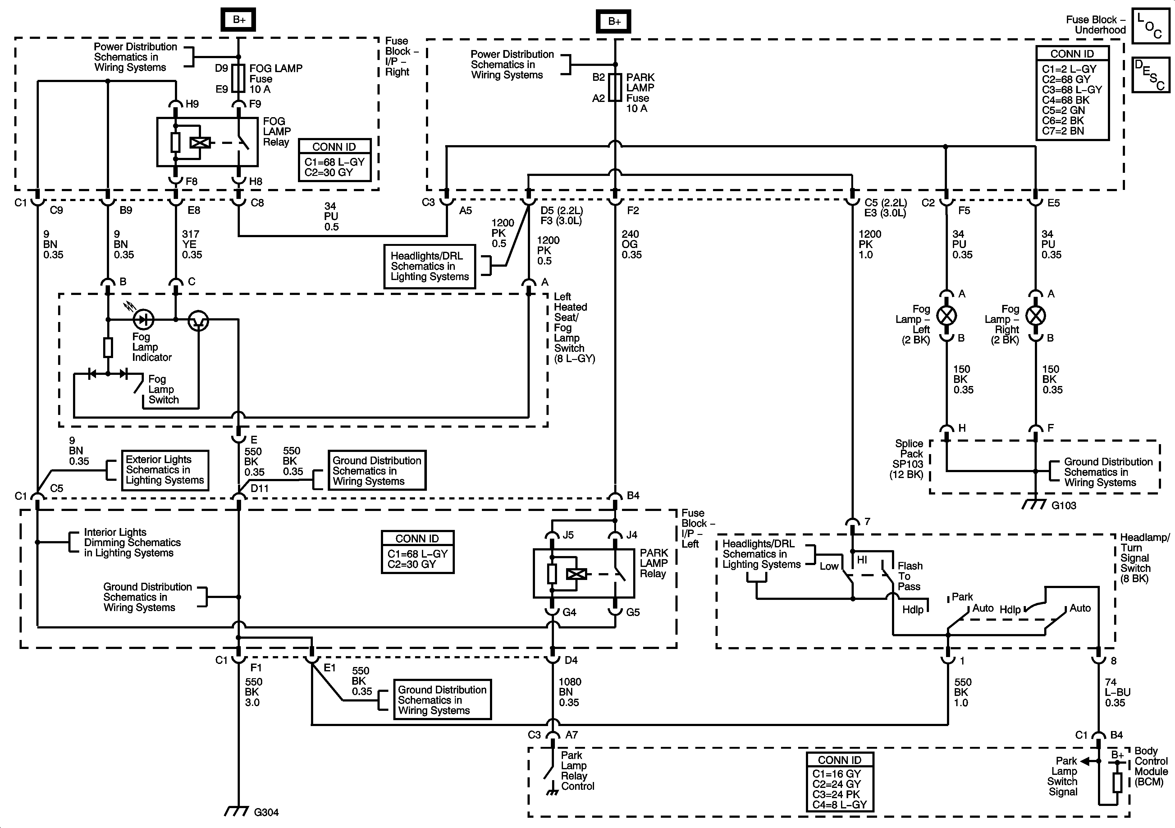
🢒 Fog Lights Schematics
Fog Lights Schematics
Master Electrical Component List
Interior Lighting Systems Description and Operation
Fuse Block-Underhood Fuses: IP BATT RT FUse Block- Right I/P Fuses: Prev Amp, Door Locks, Body, Fog Lamps
Fuse Block - Underhood Bus
Headlights/DRL Schematics
Parking Lamps - Sedan
G191, G303
G105, G103, G113, G107
Interior Lights Dimming Schematics
G300, G304
G300, G304
Headlights/DRL Schematics