GM Service Manual Online
For 1990-2009 cars only

Shift Lock Control Schematics BTSI


Object Number: 888868  Size: FP

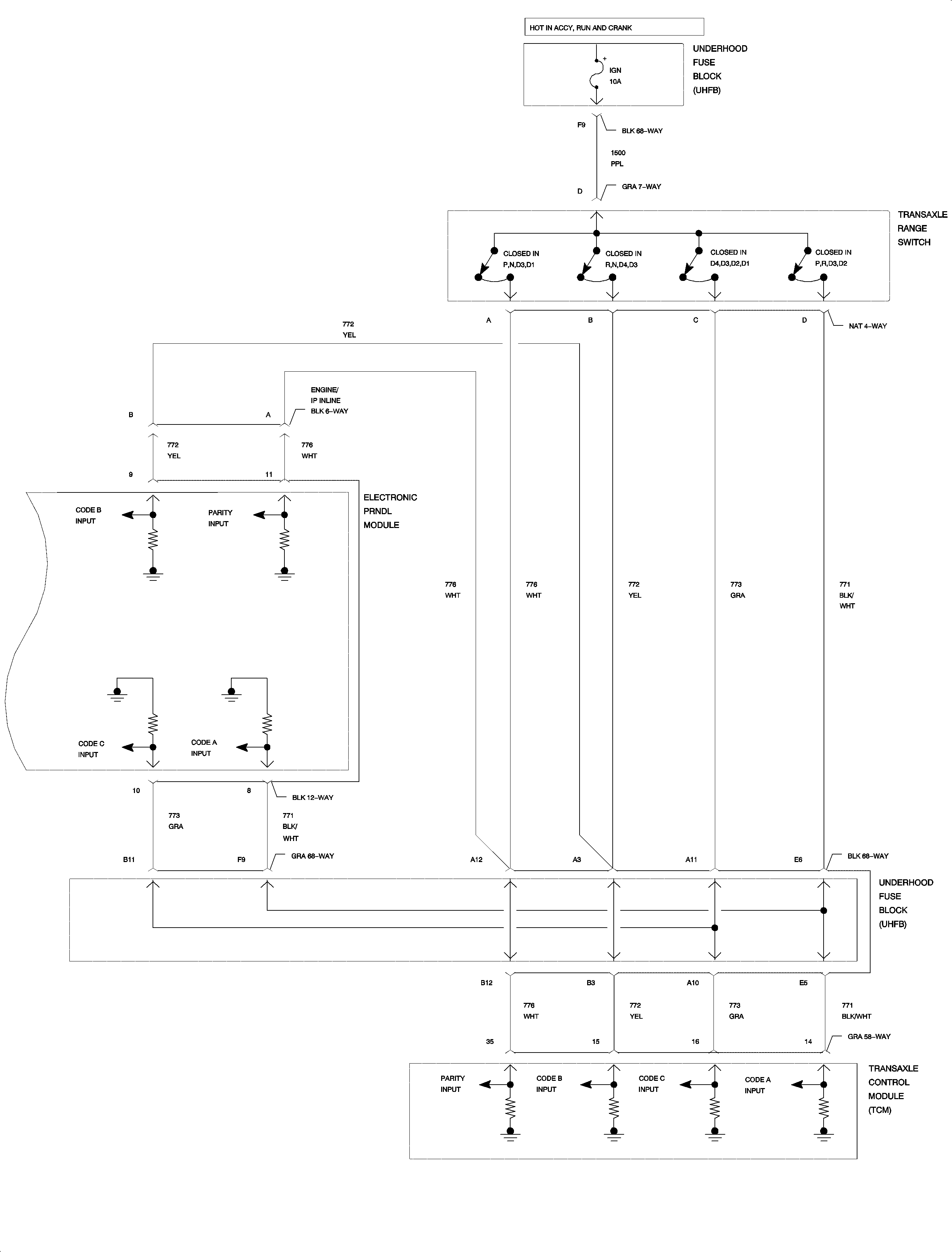
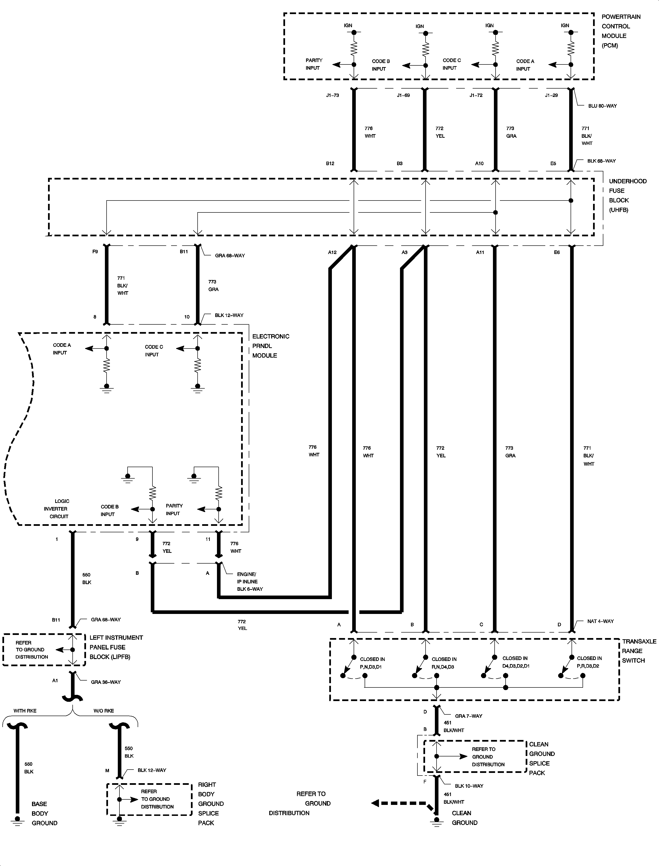
Shift Lock Control Schematics L61

Figure 1:

1 of 2


Object Number: 891087  Size: FP
Figure 2:

2 of 2


Object Number: 886568  Size: FP

Shift Lock Control Schematics L81

Figure 1:

1 of 2


Object Number: 891087  Size: FP
Figure 2:

2 of 2


Object Number: 886564  Size: FP