GM Service Manual Online
For 1990-2009 cars only
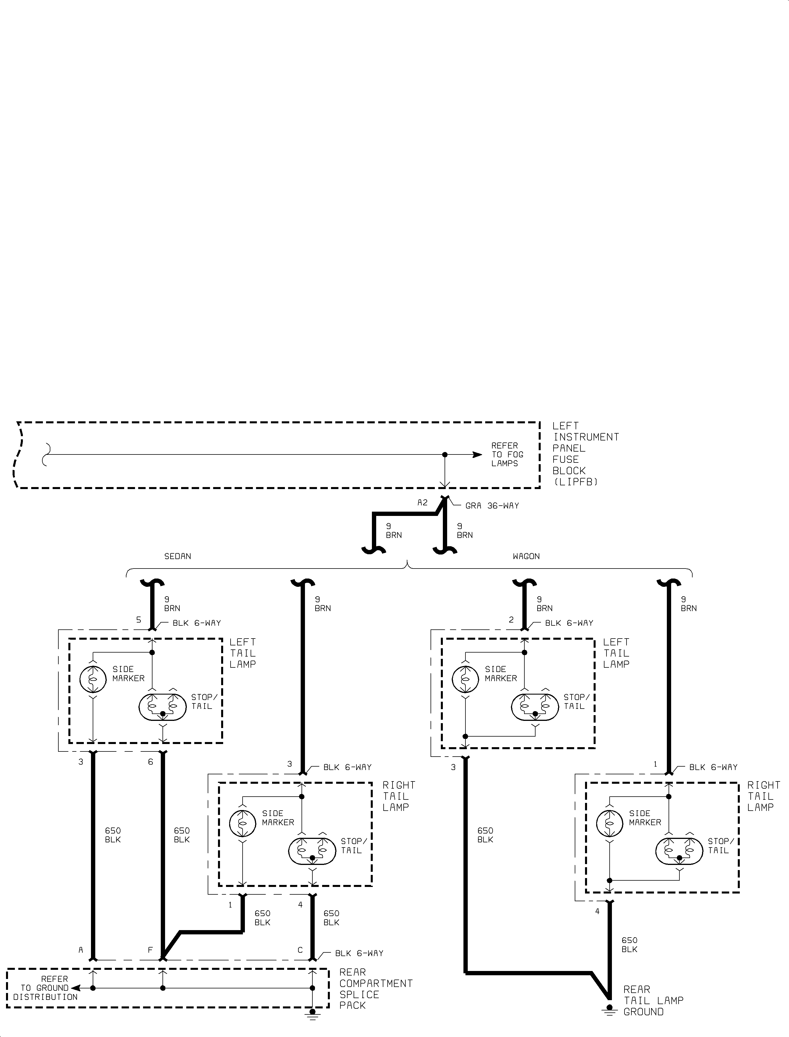
Figure 1:

(1 of 5) - Exterior Lamps


Object Number: 890654  Size: FP
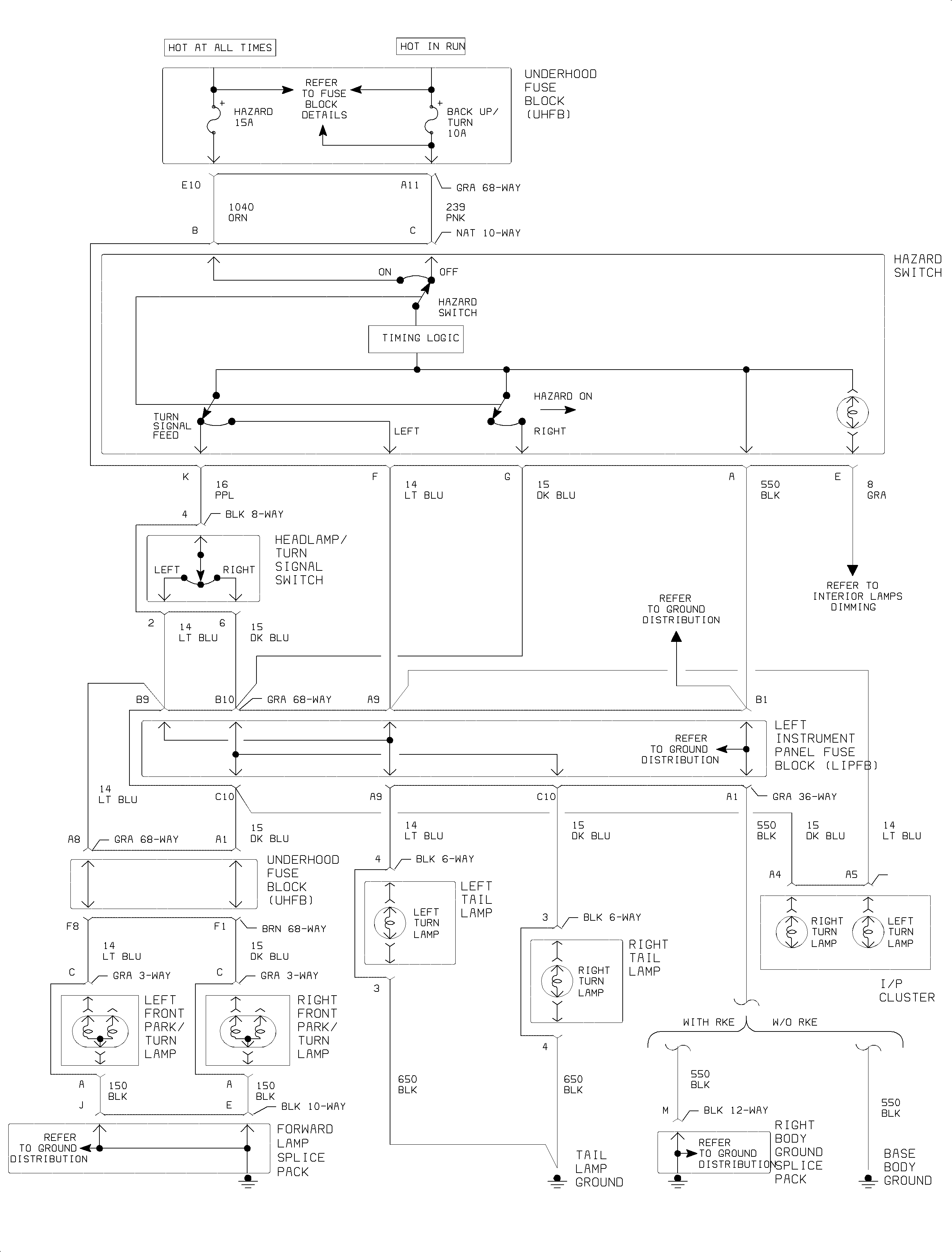
Figure 2:

(2 of 5) - Exterior Lamps


Object Number: 890657  Size: FP
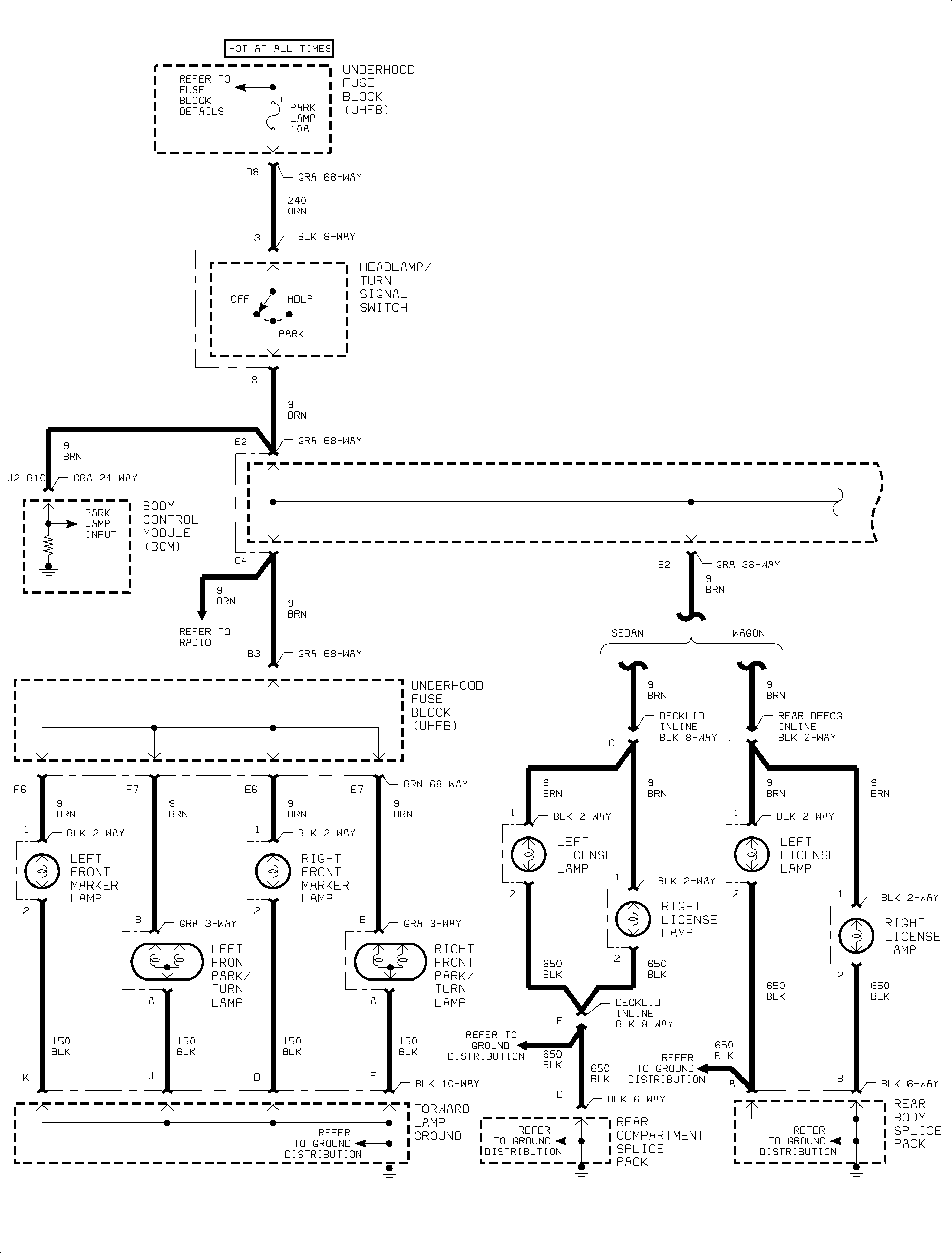
Figure 3:

(3 of 5) - Exterior Lamps


Object Number: 890660  Size: FP
Figure 4:

(4 of 5) - Exterior Lamps


Object Number: 890663  Size: FP
Figure 5:

(5 of 5) - Exterior Lamps


Object Number: 890824  Size: FP