GM Service Manual Online
For 1990-2009 cars only
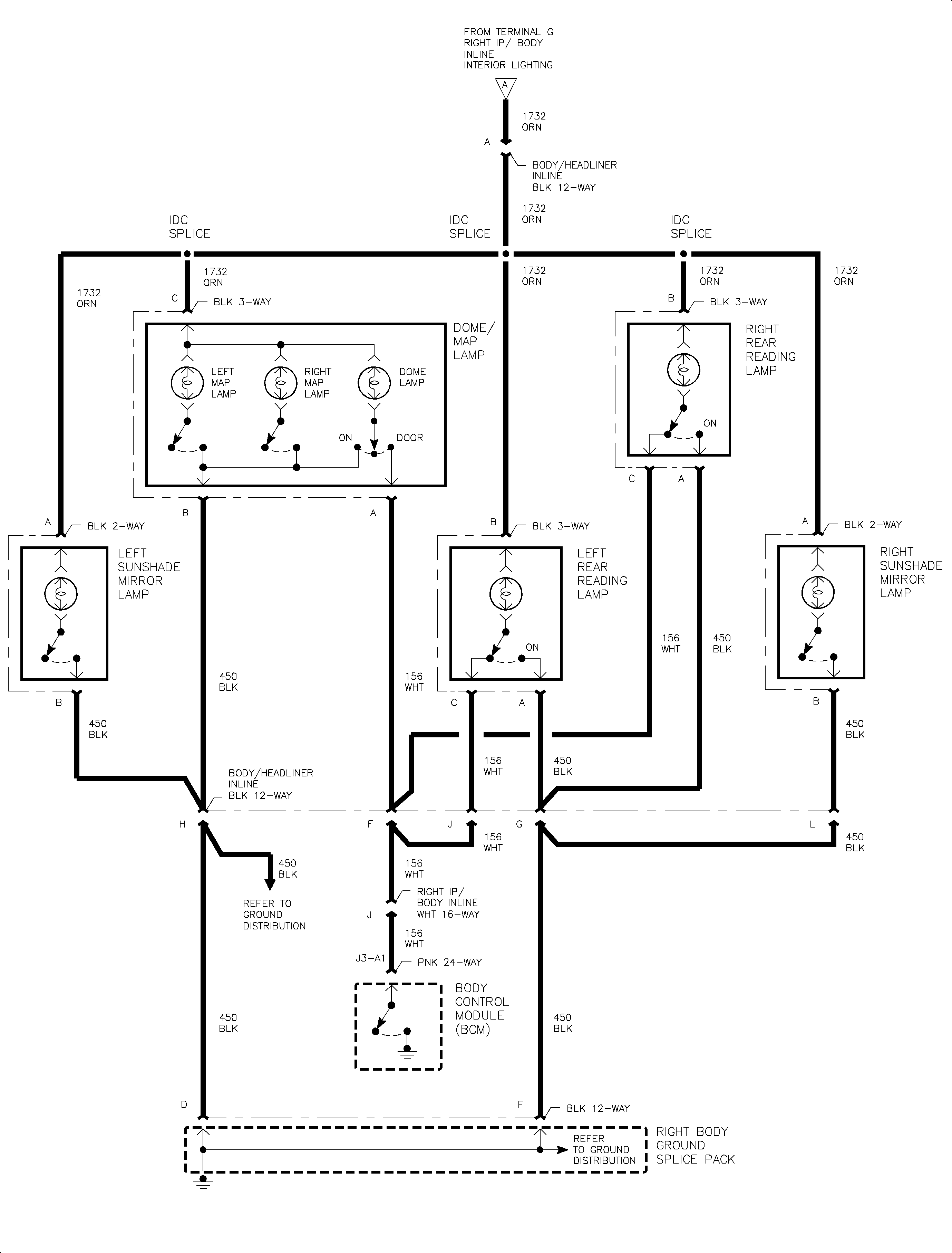
Figure 1:

(1 of 4) - Interior Lamps


Object Number: 890937  Size: FP
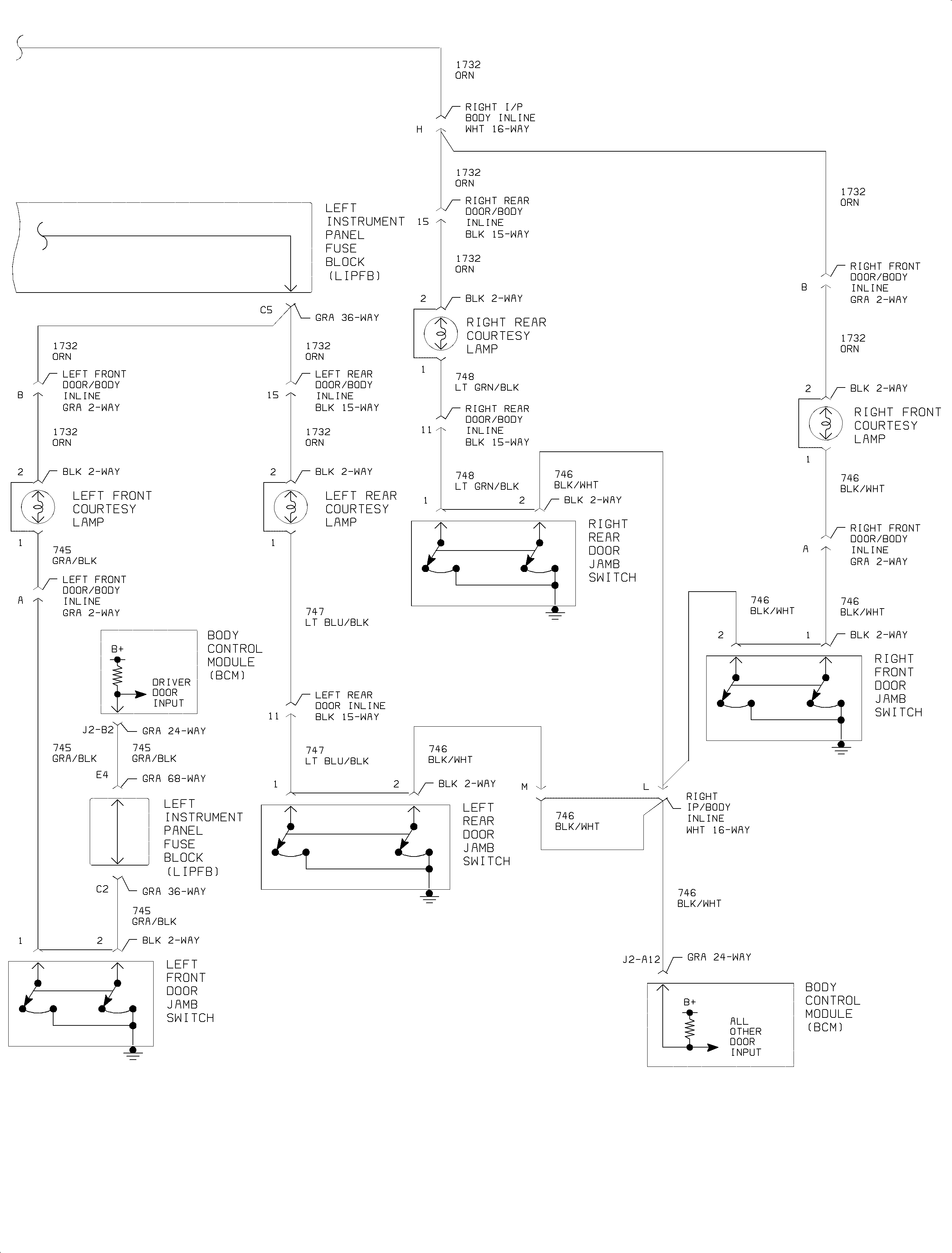
Figure 2:

(2 of 4) - Interior Lamps


Object Number: 890939  Size: FP
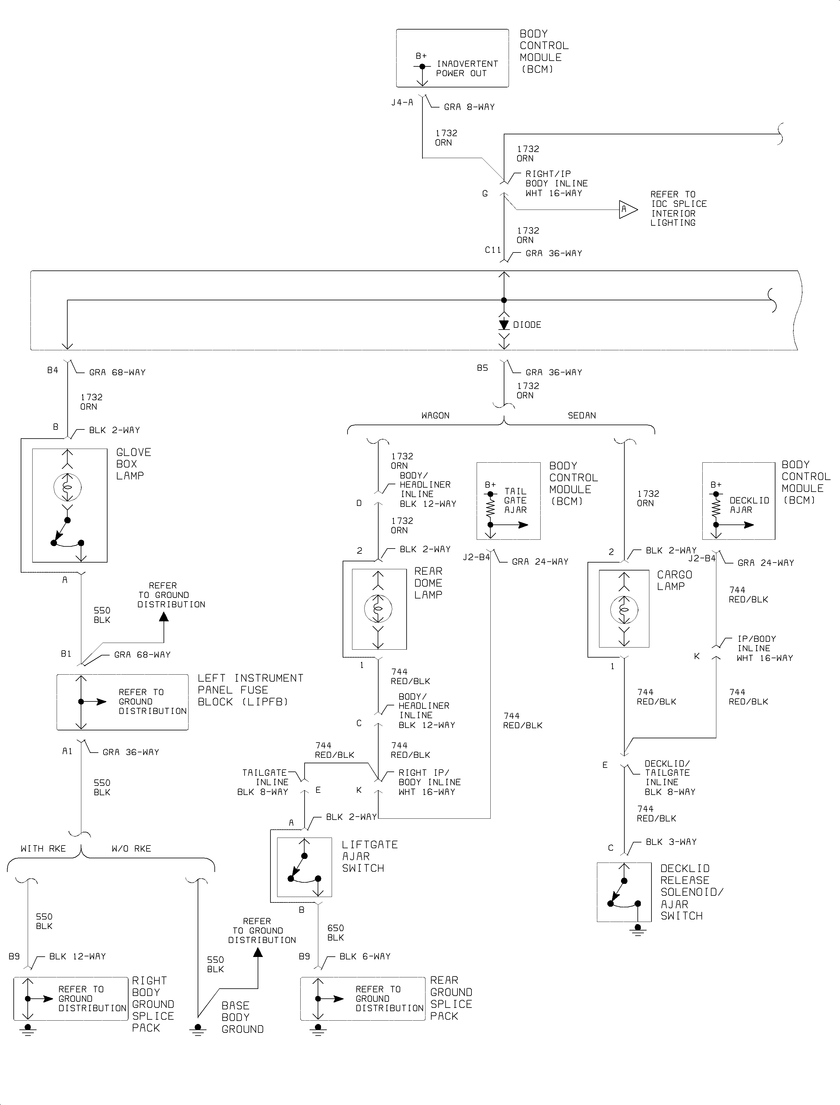
Figure 3:

(3 of 4) - Interior Lamps Without RKE


Object Number: 890940  Size: FP
Figure 4:

(4 of 4) - Interior Lamps With RKE


Object Number: 891838  Size: FP