GM Service Manual Online
For 1990-2009 cars only
Makes
🢒
Saturn
🢒
2000
🢒
L300/LW300
🢒
Body and Accessories
🢒
Stationary Windows
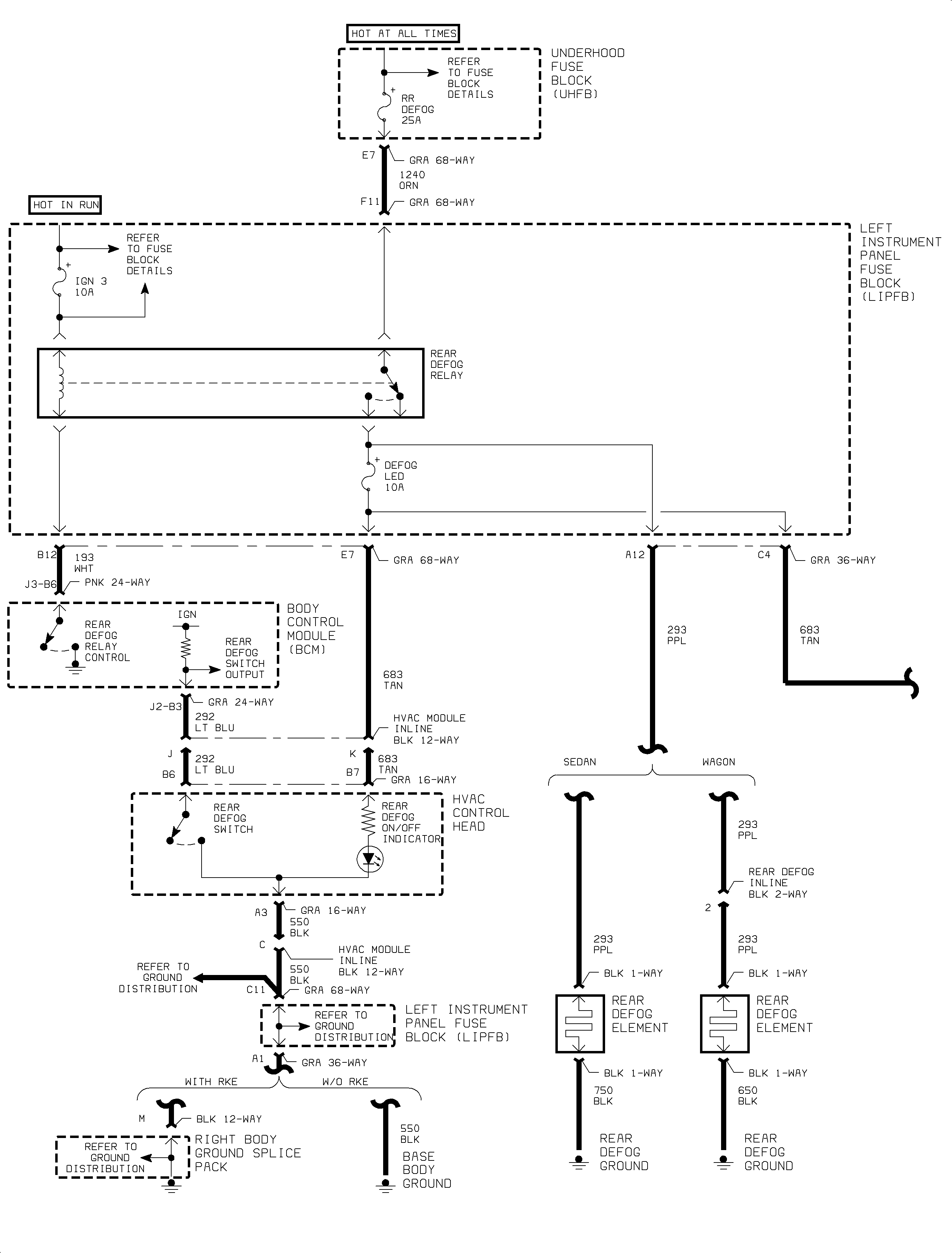
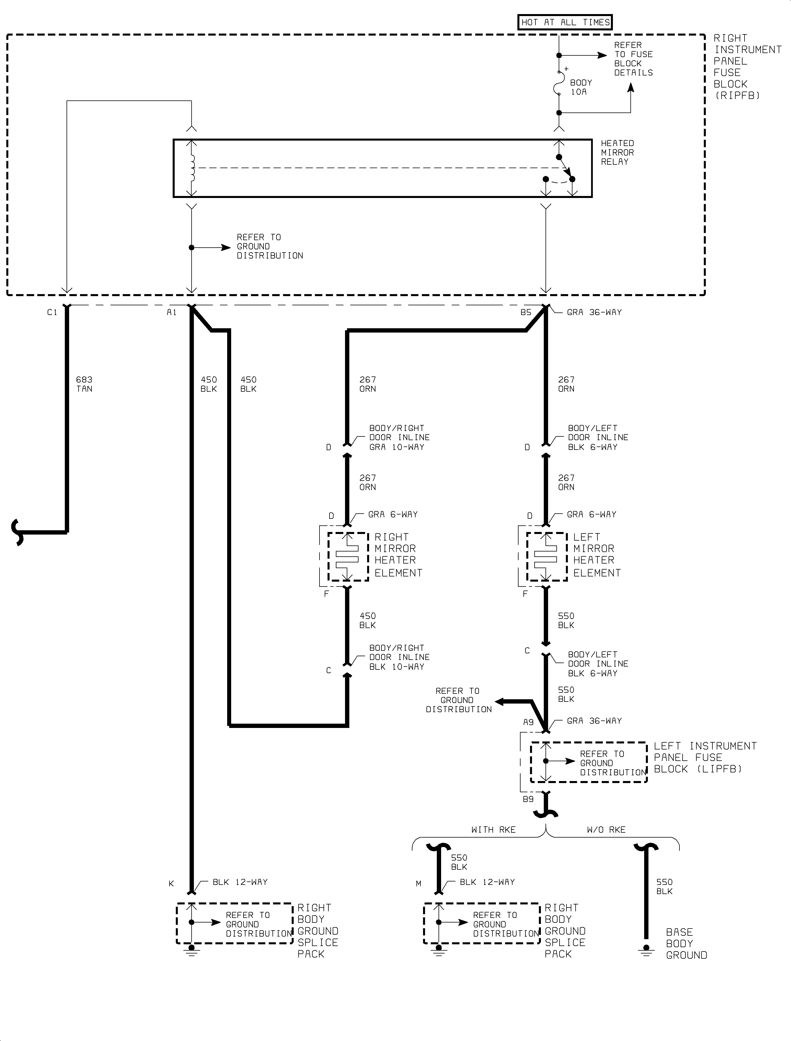
🢒 Defogger Schematics
Figure
1:
(1 of 2)
Figure
2:
(2 of 2)