GM Service Manual Online
For 1990-2009 cars only

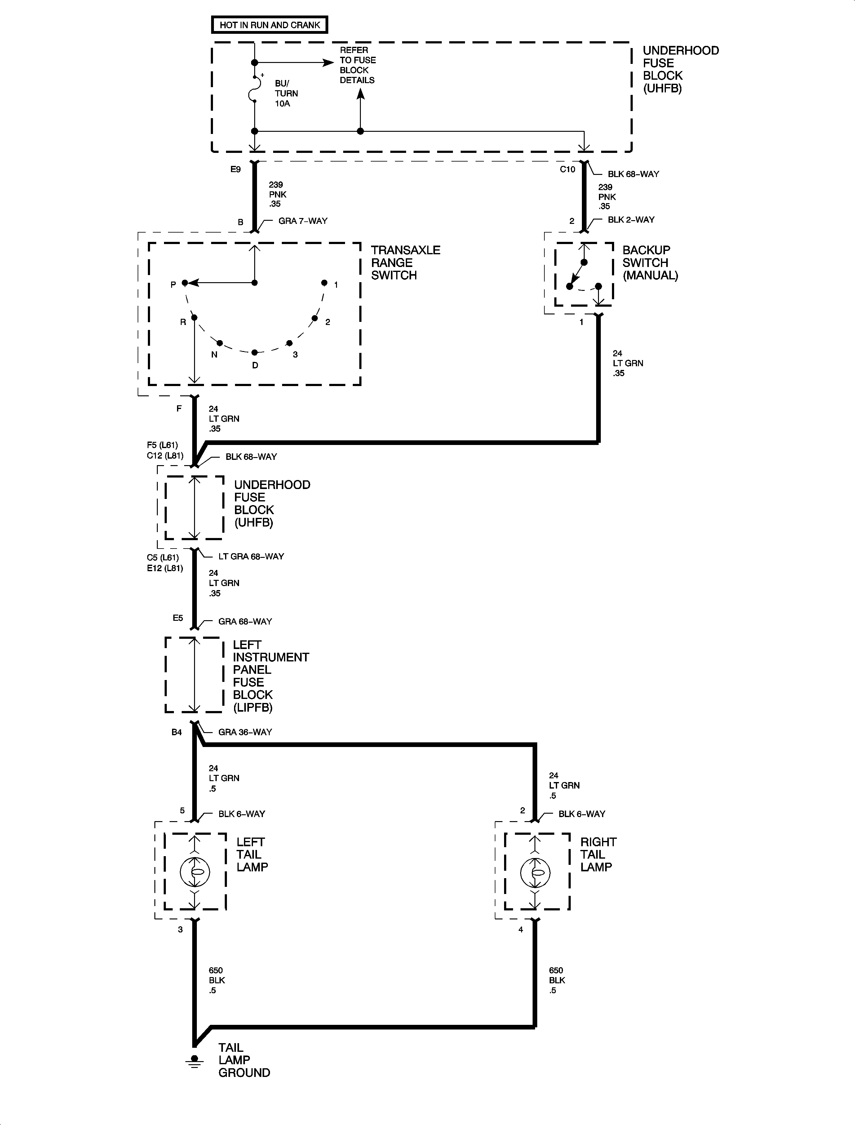
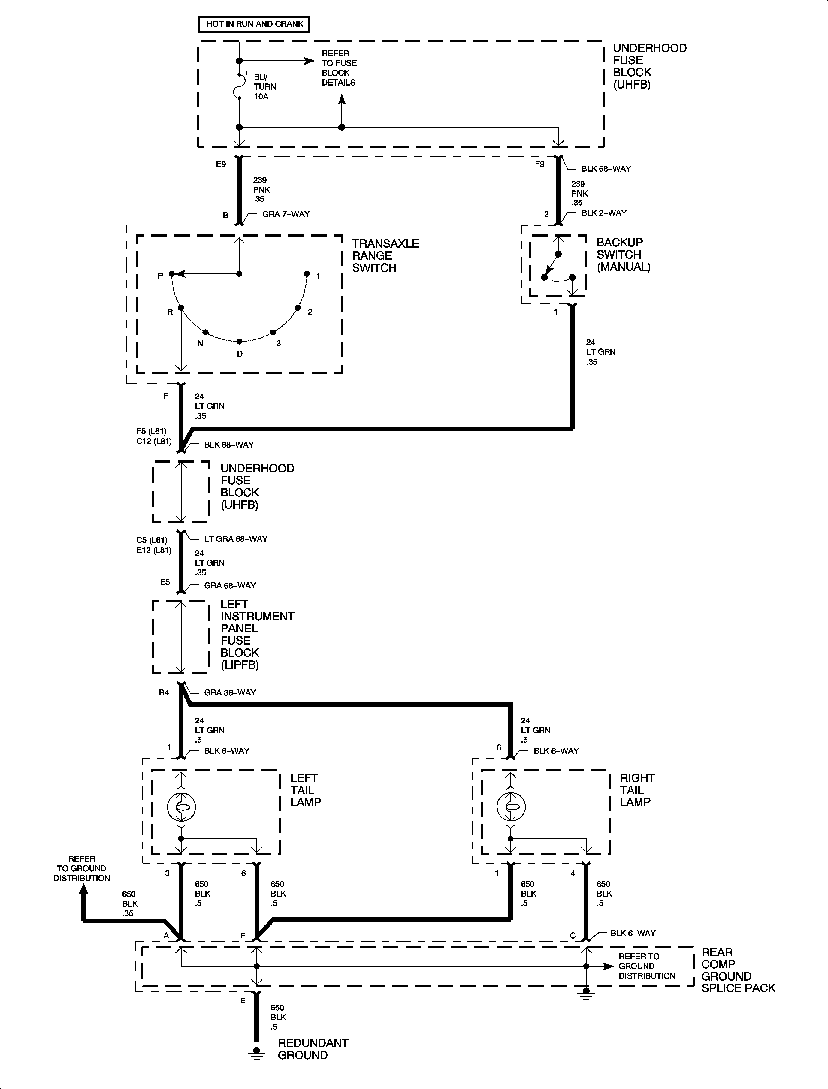
Service Manual Update for 2000 and 2001 L Series Body/Electrical Volume II Service Manuals Regarding Missing Back-Up Lamp Schematics for Sedan and Wagon

Subject:Service Manual Update for 2000 and 2001 L-Series Body/Electrical Volume II Service Manuals Regarding Missing Back-up Lamp Schematics for Sedan and Wagon

Models:2000 - 2001 Saturn L-Series Vehicles



Purpose:

The purpose of this bulletin is to update all the 200 and 2001 L-Series Body/Electrical Volume II Service Manuals at your location.

Please obtain all the 2000 and 2001 L-Series Body/Electrical Volume II Service Manuals and make the necessary updates as indicated below.

  1. Remove the staple from the upper corner of this bulletin.
  2. Make additional copes of pages 3 and 4 in this bulletin as necessary.
  3. Insert page 3 and 4 of this bulletin as indicated below.
  4. • 2000 L-Series Body/Electrical Volume II Service Manual between pages 72 and 73.
    • 2001 L-Series Body/Electrical Volume II Service Manual between pages 78 and 79.

Object Number: 888871  Size: FP

Object Number: 888873  Size: FP