GM Service Manual Online
For 1990-2009 cars only

Object Number: 891319  Size: MF

Circuit Description

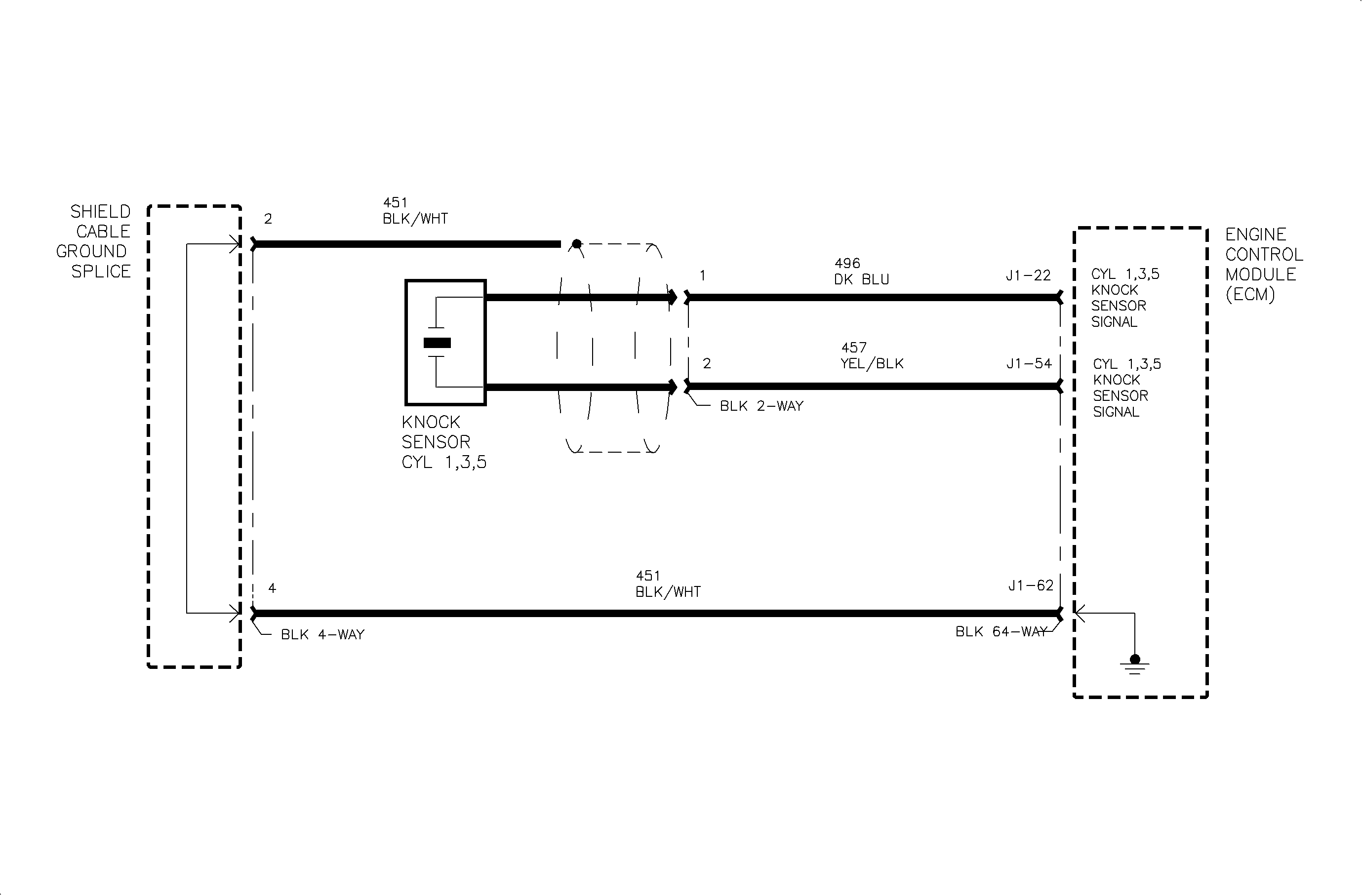
Knock sensors are used to detect engine detonation. The ECM will retard the spark timing based on signals from the knock sensor module. The knock sensors produce an AC voltage signal that is proportional to the amount of vibration the engine is experiencing. The ECM records a fault when the engine noise falls below a certain threshold (based on engine load and speed). After 20 faults have been recorded this code will set.

DTC Parameters

DTC P0327 will set if there is a fault in the knock sensor system and the following conditions are met:

    • The ECM has learned a minimum noise level at idle for 5 seconds and does not detect a change in noise level between 2500-3500 rpm for 5 seconds
    • ECT is greater than 40°C (104°F)
    • Engine run time is greater than 10 seconds
    • Engine speed is greater than 2000 rpm.
    • No ECM internal failure codes are set.

P0327 is a (type C) DTC.

Diagnostic Aids

To locate an intermittent problem use the scan tool to monitor knock sensor 1 voltage with engine running.

Wiggling wires while monitoring knock sensor 1 voltage may locate area where an open or short to ground may exist.

This code will set if the knock sensor is not properly bolted to the engine block.


Object Number: 888180  Size: FP