GM Service Manual Online
For 1990-2009 cars only

Object Number: 891349  Size: MF

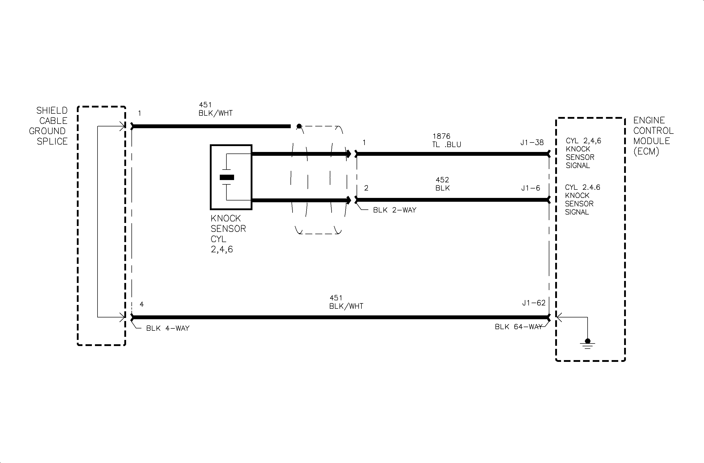
Circuit Description

Knock sensors are used to detect engine detonation. The ECM will retard the spark timing based on signals from the knock sensor module. The knock sensors produce an AC voltage signal that is proportional to the amount of vibration the engine is experiencing. The ECM records a fault when the engine noise exceeds a certain threshold (based on engine load and speed). After 20 faults have been recorded, this code will set.

DTC Parameters

DTC P0333 will set if there is a fault in knock sensor system and the following conditions are met:

    • ECT is greater than 40°C (104°F)
    • Engine run time is greater than 10 seconds
    • Engine speed is greater than 2000 rpm
    • No ECM internal fault codes are set

P0333 is a (type C) DTC.

Diagnostic Aids

To locate an intermittent problem use the scan tool to monitor knock sensor 2 voltage with engine running.

Wiggling wires while monitoring knock sensor 2 voltage may locate area where a short to voltage may exist.

Possible Causes:

    • Valve Lifter Noise
    • Belt Tensioner
    • Loose Bracket
    • Low Octane Fuel in High Ambients while Pulling Loads
    • Piston/Cylinder bore scuffed
    • A/C Compressor

The ECM has the ability to learn spark retard. If knock is present long enough a reduced power condition may result due to max spark retard. Spark will eventually be returned to normal when knock condition is corrected.


Object Number: 888184  Size: FP