GM Service Manual Online
For 1990-2009 cars only

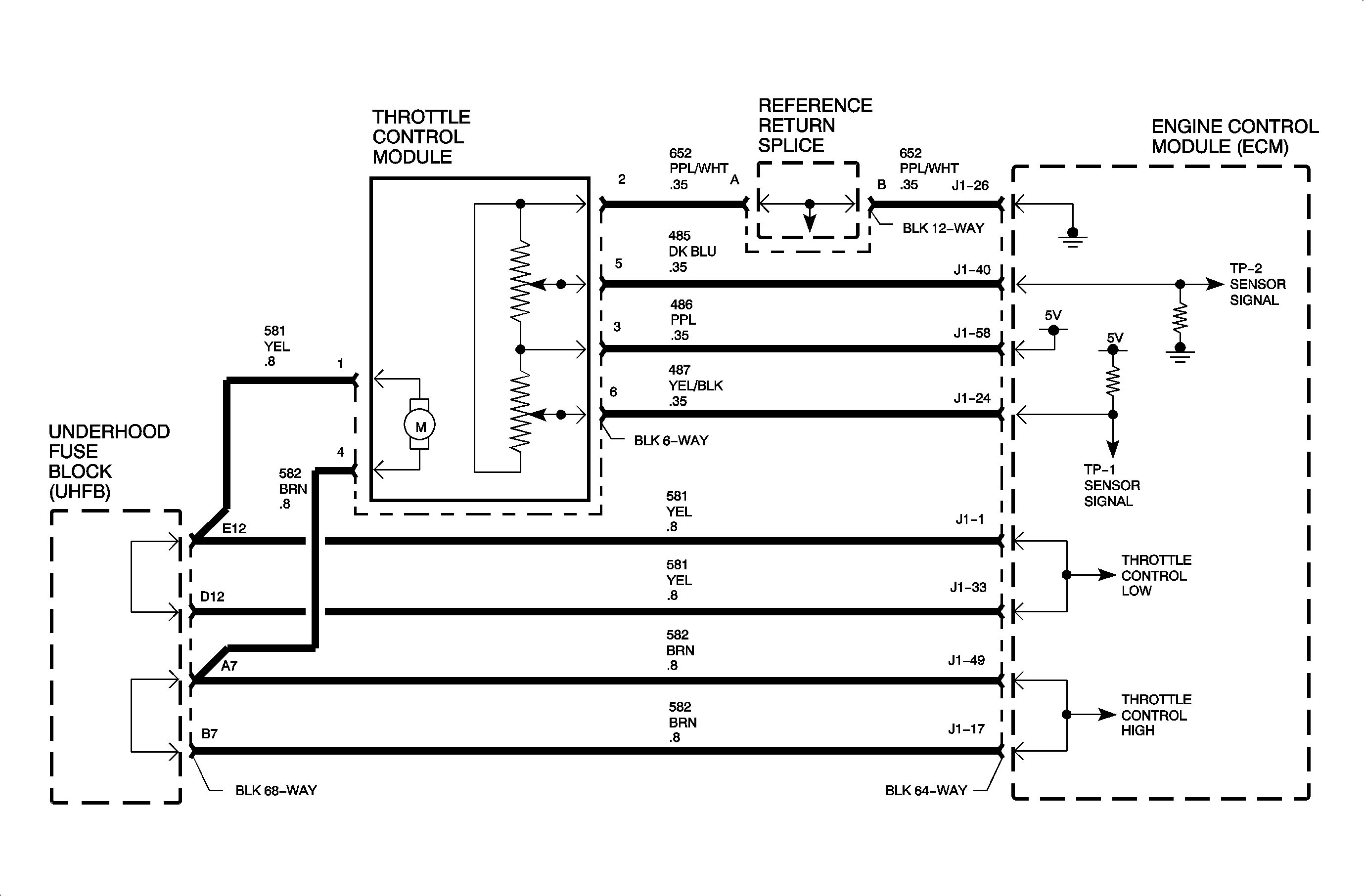
Object Number: 889464  Size: MF

Every time a throttle body or ECM are replaced, or there is a loss of battery power, the ECM must re-learn the throttle. Turn ignition On (engine Off) for 1 minute to allow this re-learn process to take place. The ECM learns the travel of the throttle butterfly, and records sensor readings at extreme position. This code will set if this process did not occur after throttle body or ECM replacement or a loss of power. System runs in irreversible reduced power mode.

DTC PARAMETERS

DTC P1526 will set when a throttle re-learn does not occur after a throttle body or ECM replacement, or a loss of battery power.

P1526 is a (type D) DTC

DIAGNOSTIC AIDS

Perform throttle re-learn.