GM Service Manual Online
For 1990-2009 cars only

DTC P0705 L61


Object Number: 887008  Size: FP

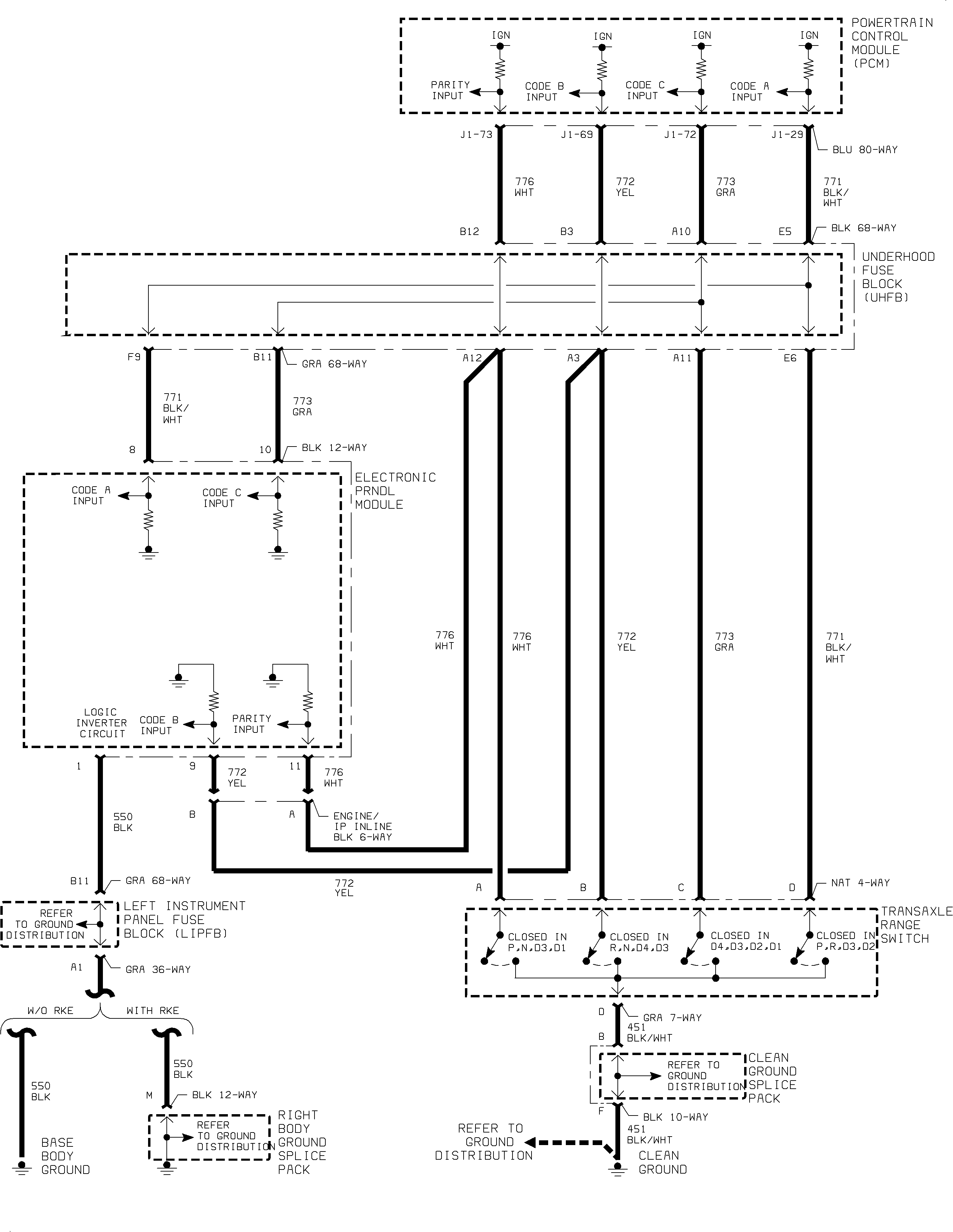
Circuit Description

The transmission range switch is a multi-signal switch which sends a signal to the PCM to indicate gear selection. The transmission range switch uses four discrete circuits to pull four PCM inputs low in various combinations to indicate each gear range. The voltage level of the circuits is represented as OFF = grounded, ON = open circuit. The four states displayed represents the encoder P, A, B and C inputs in sequence.

Conditions for Setting the DTC

    • The PCM recognizes an invalid PRNDL parameter.
    • The vehicle speed is greater than 8 km/h (5 mph).
    • The above conditions are met for greater than five seconds.

Diagnostic Aids

    • Monitor Scan tool while moving the related connectors and wiring harness. If a malfunction occurs, the Scan tool data will change states from either ON to OFF or from OFF to ON. Move the gear selector slowly through each gear while monitoring the Scan tool in order to help isolate the problem.
    • When DTC P0705 sets, the PCM defaults to 4th gear until the PCM receives a correct combination. Therefore, some of the selected gear positions may not be possible until the malfunction is repaired.
 

SCAN TOOL

GEAR

SELECTOR POSITION

TRANS. RANGE

TRANSMISSION RANGE

P

A

B

C

P

Park

OFF

OFF

ON

ON

R

Reverse

ON

OFF

OFF

ON

N

Neutral

OFF

ON

OFF

ON

D

Drive 4

ON

ON

OFF

OFF

3

Drive 3

OFF

OFF

OFF

OFF

2

Drive 2

ON

OFF

ON

OFF

1

Drive 1

OFF

ON

ON

OFF

OFF = Switch Closed = Grounded (0V)

ON = Switch Open = 12V

DTC P0705


Object Number: 887934  Size: FP

Object Number: 887941  Size: FP

Object Number: 887944  Size: FP

Object Number: 887961  Size: FP

DTC P0705 L81


Object Number: 887006  Size: FP

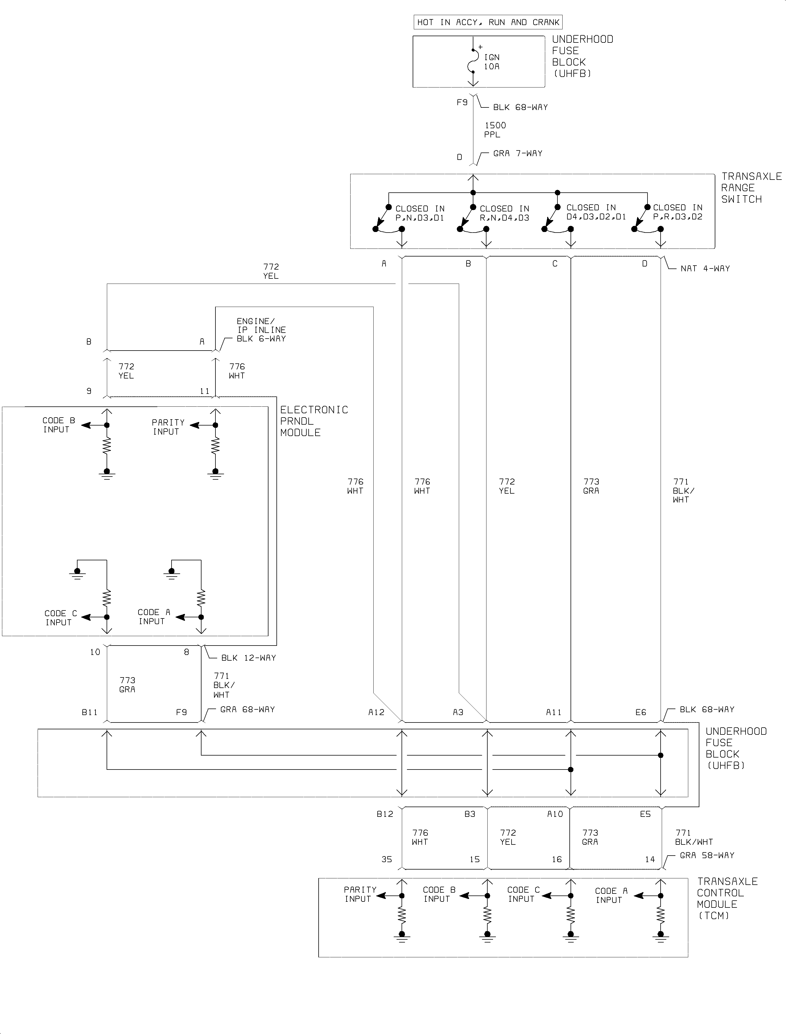
Circuit Description

The transmission range switch is a multi-signal switch which sends a signal to the TCM to indicate gear selection. The transmission range switch uses four discrete circuits to change four TCM input voltages in various combinations to indicate each gear range. The voltage level of the circuits is represented as OFF = open circuit, ON = switch closed. The four states displayed represents the encoder P, A, B and C inputs in sequence.

Conditions for Setting the DTC

    • The TCM recognizes an invalid PRNDL parameter.
    • The vehicle speed is greater than 8 km/h (5 mph).
    • The above conditions met for greater than five seconds.

Diagnostic Aids

    • Monitor Scan tool while moving the related connectors and wiring harness. If a malfunction occurs, the Scan data will change states from either ON to OFF or from OFF to ON. Move the gear selector slowly through each gear while monitoring the Scan tool in order to help isolate the problem.
    • When DTC P0705 sets, the TCM defaults to 4th gear until the TCM receives a correct combination. Therefore, some of the selected gear positions may not be possible until the malfunction is repaired.
 

SCAN TOOL

GEAR

SELECTOR POSITION

TRANS. RANGE

TRANSMISSION RANGE

P

A

B

C

P

Park

ON

ON

OFF

OFF

R

Reverse

OFF

ON

ON

OFF

N

Neutral

ON

OFF

ON

OFF

D

Drive

OFF

OFF

ON

ON

3

3rd

ON

ON

ON

ON

2

2nd

OFF

ON

OFF

ON

1

1st

ON

OFF

OFF

ON

OFF = Switch Open = (0V)

ON = Switch Closed = 12V

DTC P0705


Object Number: 887963  Size: FP

Object Number: 887964  Size: FP

Object Number: 887965  Size: FP

Object Number: 887966  Size: FP

Object Number: 887967  Size: FP