GM Service Manual Online
For 1990-2009 cars only

DTC P0716 L61


Object Number: 889665  Size: MF

Circuit Description

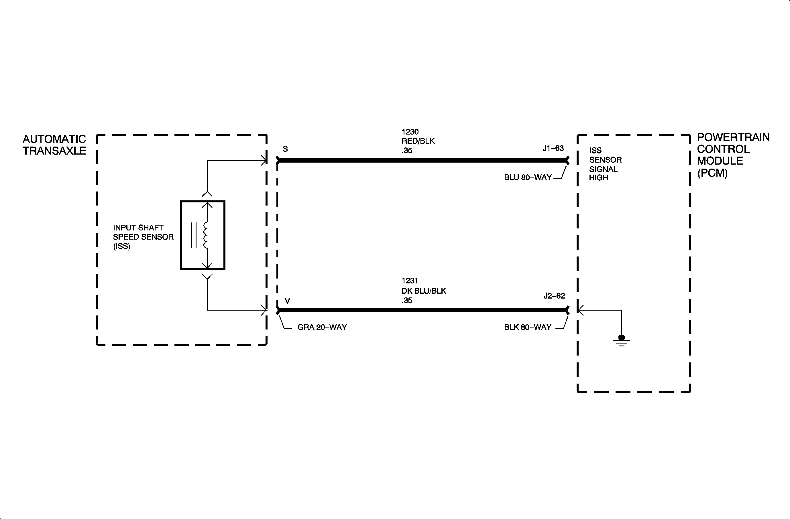
The input speed sensor (ISS) provides transaxle input speed to the PCM. The ISS is a permanent magnet (PM) generator. The sensor mounts into the transaxle case and maintains a slight air gap between the sensor and the drive sprocket. The PM generator produces an AC voltage as the drive sprocket rotor teeth pass through the sensor's magnetic field. The AC voltage level increases as the turbine shaft speed increases. The PCM converts the AC voltage into a digital signal. The PCM determines actual turbine speed using the digital signal. The PCM uses the input speed to calculate torque converter slip speed and gear ratios.

Conditions for Setting the DTC

DTC P0716 will set if the PCM detects that input shaft speed (transmission ISS) has changed by more than 1300 rpm within 0.8 seconds when the following conditions have been met:

    • Engine is running
    • Vehicle speed is greater than 8 km/h (5 mph).
    • TP sensor is greater than 15%
    • No 1-2 shift solenoid, 2-3 shift solenoid, OSS sensor, TP sensor or P0717 DTCs have been set.

P0716 is a type B DTC.

Diagnostic Aids

Check wire routing for possible chafed wires.

DTC P0716


Object Number: 887972  Size: FP

DTC P0716 L81


Object Number: 889770  Size: MF

Circuit Description

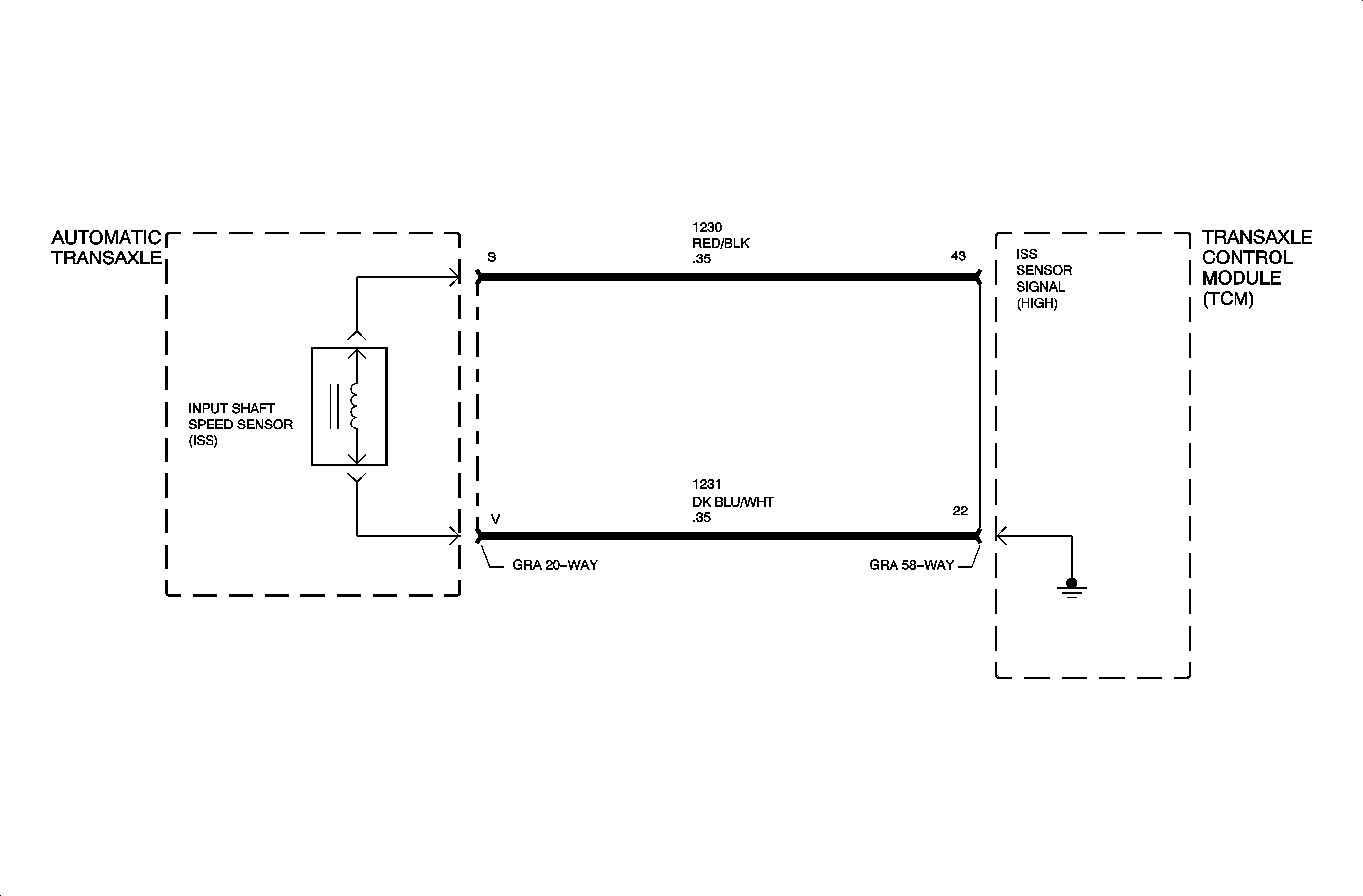
The input speed sensor (ISS) provides transaxle input speed to the TCM. The ISS is a permanent magnet (PM) generator. The sensor mounts into the transaxle case and maintains a slight air gap between the sensor and the drive sprocket. The PM generator produces an AC voltage as the drive sprocket rotor teeth pass through the sensor's magnetic field. The AC voltage level increases as the turbine shaft speed increases. The TCM converts the AC voltage into a digital signal. The TCM determines actual turbine speed using the digital signal. The TCM uses the input speed to calculate torque converter slip speed and gear ratios.

Conditions for Setting the DTC

DTC P0716 will set if the TCM detects that input shaft speed (transmission ISS) has changed by more than 1300 rpm within 0.8 seconds when the following conditions have been met:

    • Engine is running
    • Vehicle speed is greater than 8 km/h (5 mph)
    • TP sensor is greater than 15%
    • No 1-2 shift solenoid, 2-3 shift solenoid, OSS sensor, TP sensor or P0717 DTCs have been set

P0716 is a type B DTC.

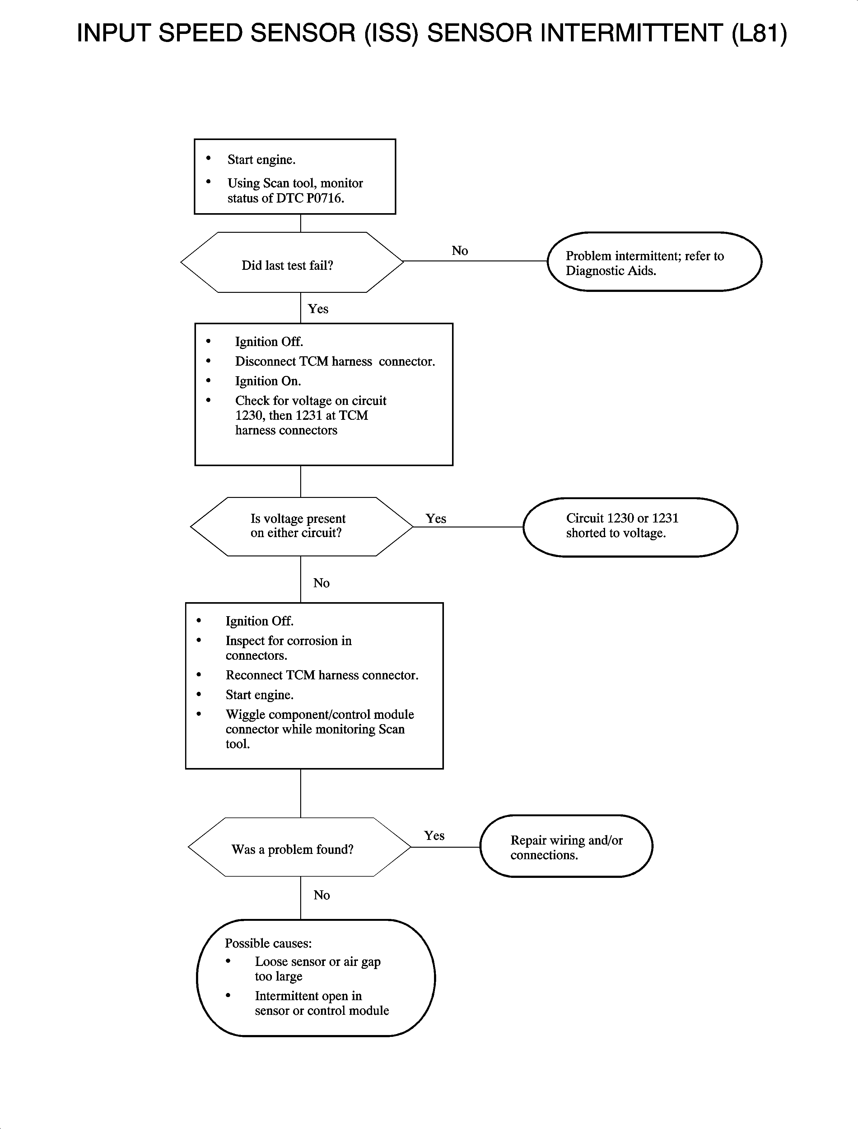
Diagnostic Aids

    • If the engine is running and the vehicle is moving above 12 km/h (7 mph), the input speed must be non-zero.
    • Inspect the wiring at the TCM, the transmission connector and the A/T connector for the following conditions:
       - A bent terminal
       - A backed-out terminal
       - A damaged terminal
       - Poor terminal tension
       - A chafed wire
       - A broken wire inside the insulation
       - Moisture intrusion
       - Corrosion
    • When diagnosing for an intermittent short or open condition, massage the wiring harness while watching the test equipment for a change.

DTC P0716


Object Number: 887973  Size: FP