GM Service Manual Online
For 1990-2009 cars only

Object Number: 891279  Size: MF

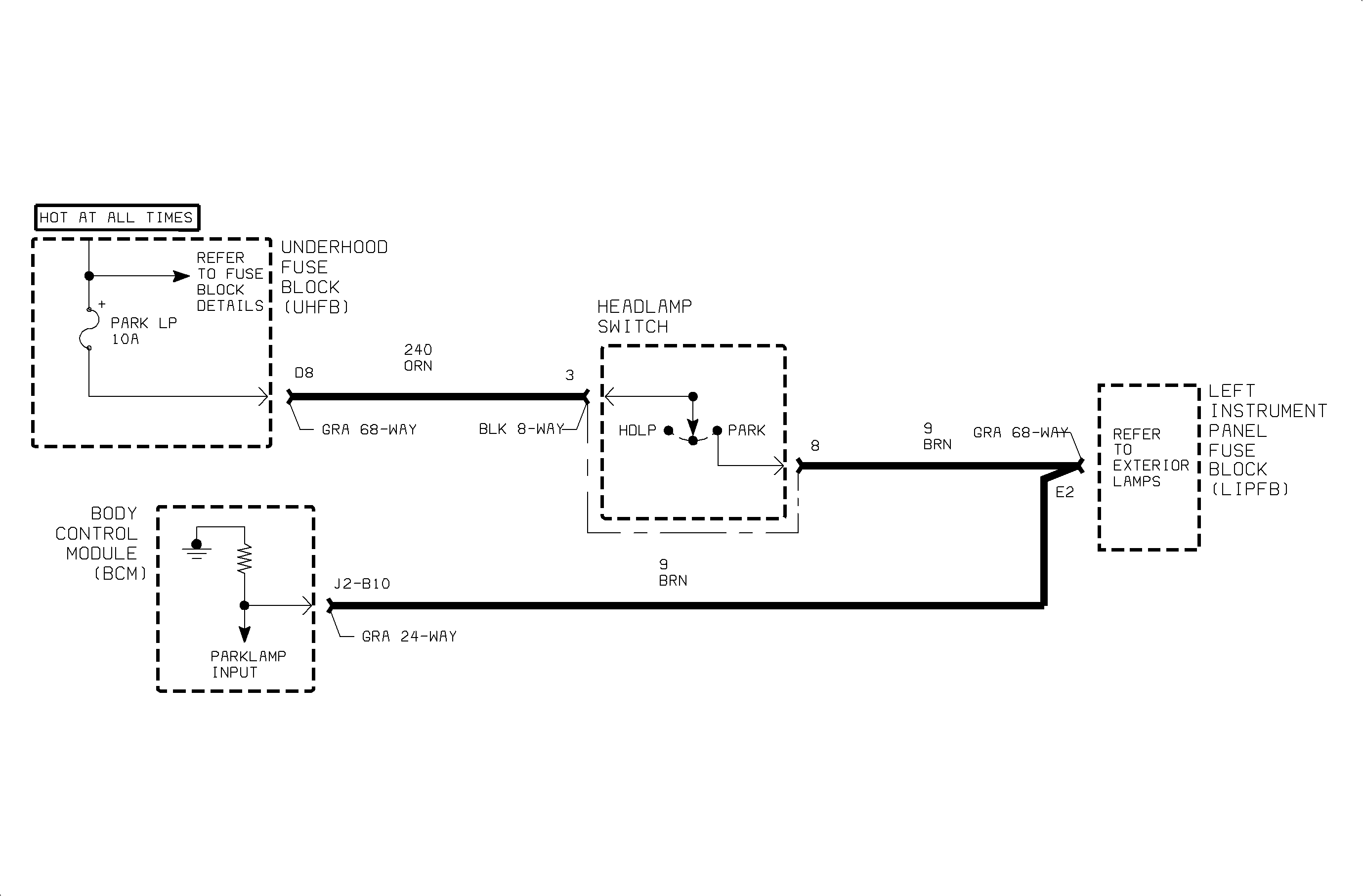
Circuit Description

The body control module (BCM) compares the state of the park lamp CKT 9 to the high beam headlamp CKT 1200 and the low beam headlamp CKT 1201.

If the park lamp circuit is grounded/open and either the low beam circuit is at battery voltage or the high beam circuit is grounded, diagnostic code B2662 will set.

Conditions for Setting the DTC

    • Headlamp switch On.
    • CKT 9 grounded or open.
    • Conditions present for 1 second.

Diagnostic Aids

    • Check for poor connection at the BCM. Inspect harness connectors for backed out terminals, improper terminal mating, broken connector locks, improperly formed or damaged terminals and poor terminal-to-wire connection -- terminal crimped over wire insulation and not conductors.
    • Inspect wiring harness for damage. Check for broken or chaffed insulation.
    • Check for poor connection at the headlamp switch.
    • If fault is suspected to be intermittent, wiggling harness wiring may help in locating fault.

Object Number: 887215  Size: FP