GM Service Manual Online
For 1990-2009 cars only

Object Number: 891483  Size: MF

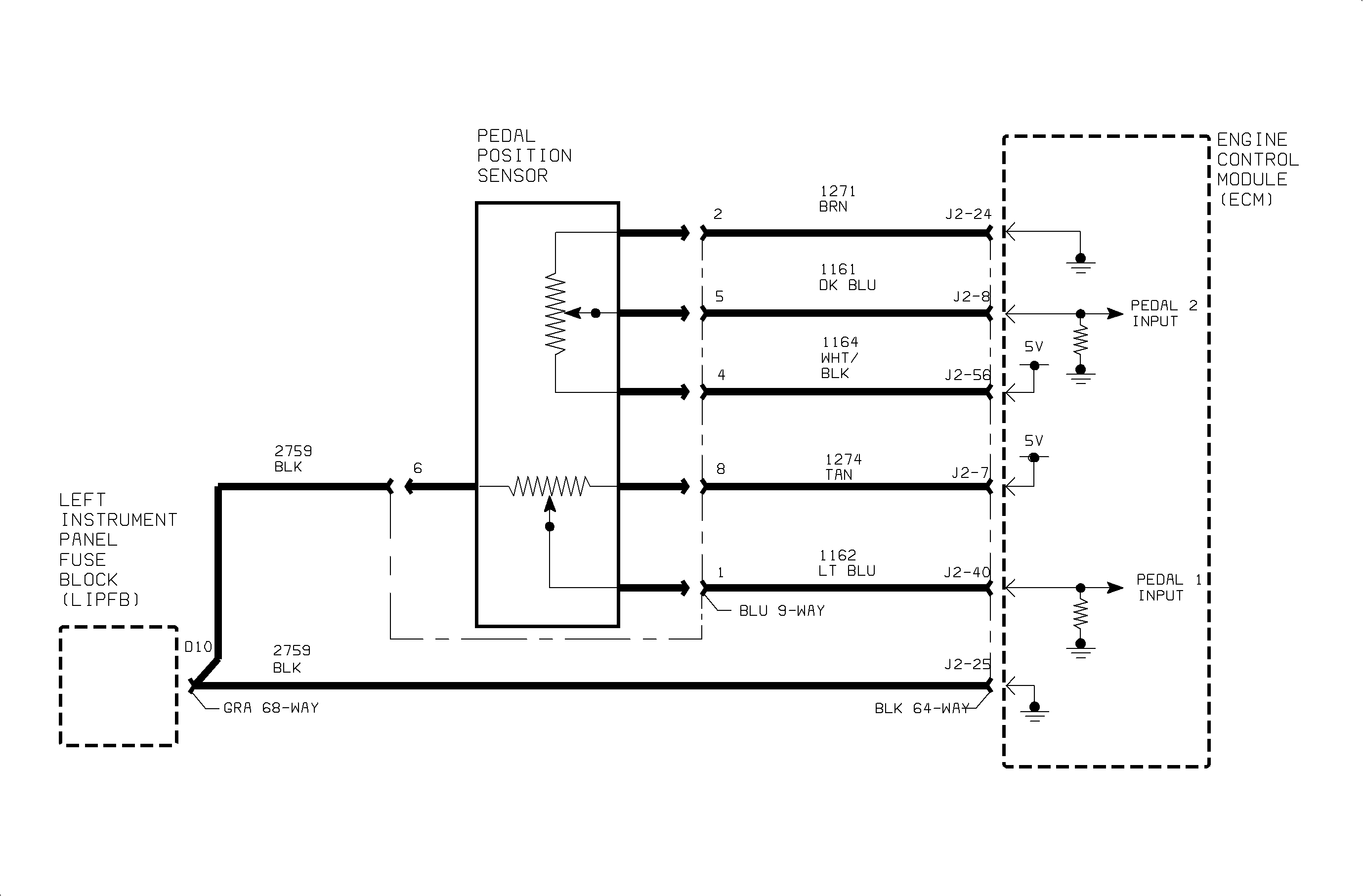
Circuit Description

The accelerator pedal position (APP) sensor system consists of two independent sensors that read differently scaled values of one another in order to command the throttle butterfly to a particular position. The APP sensor signal circuits are monitored continuously. This DTC will set if the ECM decides that the two signal inputs are in disagreement.

DTC Parameters

DTC P1271 will set if APP 1 and APP 2 provide conflicting data to ECM when:

    • Battery voltage greater than 7 volts
    • Condition exists for longer than 140 milliseconds

P1271 is a (type A) DTC.

Diagnostic Aids

Using scan tool, monitor APP Sensor 1 and APP Sensor 2 with ignition On, engine Off, and:

  1. Accelerator pedal at normal rest position.
  2. Accelerator pedal pressed completely to floor.

Voltage should be within 0.1 volts of:

 

Rest

Accelerator Pedal to Floor

APP Sensor 1

0.40

3.80

APP Sensor 2

0.20

1.90

If voltage readings are not as above, replace APP sensor assembly.