GM Service Manual Online
For 1990-2009 cars only

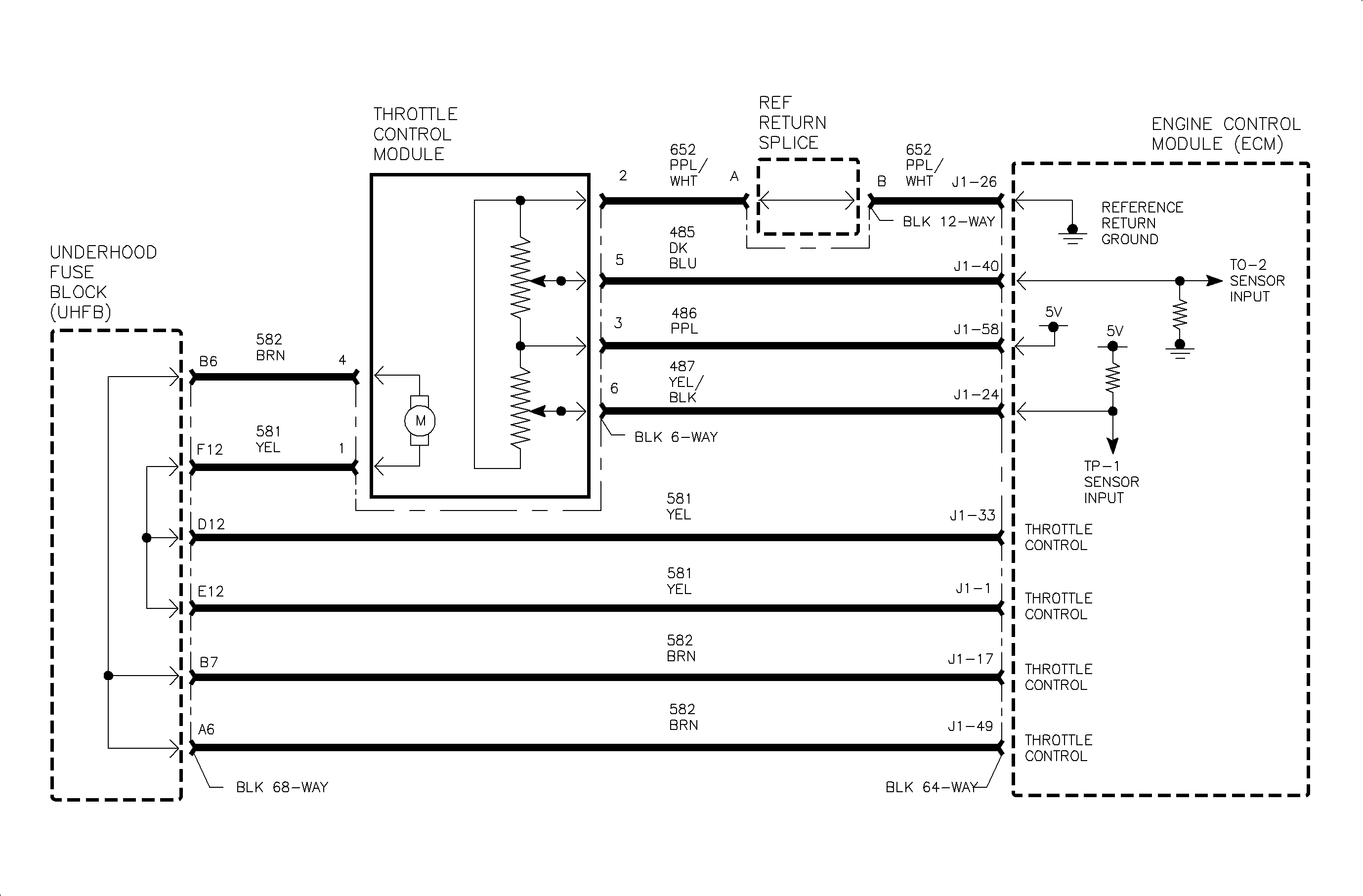
Object Number: 891484  Size: MF

Circuit Description

The ECM determines the exact position of the throttle butterfly with the use of two independent oppositely scaled sensors. This code is associated with a range check. If either sensor signal exceeds the upper or lower limit for a short period of time, the DTC will set. This indicates the throttle butterfly is outside of its acceptable range of position. The ECM requests temporary safety fuel deactivation and the vehicle enters a limp home state. Normal throttle operation may resume after a fault is recorded, in which case the vehicle is returned to its normal drive mode.

DTC Parameters

DTC P1510 will set if the throttle plate is outside the upper limit (greater than 80%) or the lower limit (less than 20%) when:

    • Condition exists for longer than 0.6 seconds (for the upper limit) or longer than 5.0 seconds (for the lower limit)
    • Battery voltage greater than 7 volts

P1510 is a (type A) DTC.

Diagnostic Aids

Possible causes:

    • Weakened springs in throttle assembly
    • Throttle plate forced to extreme position by surge of air, carbon deposits
    • Circuit failure to throttle motor
    • Throttle position sensor not functioning properly (check for TP sensor DTCs)
    • Throttle body