GM Service Manual Online
For 1990-2009 cars only

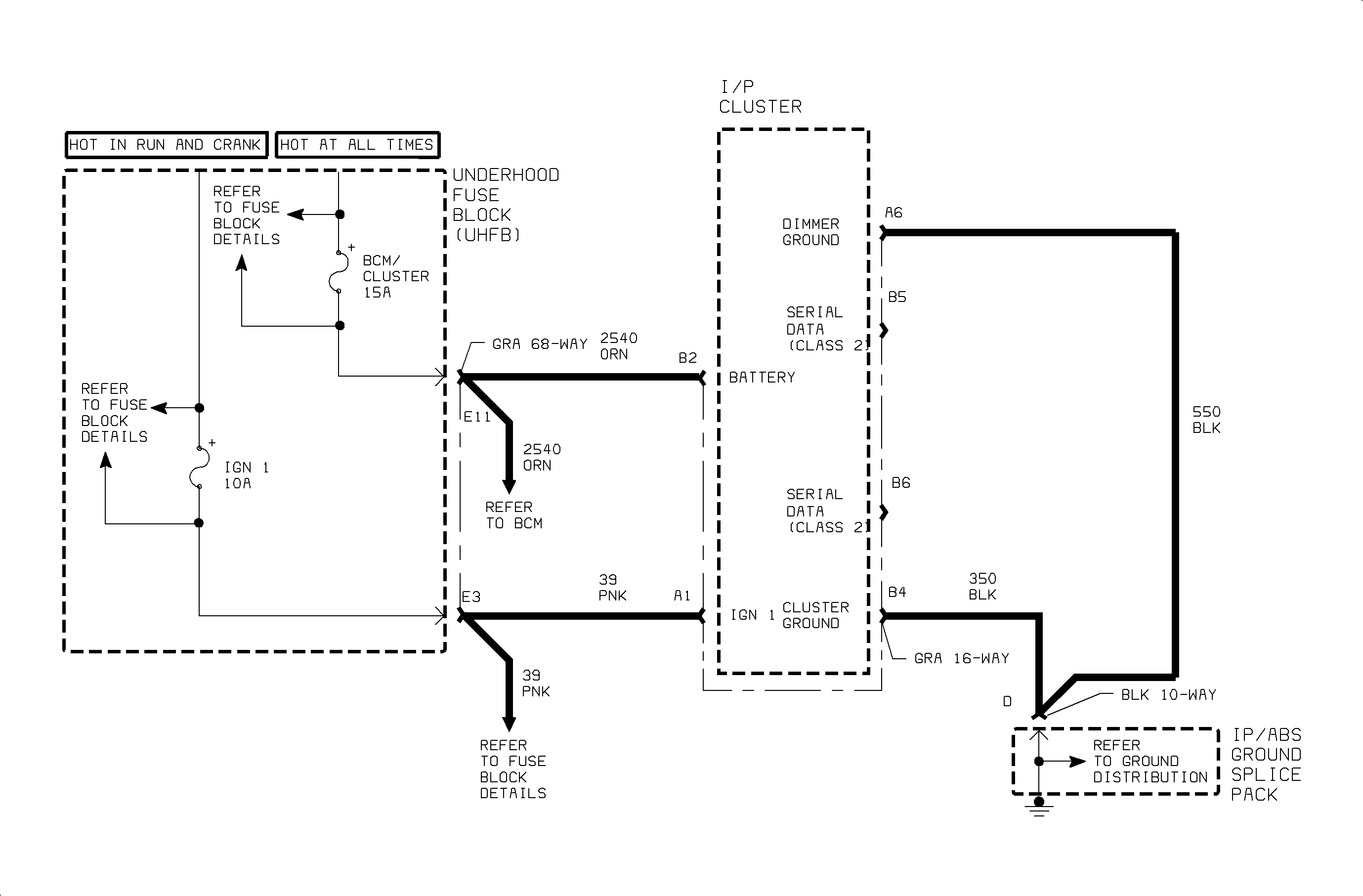
Object Number: 886327  Size: MF

Circuit Description

Class II serial data is a 0-7 volt variable pulse width message scheme (logic 0's and logic 1's) used to communicate information between modules and for communication to an off-board scan tool. Contained in each module memory is a list of serial data messages and default actions taken by the module if one of the important messages is not received. One of the most important messages is the state of health (SOH) message used to inform each module that other modules on the Class II link are functioning correctly.

Each module on the Class II link must first "learn" all modules connected to the Class II link every time the ignition is turned On. Each message that a module sends out on the link contains a source identifier used to identify where the information came from. Once a module receives information, it will store the attached controller ID. If this same information is not received later in the ignition cycle, lost communications with a specific controller DTC will set. DTC U1096 sets when a controller does not receive specific information from the I/P cluster after it had already learned it source ID in that ignition cycle.

Conditions for Setting the DTC

DTC U1096 will set if the SDM lost Class II communications with the I/P cluster when:

    • The condition exists for longer than 3 seconds.
    • The sensing and diagnostic module (SDM) learned the I/P cluster source identifier in the ignition cycle. The SDM had initially communicated with the I/P cluster when the ignition was first turned On.
    • The ignition is On.

DTC U1096 diagnostic runs continuously with ignition On.

DTC U1096 is a type C DTC.

Diagnostic Aids

To locate an intermittent problem, use a scan tool to monitor IPC located under the DIAGNOSTIC CIRCUIT CHECK---CLASS II MESSAGE MONITOR with the ignition On and the engine Off. INACTIVE will be displayed if the I/P cluster is not communicating on the Class II link.

The scan tool is capable of commanding all of the I/P telltales On or Off by using the special function LAMP AND GAUGE TEST. This may also be used to determine when an intermittent power/ground or I/P cluster Class II fault is occurring.


Object Number: 887399  Size: FP