GM Service Manual Online
For 1990-2009 cars only
Makes
🢒
Saturn
🢒
2001
🢒
L300/LW300
🢒
Body and Accessories
🢒
Lighting Systems
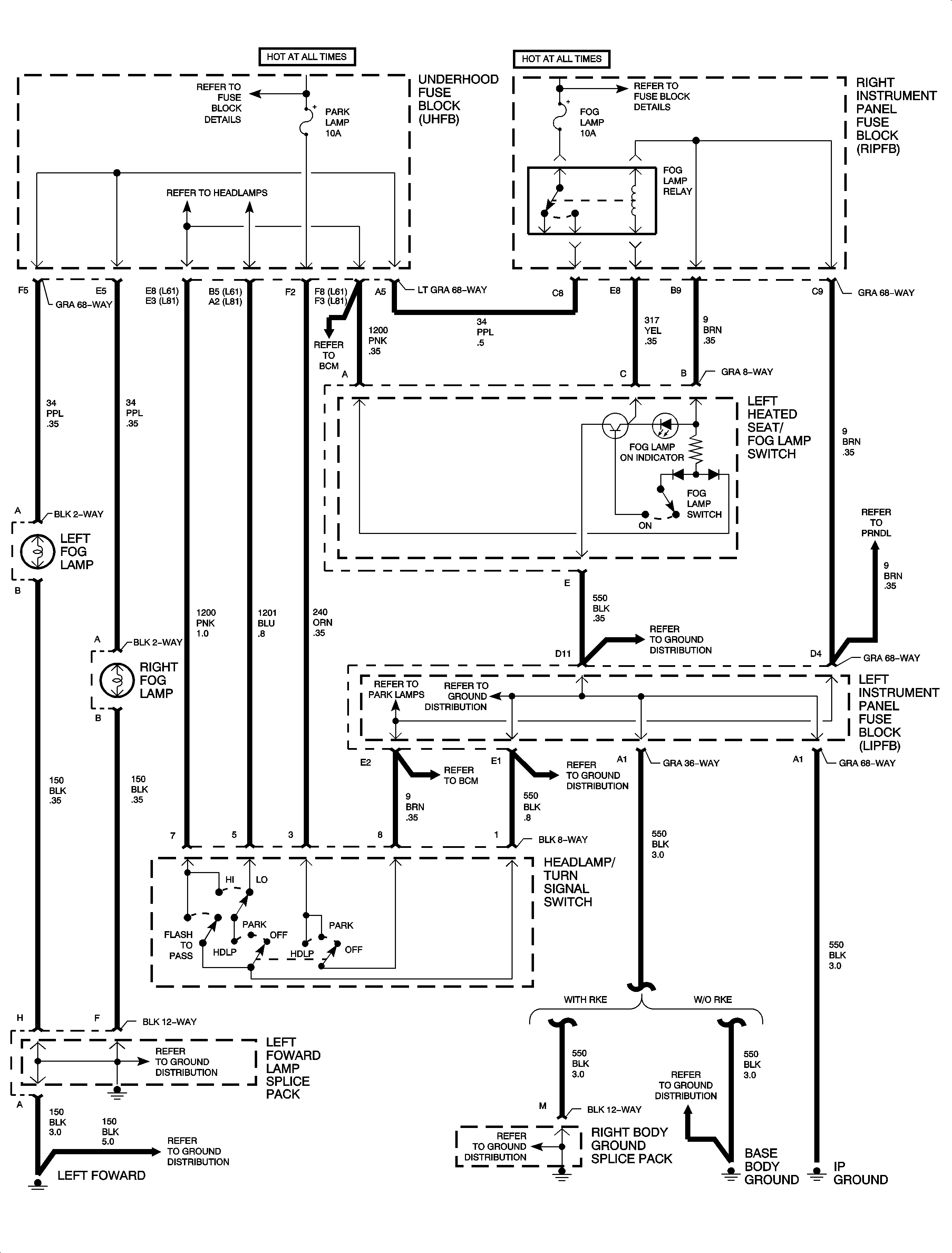
🢒 Fog Lights Schematics
(1 of 1)