GM Service Manual Online
For 1990-2009 cars only
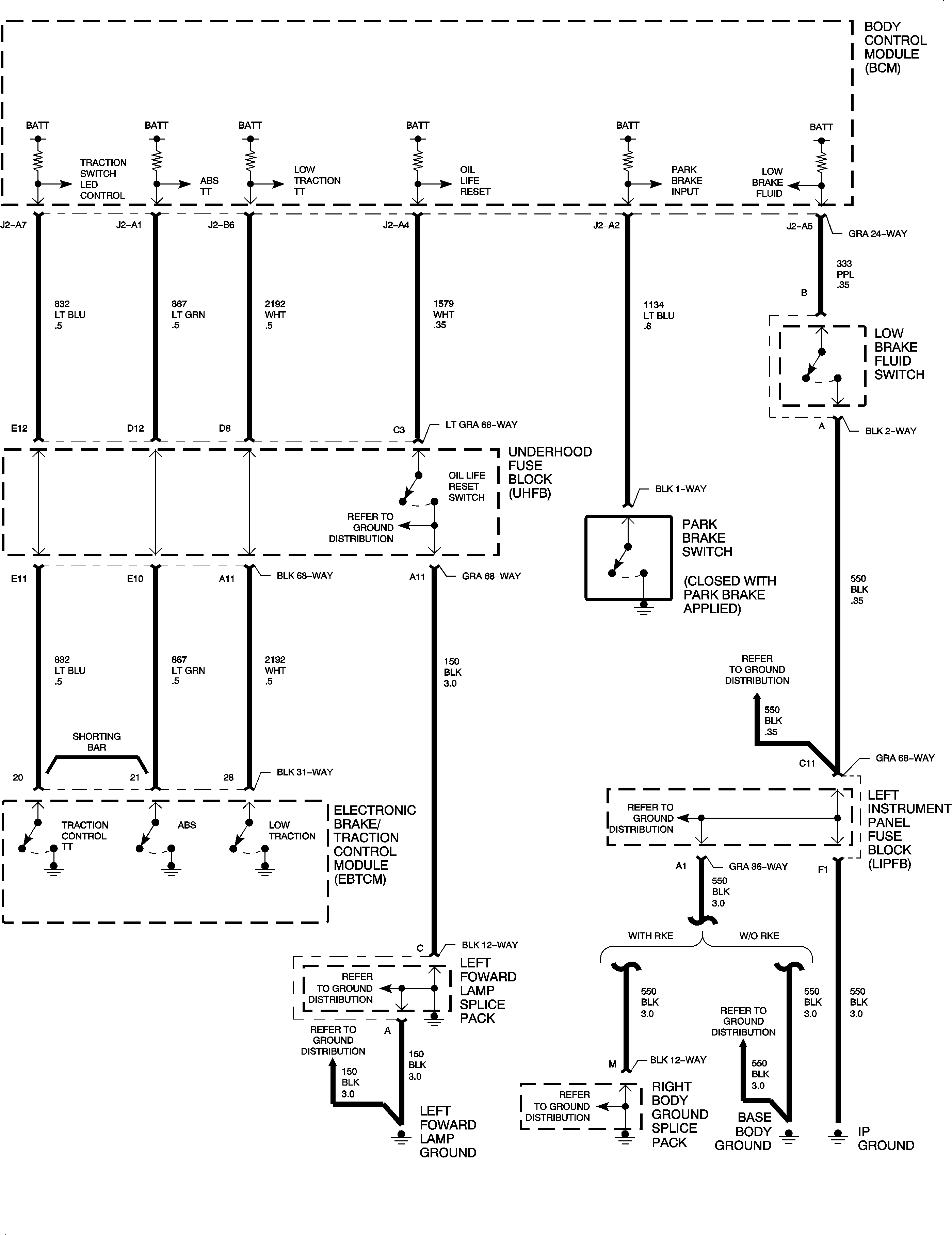
Figure 1:

(1 of 9)


Object Number: 888839  Size: FP
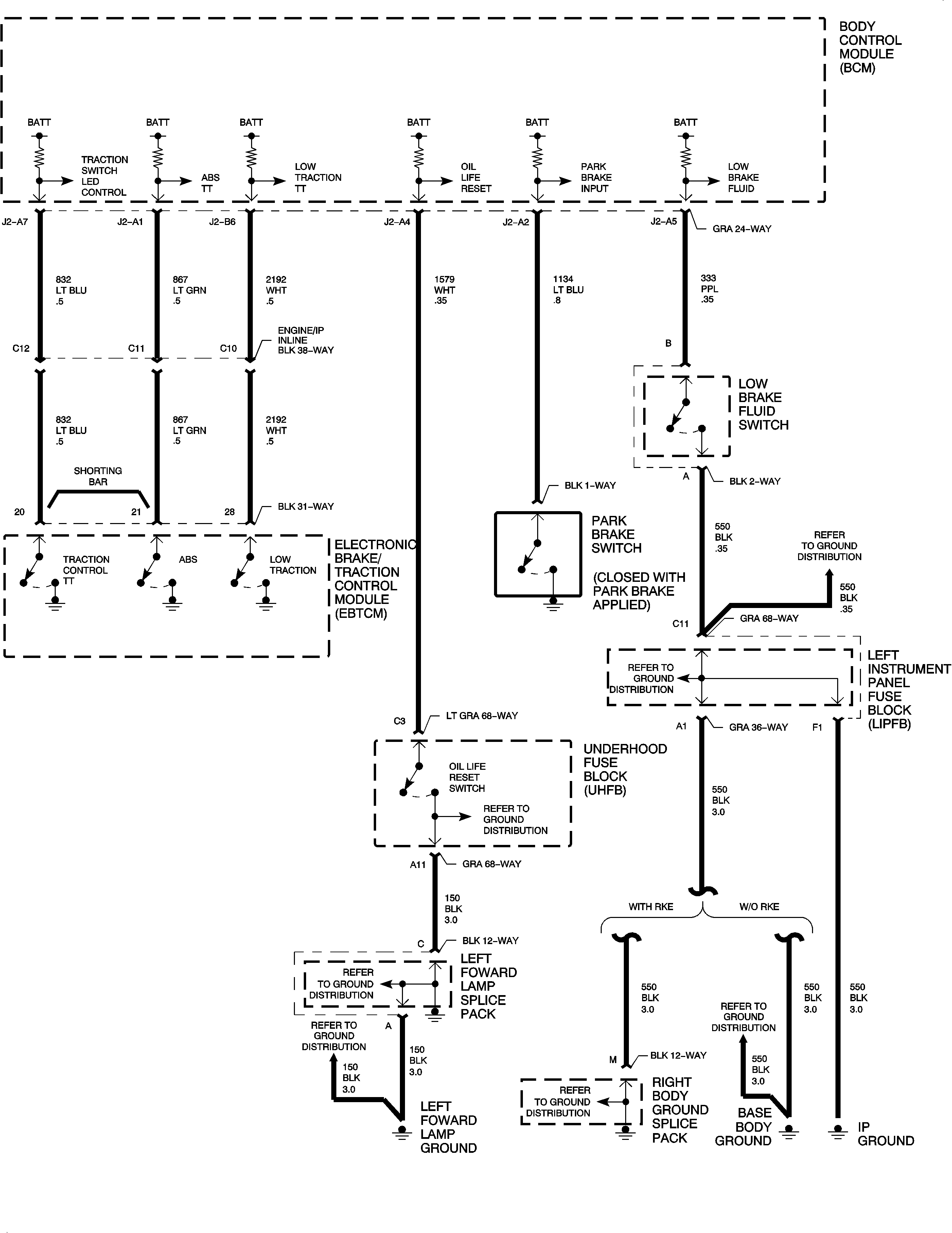
Figure 2:

(2 of 9)


Object Number: 888842  Size: FP
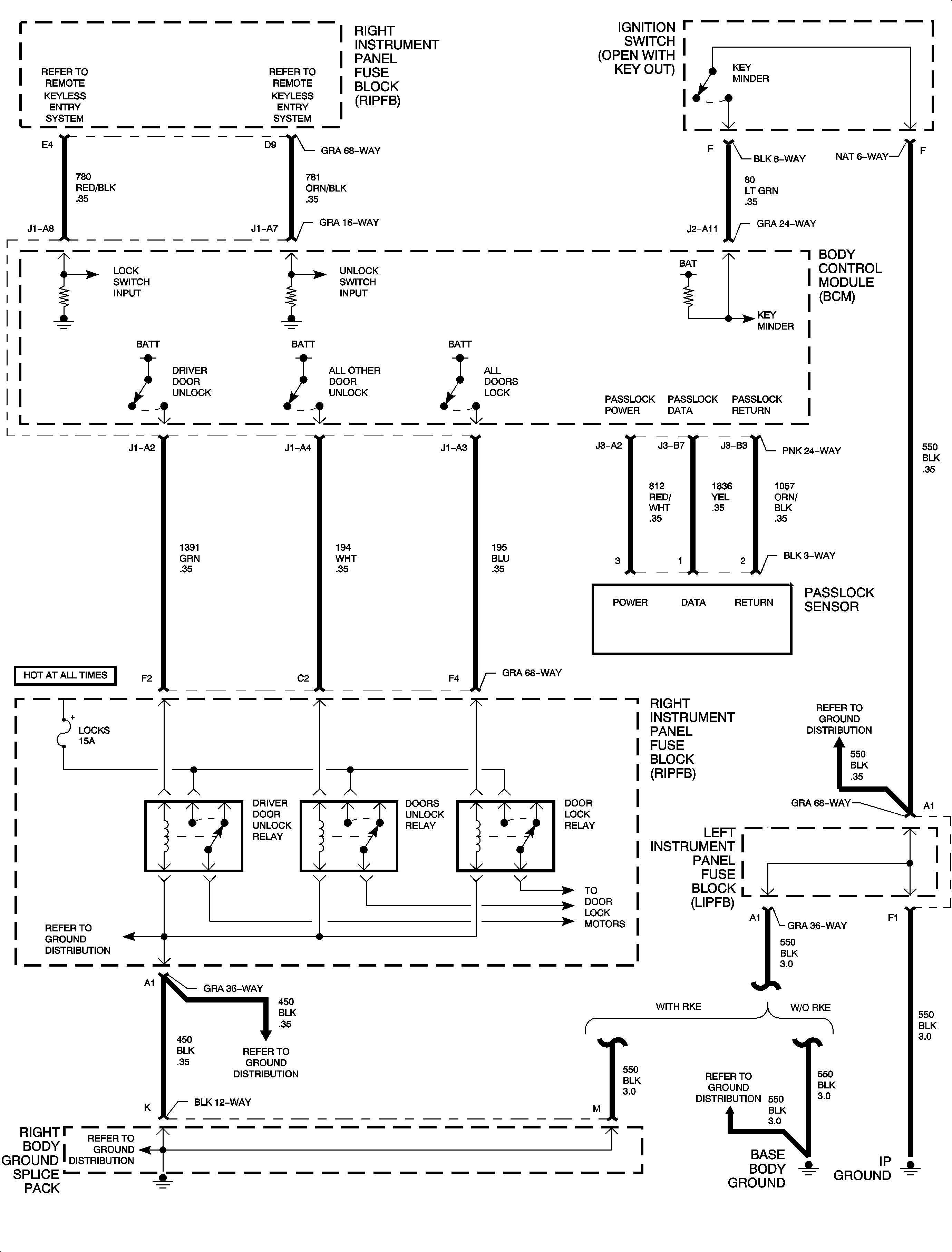
Figure 3:

(3 of 9)


Object Number: 888846  Size: FP
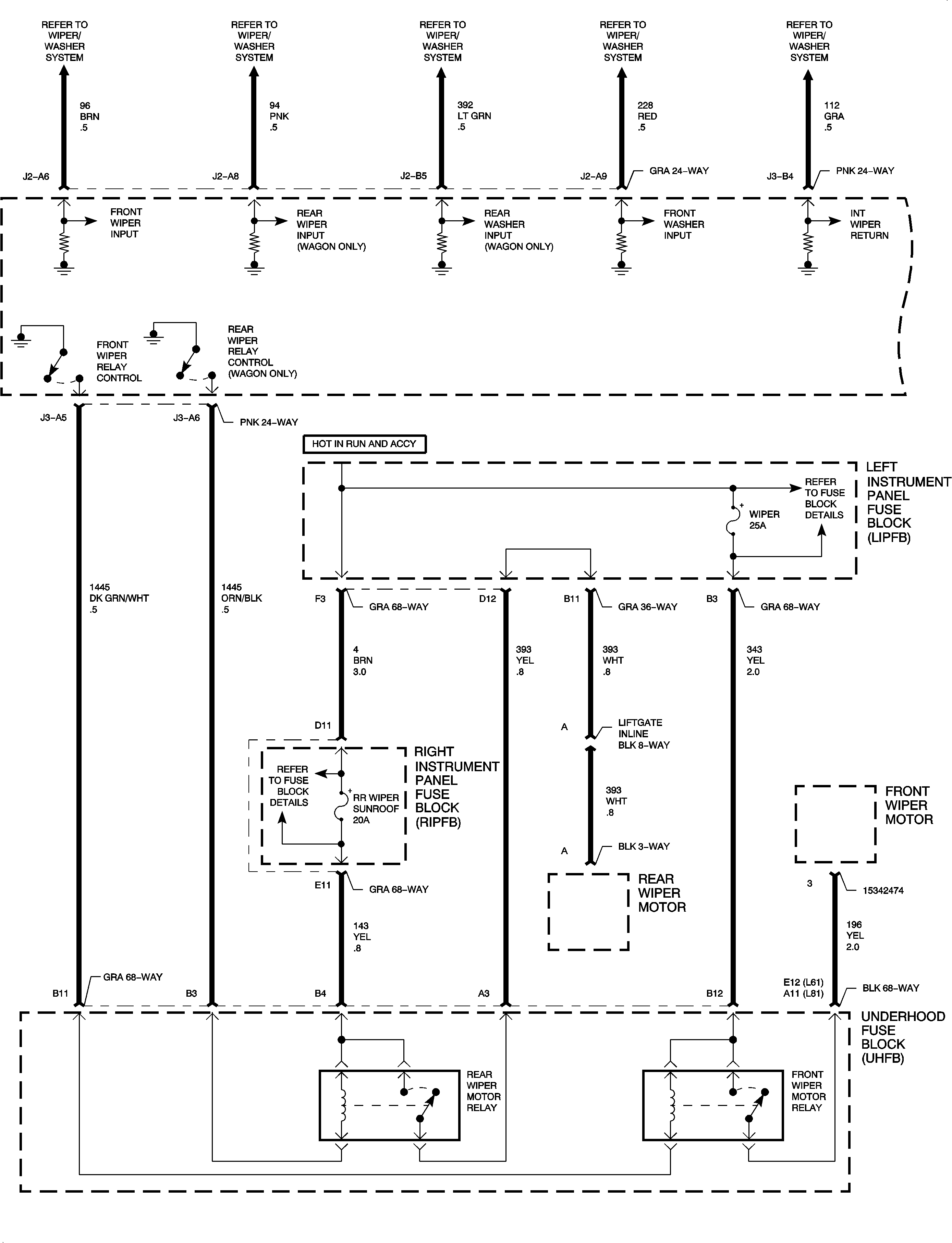
Figure 4:

(4 of 9)


Object Number: 888854  Size: FP
Figure 5:

(5 of 9)


Object Number: 888858  Size: FP
Figure 6:

(6 of 9)


Object Number: 888860  Size: FP
Figure 7:

(7 of 9)


Object Number: 888862  Size: FP
Figure 8:

(8 of 9) - L81


Object Number: 888865  Size: FP
Figure 9:

(9 of 9) - L61


Object Number: 888867  Size: FP