GM Service Manual Online
For 1990-2009 cars only

Object Number: 889451  Size: MF

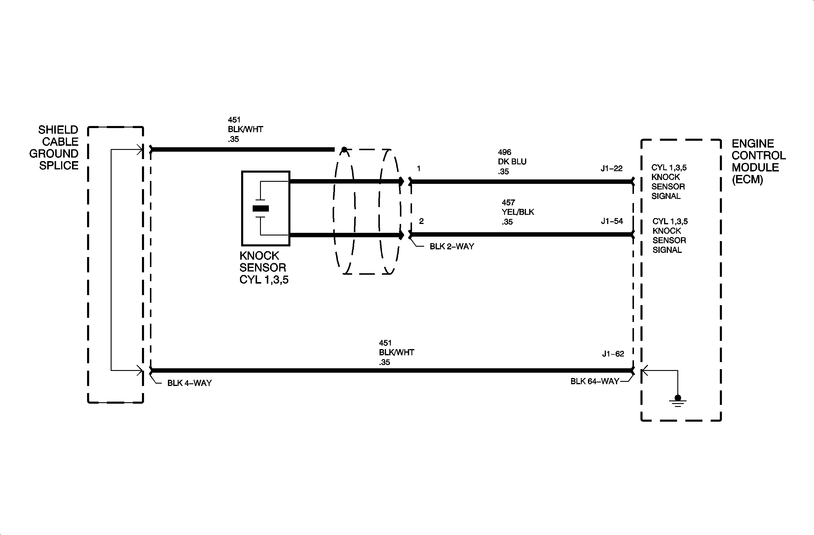
Circuit Description

A knock sensor is an input used by the ECM to detect engine detonation. The ECM will retard the spark timing based on these inputs. The knock sensor produces an AC voltage signal that is proportional to the amount of vibration the engine is experiencing. The ECM samples the knock sensor signal over a period of time to determine a minimum and maximum acceptable noise level threshold. P0327 will set when the ECM detects knock sensor 1 signal falls below a certain acceptable noise level threshold (based on engine load and speed) for a certain length of time.

DTC Parameters

P0327 will set when the ECM detects knock sensor 1 signal falls below a certain threshold (based on engine load and speed) when:

    • The ECM has learned a minimum noise level at idle for 5 seconds and does not detect a change in the noise level between 2500 - 3500 RPM for 5 seconds
    • Engine is running greater than 10 seconds.
    • ECT is greater than 40°C (104°F).
    • Engine is speed is greater than 2000 RPM.
    • No ECM internal failure DTCs are set.

DTC P0327 diagnostic runs continuously once the above conditions have been met.

P0327 is a (type C) DTC.

Diagnostic Aids

To locate an intermittent problem use the scan tool to monitor KNOCK SENSOR 1 voltage with engine running.

Wiggling wires while monitoring KNOCK SENSOR 1 voltage may locate an area where an open or short to ground may exist.

DTC P0327 may set if knock sensor 1 is not properly bolted to the engine block.


Object Number: 888180  Size: FP