GM Service Manual Online
For 1990-2009 cars only

Object Number: 889452  Size: MF

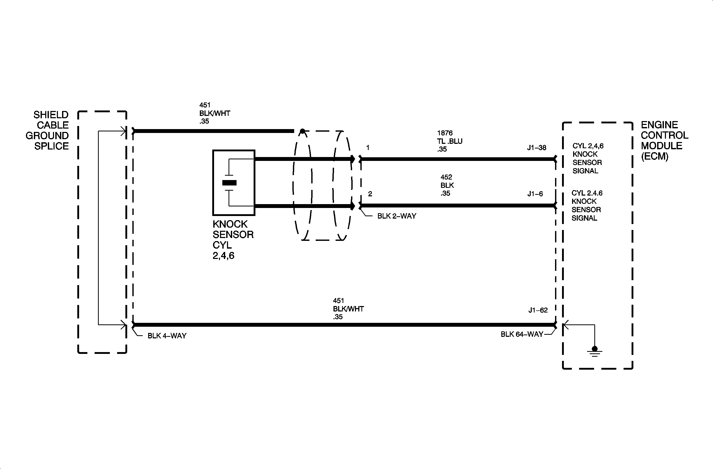
Circuit Description

A knock sensor is an input used by the ECM to detect engine detonation. The ECM will retard the spark timing based on these inputs. The knock sensor produces an AC voltage signal that is proportional to the amount of vibration the engine is experiencing. The ECM samples the knock sensor signal over a period of time to determine a minimum and maximum acceptable noise level threshold. P0333 will set when the ECM detects knock sensor signal 2 exceeds a certain acceptable noise level threshold (based on engine load and speed) for a certain length of time.

DTC Parameters

P0333 will set when the ECM detects knock sensor 2 signal exceeds a certain threshold (based on engine load and speed) when:

    • Engine is running greater than 10 seconds.
    • ECT is greater than 40°C (104°F).
    • Engine is speed is greater than 2000 RPM.
    • No ECM internal failure DTCs are set.

DTC P0333 diagnostic runs continuously once the above conditions have been met.

P0333 is a (type C) DTC.

Diagnostic Aids

To locate an intermittent problem use the scan tool to monitor KNOCK SENSOR 2 voltage with engine running.

Wiggling wires while monitoring KNOCK SENSOR 2 voltage may locate an area where a short to voltage may exist.

DTC P0333 may set if the knock sensor 2 is detecting excessive noise due to mechanical concerns. Possible causes may include:

    • Valve lifter noise.
    • Belt tensioner loose.
    • Loose brackets.
    • Low octane fuel in high ambient temperatures under excessive loads.

The ECM has the ability to learn spark retard. If knock is present long enough a reduced power condition may result due to maximum spark retard. Spark will eventually be returned to normal once the knock condition is corrected.


Object Number: 888184  Size: FP