GM Service Manual Online
For 1990-2009 cars only

Object Number: 889395  Size: MF

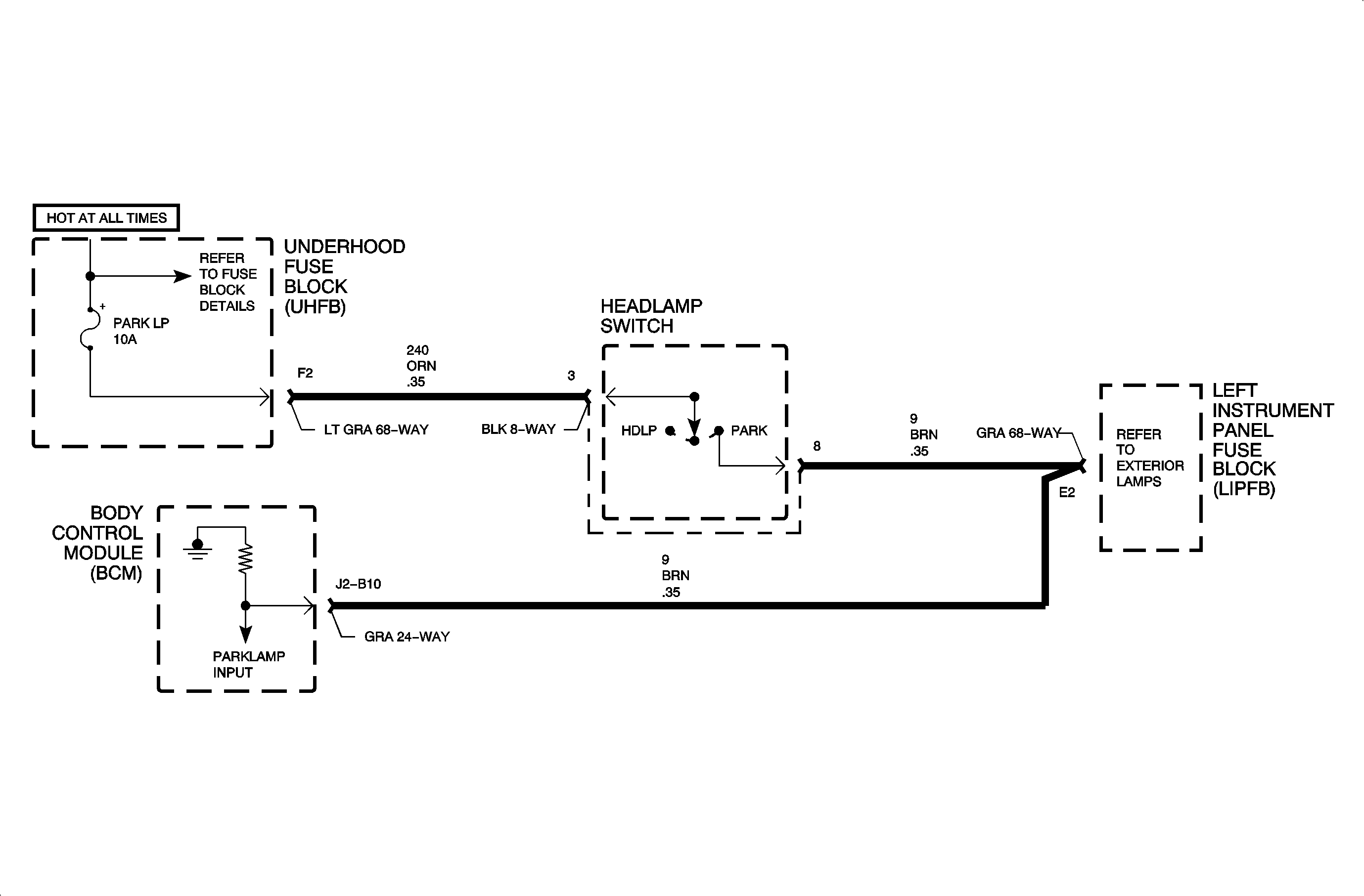
Circuit Description

The body control module (BCM) compares the state of the park lamp circuit 9 to the high beam headlight circuit 1200 and the low beam headlight circuit 1201.

If the park lamp circuit is grounded/open and either the low beam circuit is at battery voltage or the high beam circuit is grounded, diagnostic code B2662 will set.

DTC Parameters

    • The headlight switch is ON.
    • Circuit 9 is grounded or open.
    • The conditions are present for 1 second.

Diagnostic Aids

    • Check for a poor connection at the BCM. Inspect the harness connectors for backed out terminals, improper terminal mating, broken connector locks, improperly formed or damaged terminals, and poor terminal-to-wire connection (terminal crimped over wire insulation and not conductors).
    • Inspect the wiring harness for damage. Check for broken or chaffed insulation.
    • Check for a poor connection at the headlight switch.
    • If a fault is suspected to be intermittent, wiggling the harness wiring may help in locating the fault.

Object Number: 887215  Size: FP