GM Service Manual Online
For 1990-2009 cars only

Object Number: 889459  Size: MF

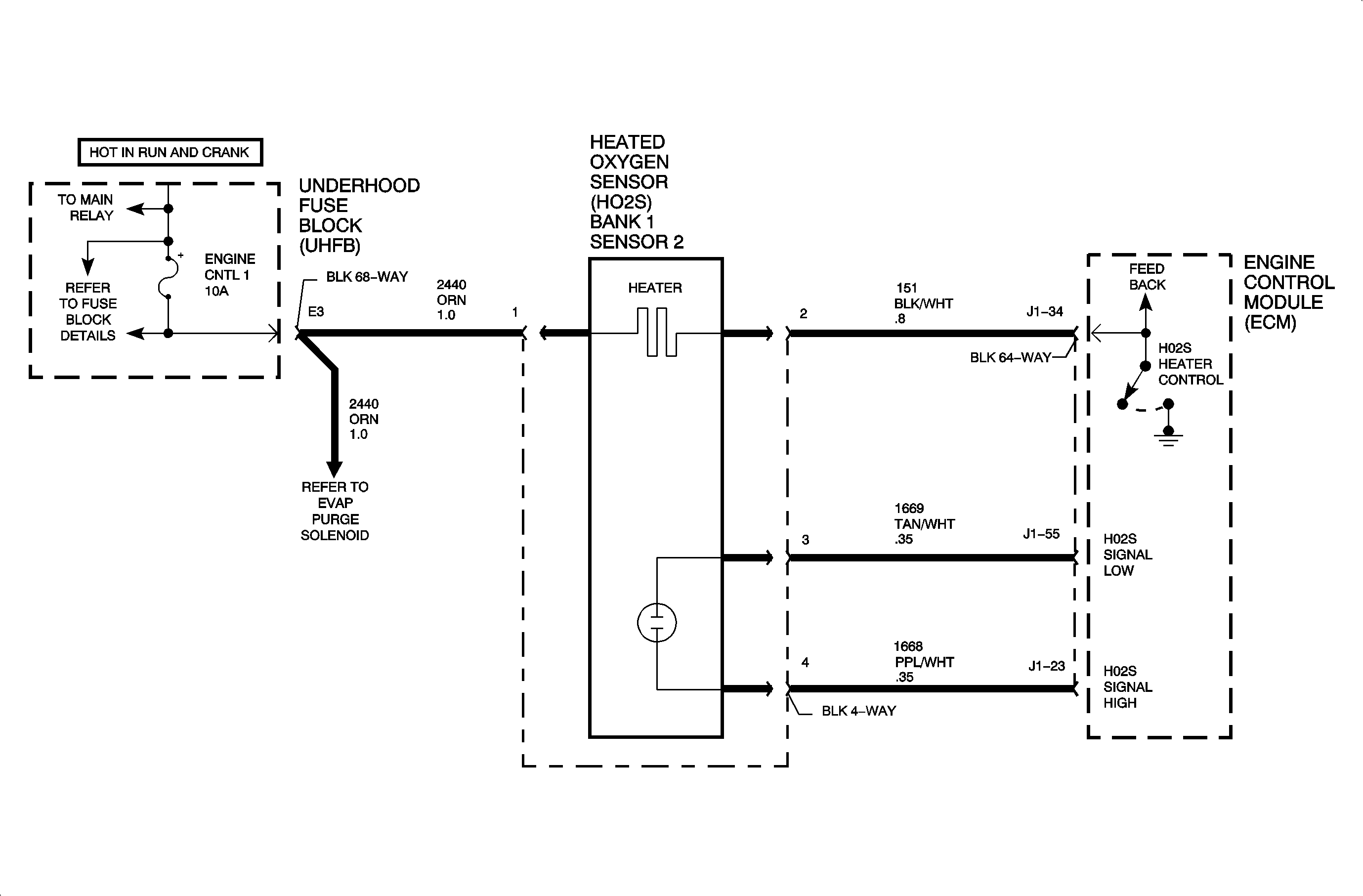
Circuit Description

The heated oxygen sensor (HO2S) bank 1 sensor 2 is threaded into the cylinder 1, 3, 5 exhaust pipe behind the pre-converter (cylinders 1, 3, 5 are closest to front of dash). The sensor is an electrical source that responds to oxygen content out of the catalytic converter. When the sensor reaches approximately 316°C (600°F), it produces a voltage based on the difference in oxygen between the atmosphere and exhaust gas. The ECM sends a bias voltage (425-460 mV) on the signal line, which is pulled up through high resistance. When the HO2S bank 1 sensor 2 is cold, it produces no voltage and has extremely high internal resistance. The internal resistance of the sensor is much greater than the resistance of the bias pull-up resistor. However, when the sensor heats up, it produces voltage that overrides the bias voltage. This voltage is read by the ECM to determine the efficiency of the catalytic converter. Under normal conditions, low sensor voltage means high oxygen content/lean air-fuel mixture and vice versa. Normal sensor readings at steady cruise with a properly functioning catalytic converter will be around 500-800 mV. DTC P0136 sets when the HO2S bank 1 sensor 2 signal voltage is too low for a certain length of time.

DTC Parameters

DTC P0136 will set if HO2S bank 1 sensor 2 voltage is less than 40 mV when:

    • Condition exists for longer than 1 minutes and 20 seconds.
    • Engine is running.
    • HO2S bank 1 sensor 2 in closed loop.
    • Fuel level greater than 10%.
    • Calculated converter temperature less than 940°C (1724°F).
    • Commanded air/fuel ratio is 14.7 to 1.
    • Battery voltage greater than 11.0 volts.
    • No EGR or EVAP DTCs have been set.

DTC P0136 diagnostic runs continuously once the above conditions have been met.

P0136 is a (type B) DTC.

Diagnostic Aids

Important: Do not apply grease or any material in the HO2S bank 1 sensor 2 harness connector or alter the wiring in any way. The wires carry air reference to the sensor used to determine the difference in oxygen between the exhaust gas and atmosphere.

To locate an intermittent problem, use Scan tool to monitor HO2S BANK 1 SEN. 2 voltage with engine idling at normal operating temperature. Wiggling wires while watching for a change in HO2S BANK 1 SEN. 2 voltage may locate the area where a short to ground in the wiring could lie.


Object Number: 888111  Size: FP