GM Service Manual Online
For 1990-2009 cars only

Object Number: 889450  Size: MF

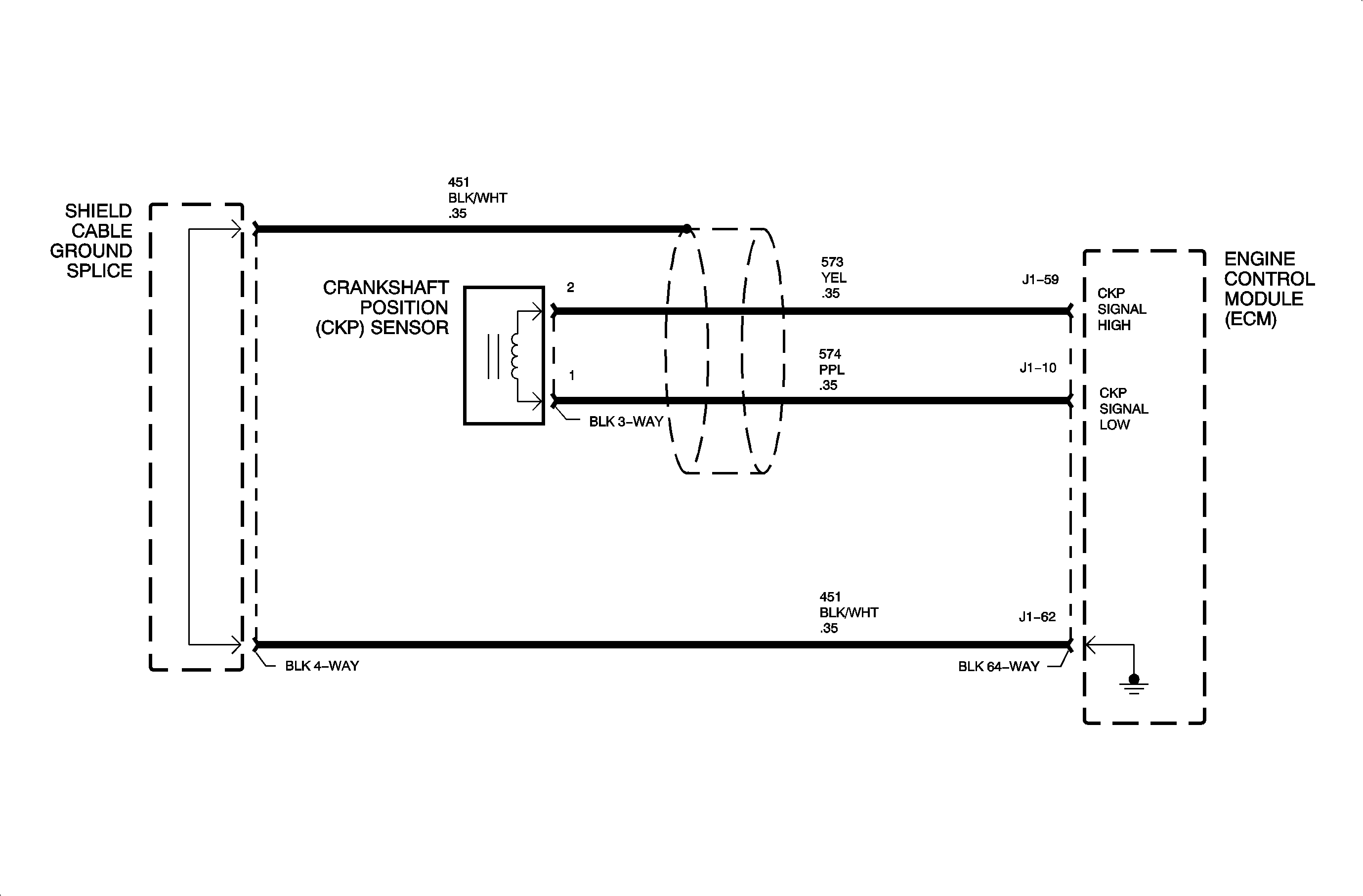
Circuit Description

The crankshaft position (CKP) sensor produces an AC voltage of different amplitude and frequency depending on the velocity of the crankshaft. The CKP sensor works in conjunction with a 58 tooth reluctor wheel on the crankshaft. Each tooth is spaced 6 degrees apart, with one span having a 12 degree space that is uncut. This creates a signature pattern that enables the ECM to determine crankshaft position. The ECM can determine which two cylinders are approaching TDC from the CKP sensor input. The camshaft position (CMP) sensor is used to determine which of the two cylinders is on the firing stroke. With the CKP sensor and CMP sensor inputs the ECM can properly synchronize the ignition timing, fuel delivery and engine knock control. DTC P0335 will set if the ECM does not receive an expected CKP signature pattern for a calibrated amount of crankshaft rotations.

DTC Parameters

DTC P0335 will set if the ECM does not receive an expected CKP signature pattern when:

    • Engine is cranking/running for at least 5 seconds.
    • Engine speed not present for 16 crankshaft revolutions.
    • ECM receives a valid camshaft position (CMP) sensor signal.

DTC P0335 diagnostic runs continuously once the above conditions have been met.

P0335 is a (type B) DTC.

Diagnostic Aids

To locate an intermittent problem use the Scan tool to monitor CMP RESYNC COUNTER with engine cranking/running. If the counter starts counting up, crankshaft pulses are being interrupted, as the ECM has to resync the camshaft position.

DTC P0335 can set due to an intermittent open or short to voltage in the CKP circuits. The tachometer should drop out and may momentarily disrupt engine operation.

Make sure the crankshaft position sensor circuit wires are clear of voltage interfering wires. Electromagnetic Interference (EMI) waves can alter the amplitude and frequency of the CKP signal and create invalid CKP pulses.


Object Number: 888187  Size: FP