GM Service Manual Online
For 1990-2009 cars only
Makes
🢒
Saturn
🢒
2002
🢒
L300/LW300
🢒
Body and Accessories
🢒
Instrument Panel, Gages, and Console
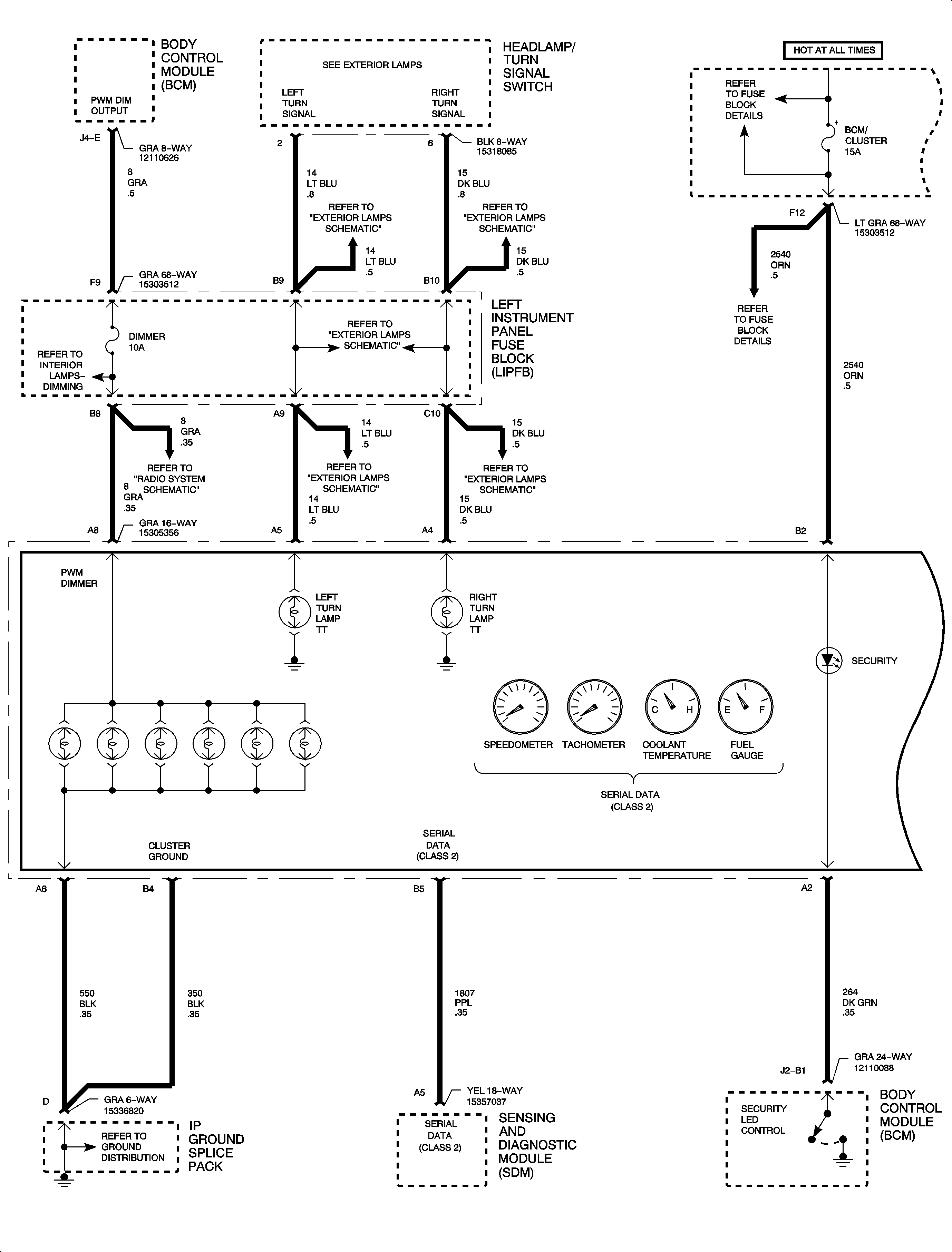
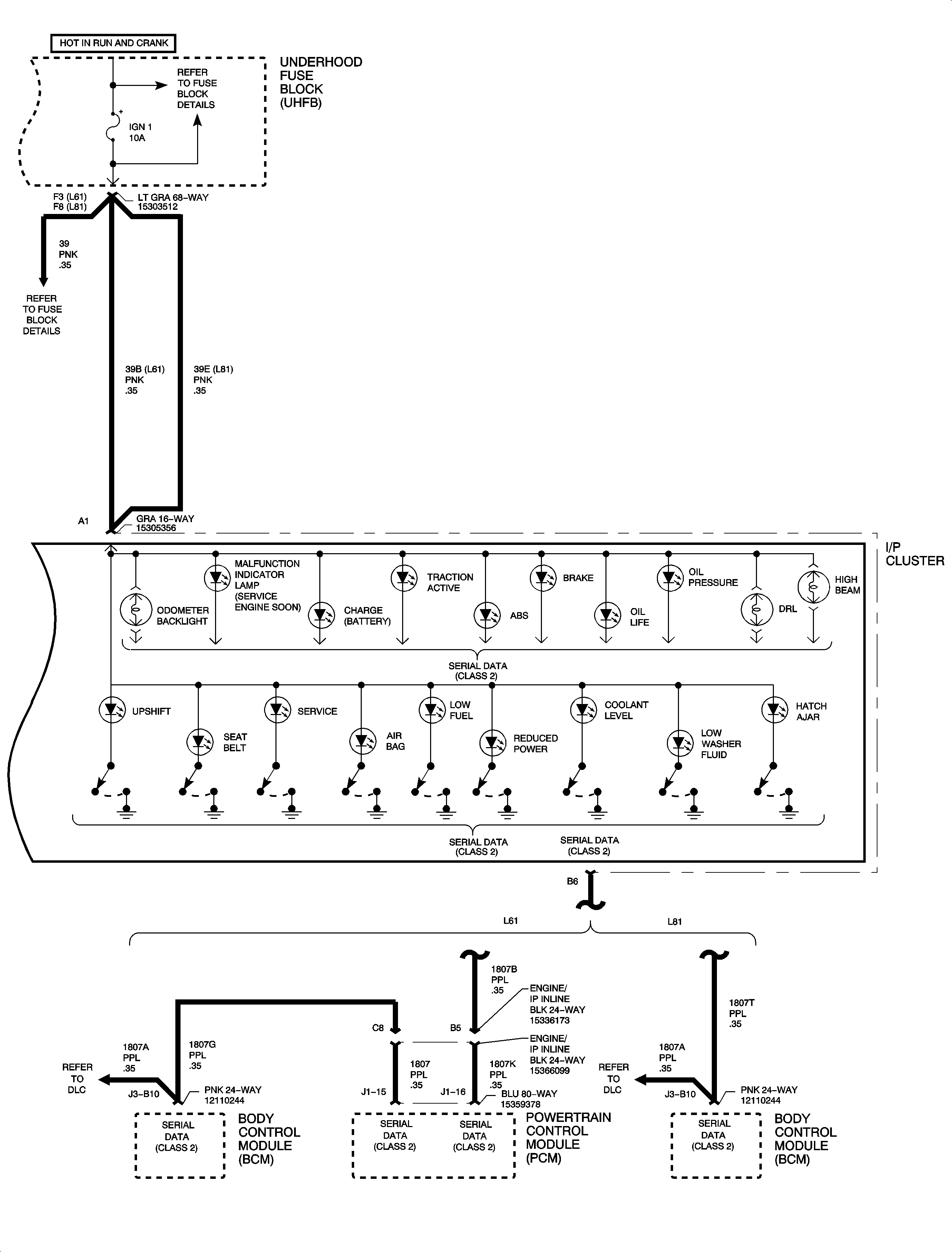
🢒 Instrument Cluster Schematics
Figure
1:
1 of 2
Figure
2:
2 of 2