GM Service Manual Online
For 1990-2009 cars only
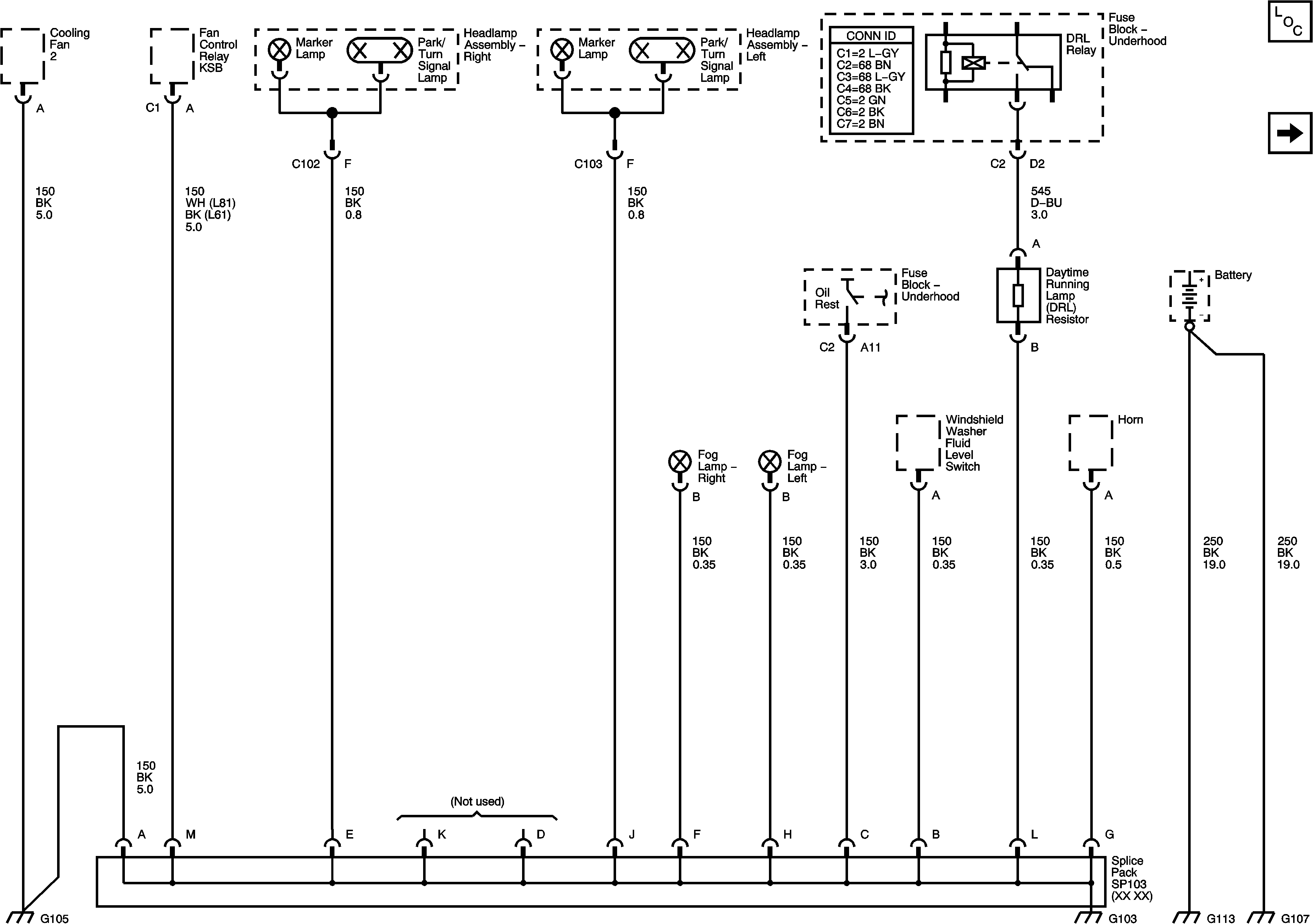
Figure 1:

G105, G103, G113 and G107


Object Number: 1224814  Size: FS
Figure 2:

G102, G110, G118 and G114


Object Number: 1224835  Size: FS
Figure 3:

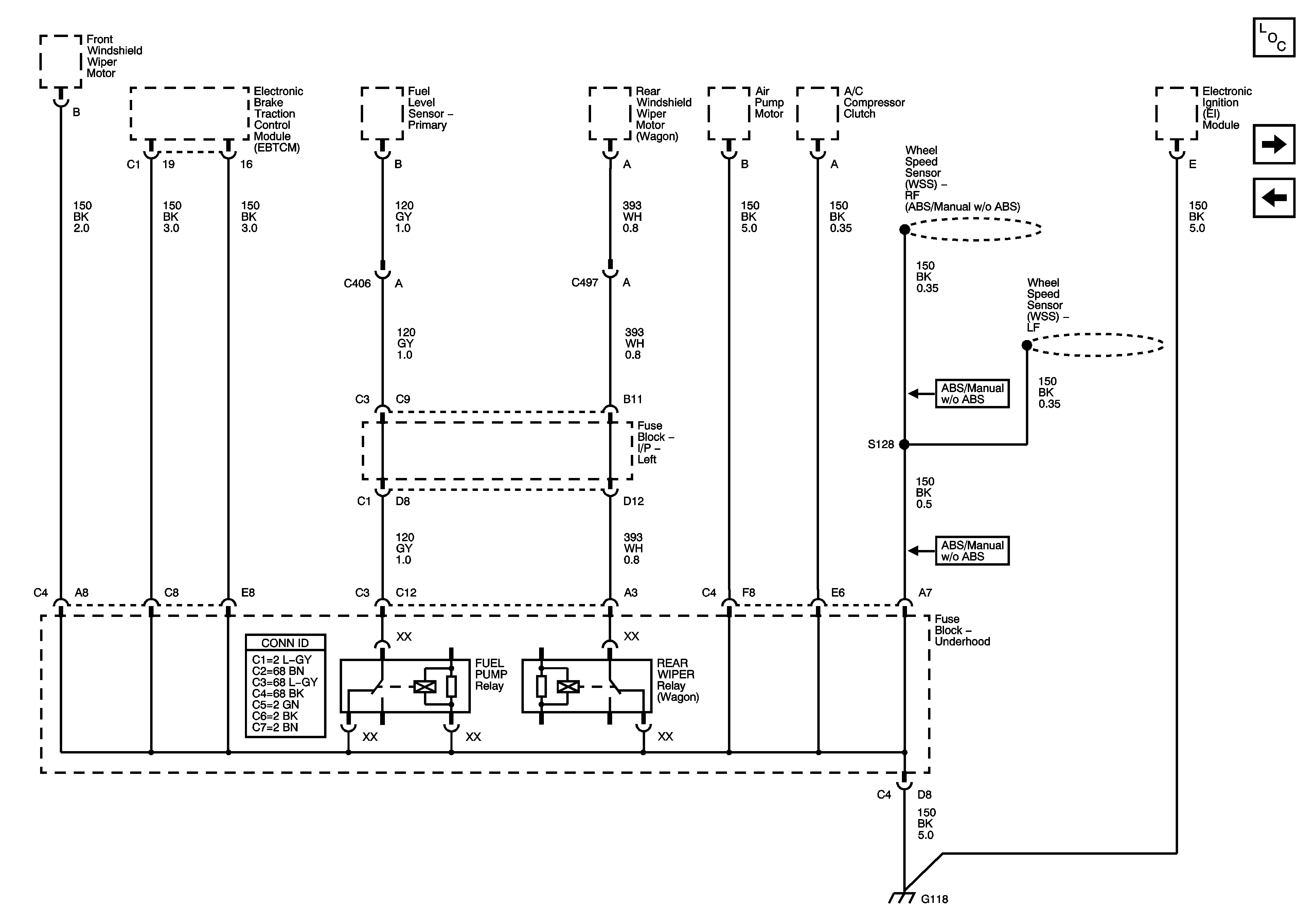
G118 (L61)


Object Number: 1224893  Size: FS
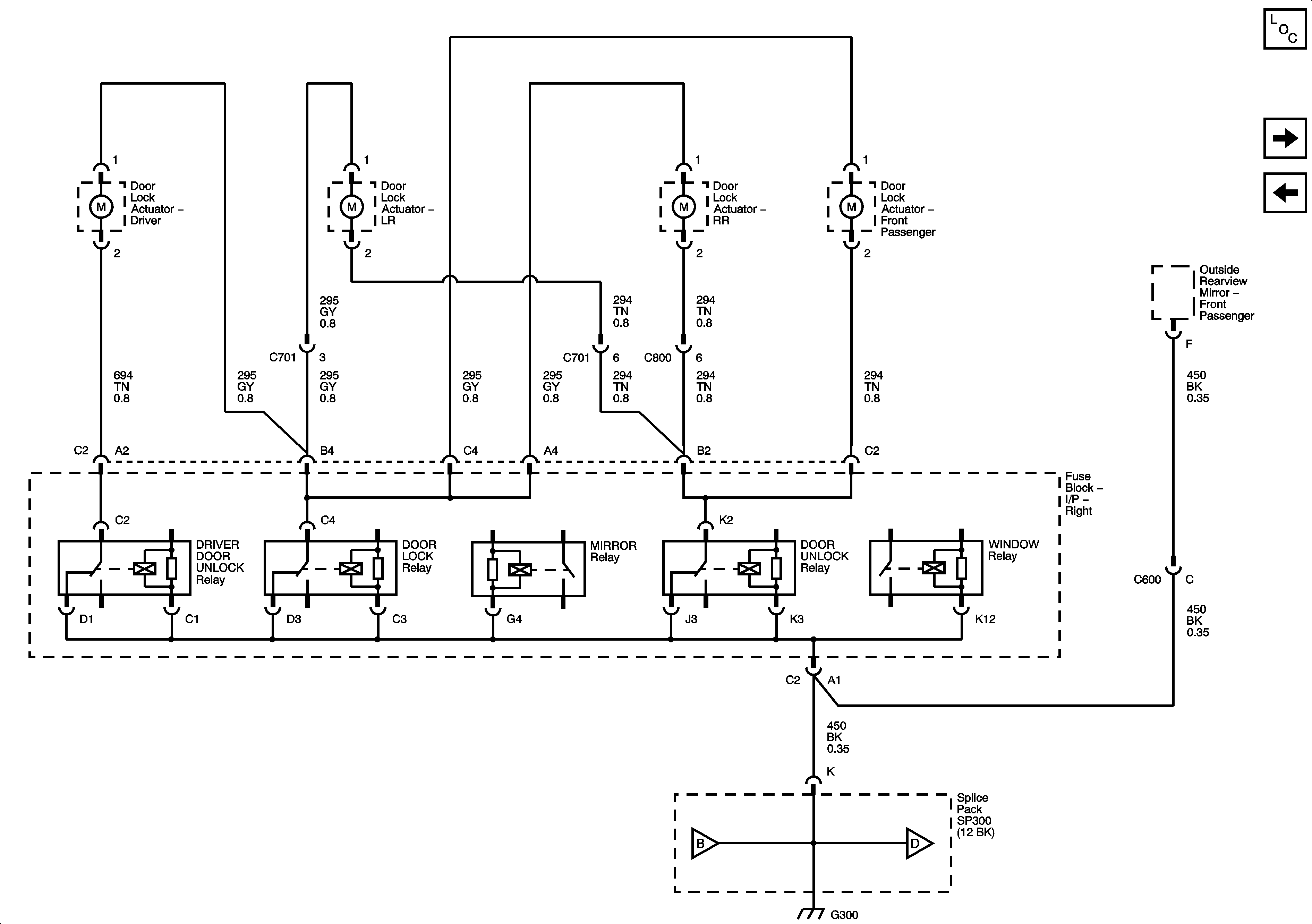
Figure 4:

G300 (1 of 3)


Object Number: 1250776  Size: FS
Figure 5:

G300 (2 of 3)


Object Number: 1250777  Size: FS
Figure 6:

G300 (3 of 3), G304


Object Number: 1225122  Size: FS
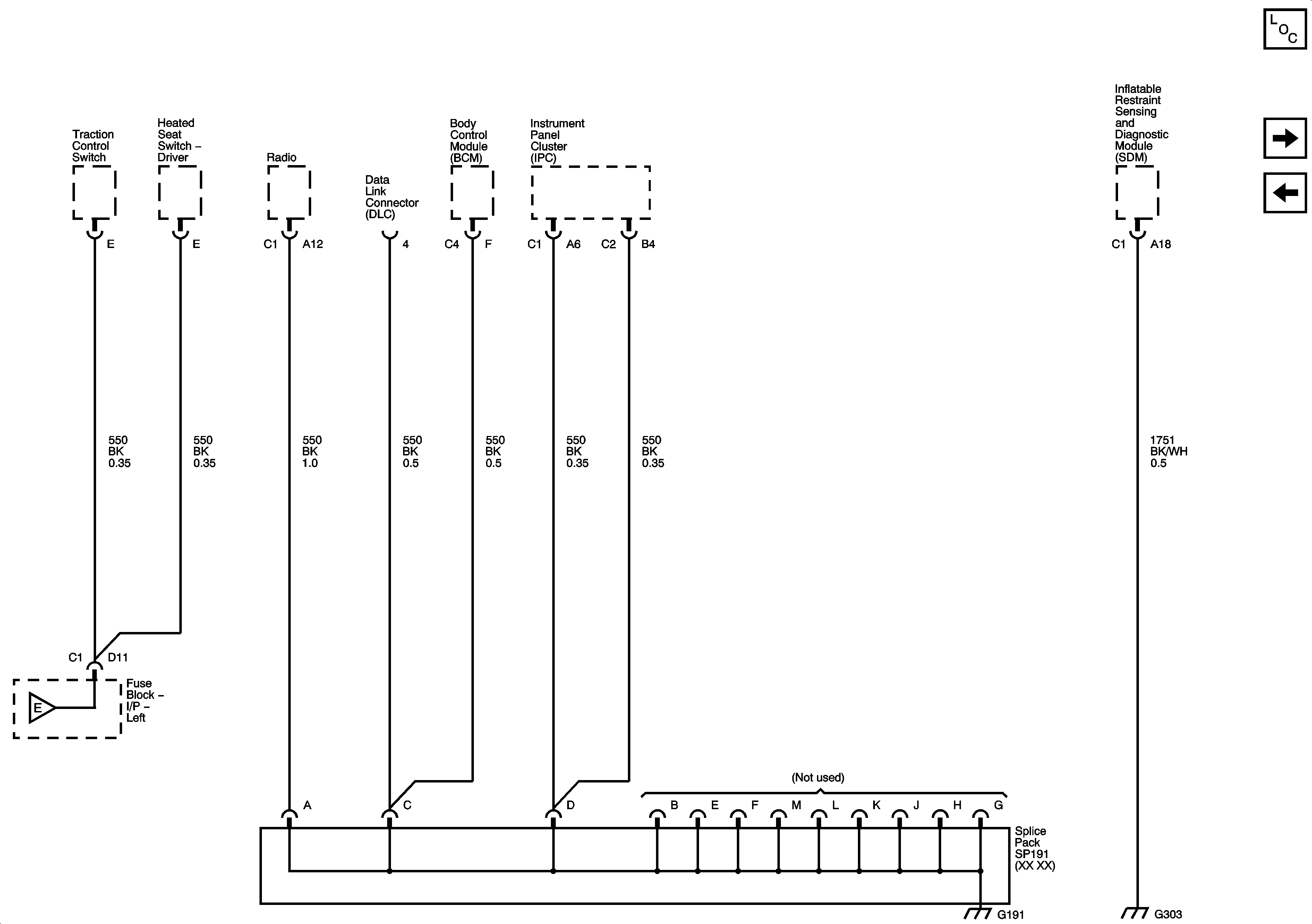
Figure 7:

G191, G303


Object Number: 1225123  Size: FS
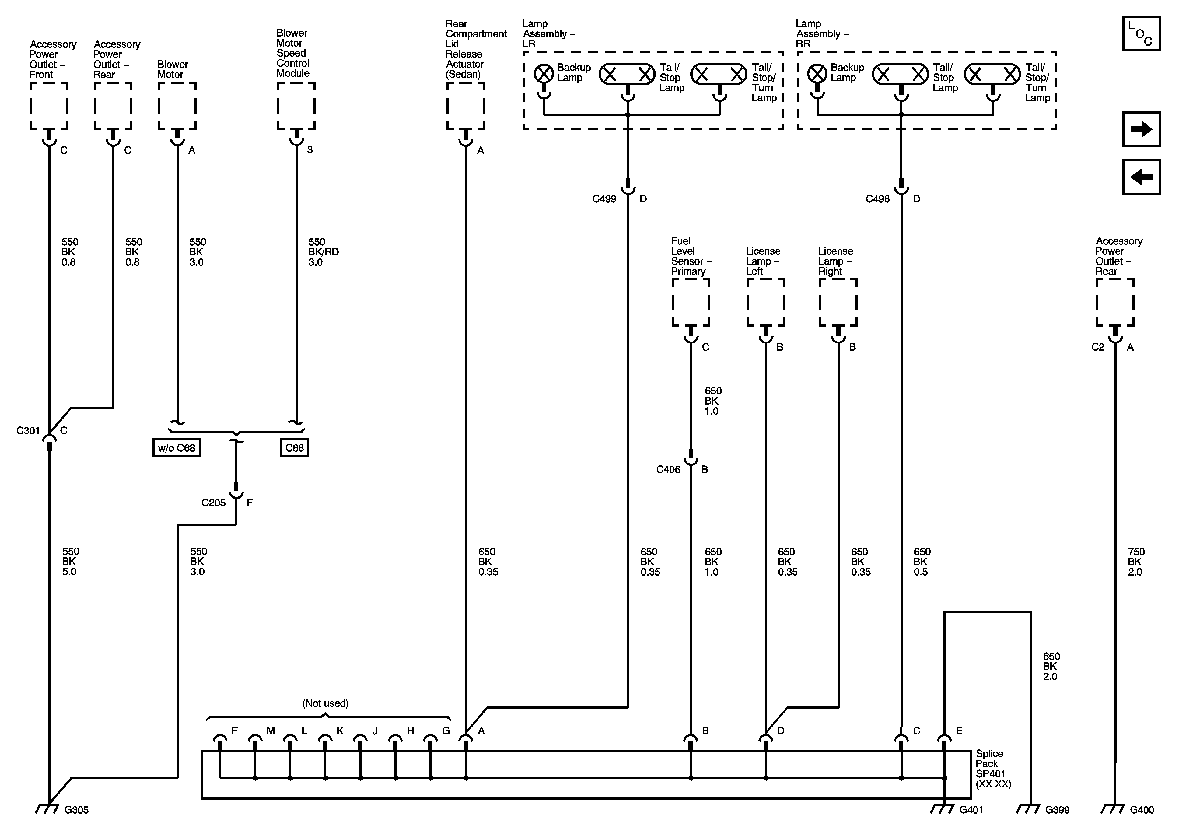
Figure 8:

G305, G401, G399 and G400


Object Number: 1225126  Size: FS
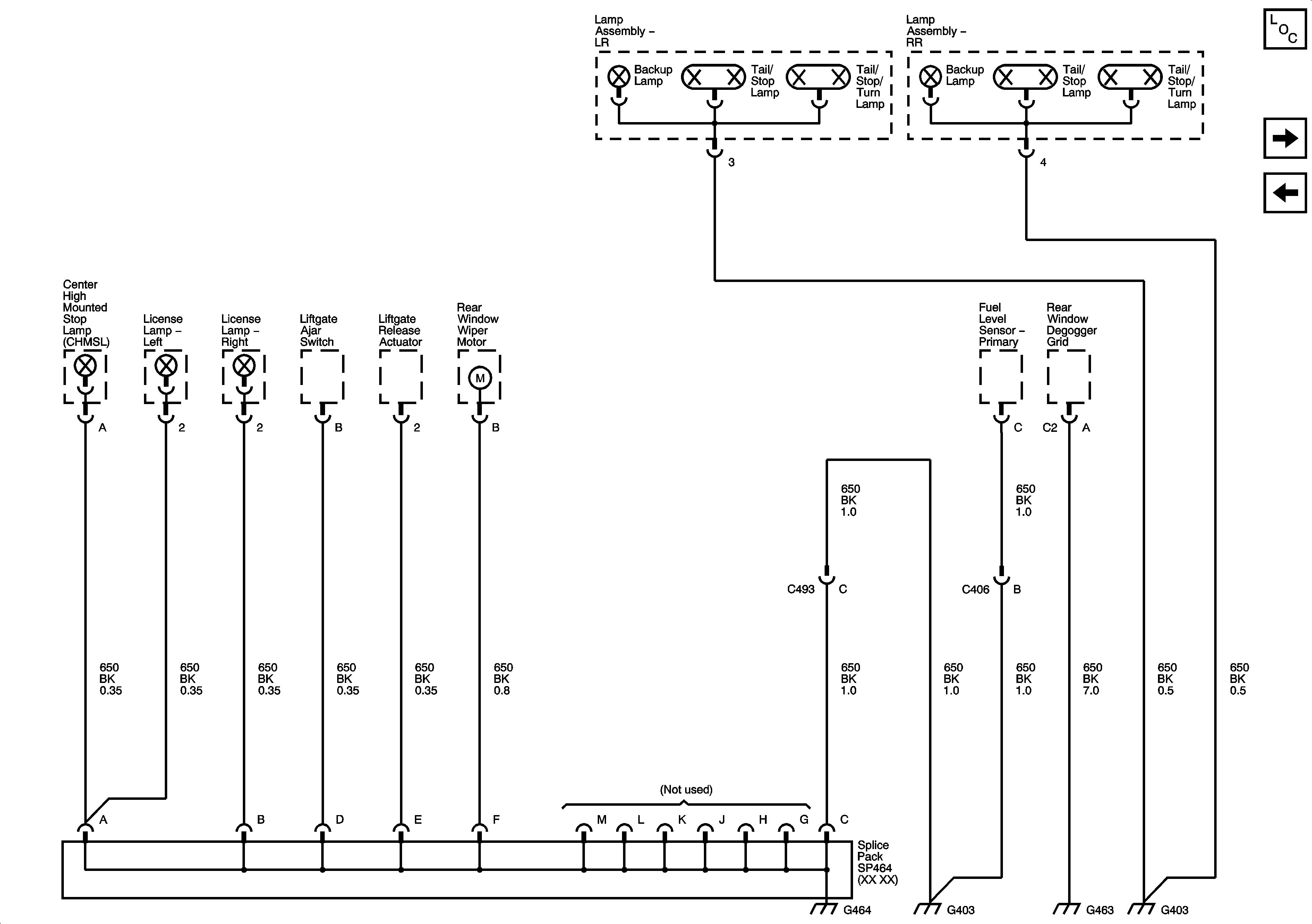
Figure 9:

G464, G401, G463, G403 -- (WAG)


Object Number: 1225129  Size: FS
Figure 10:

G202 -- (UE1)


Object Number: 1225137  Size: FS