GM Service Manual Online
For 1990-2009 cars only

Automatic Transmission Controls Schematics 2.2L

Figure 1:

PCM Power, Ground, Serial Data, and MIL


Object Number: 1201422  Size: FS
Master Electrical Component List
Electronic Component Description Input
Solenoids,Speed Sensors, Stop Lamp Switch
OBD II Symbol Description Notice
Fuse Block-Underhood : Cooling Fan2, Cooling Fan1, ABS1, ABS2, Park Lamp, Hazard, Brake and Controls B+
Fuse Block-Underhood : Injector, Controls IGN1, EIS and IGN
Fuse Block-Underhood : BCM/ECM/Cruise/ABS, Cruise Switch, IGN1 and Backup/Turn
Fuse Block-Underhood : BCM/ECM/Cruise/ABS, Cruise Switch, IGN1 and Backup/Turn
Power, Ground, and Indicators
2.2L
G102, G110, G118, G114
Figure 2:

Solenoid, Speed Sensors, and Stop Lamp Switch


Object Number: 1201425  Size: FS
Master Electrical Component List
Electronic Component Description Input
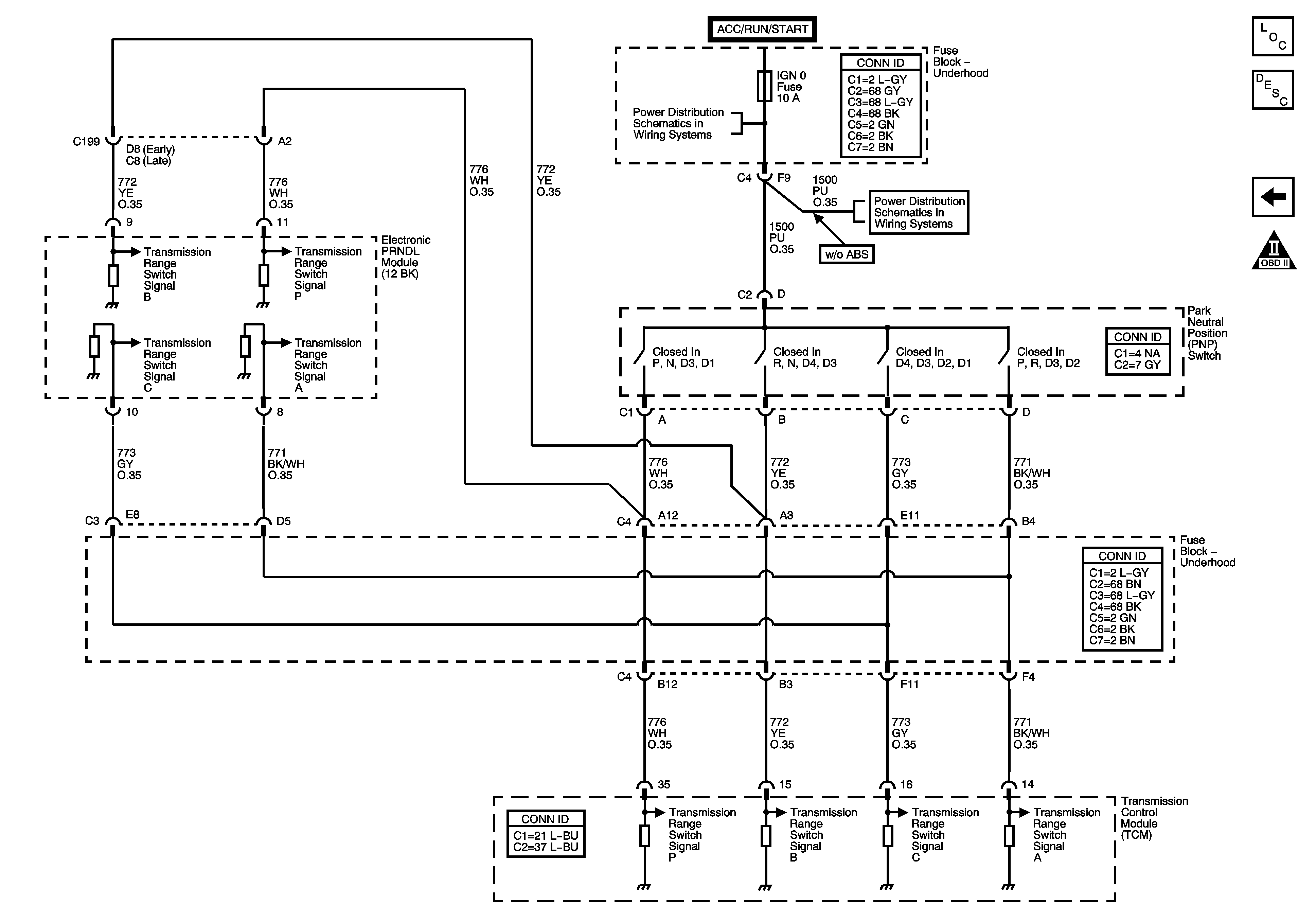
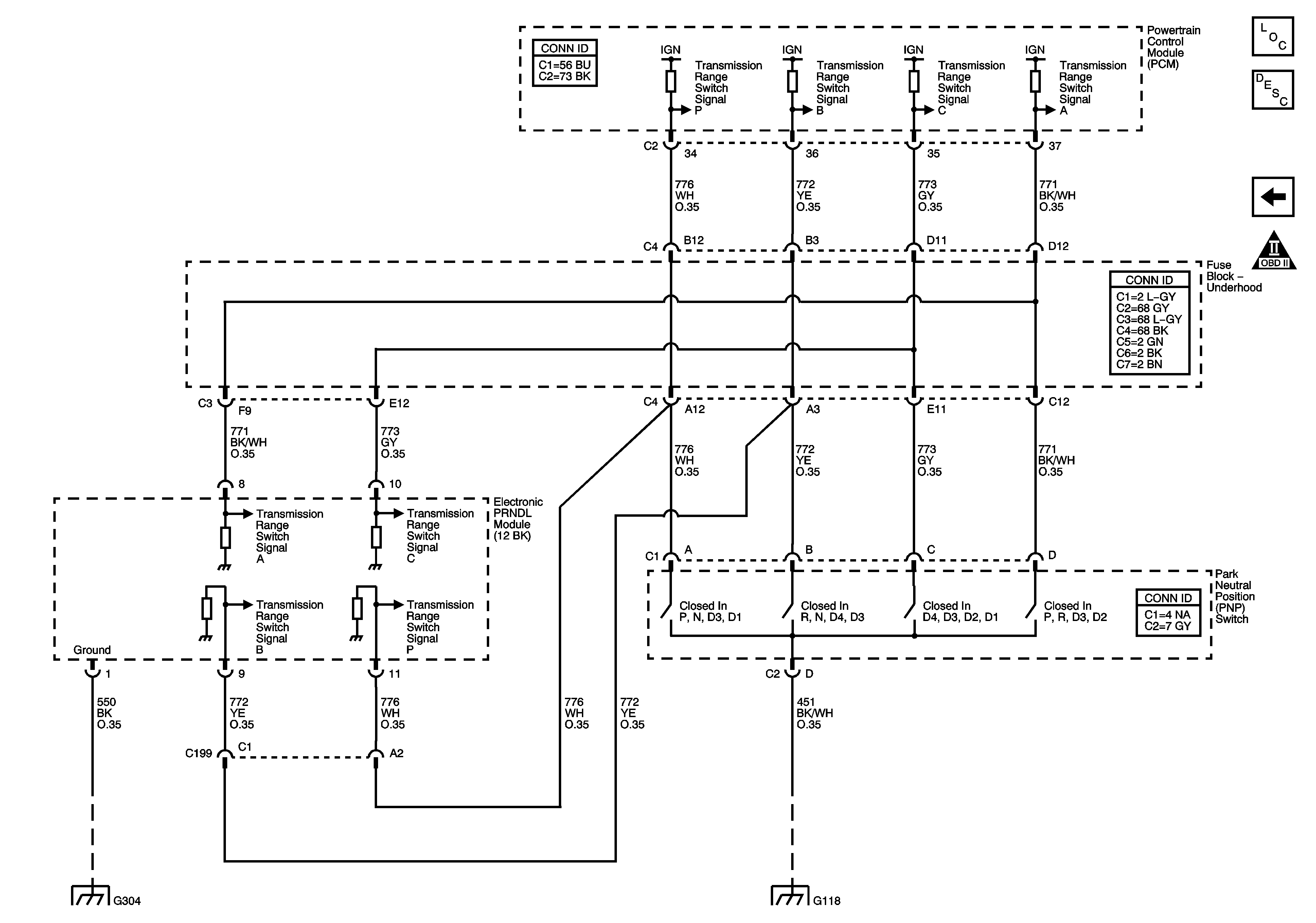
PNP Switch and PRNDL
PCM Power, Ground, Serial Data, MIL
OBD II Symbol Description Notice
Fuse Block-Underhood Bus
EBCM Power, Ground, Serial Data, and Switches- 2.2L
Fuse Block-Underhood : Injector, Controls IGN1, EIS and IGN
Stop Lamps
Figure 3:

PNP Switch and PRNDL


Object Number: 1201428  Size: FS
Master Electrical Component List
Electronic Component Description Input
Solenoids,Speed Sensors, Stop Lamp Switch
OBD II Symbol Description Notice
G300, G304
G102, G110, G118, G114

Automatic Transmission Controls Schematics 3.0L

Figure 1:

TCM Power, Ground, MIL and Stop Lamp Switch


Object Number: 1201430  Size: FS
Master Electrical Component List
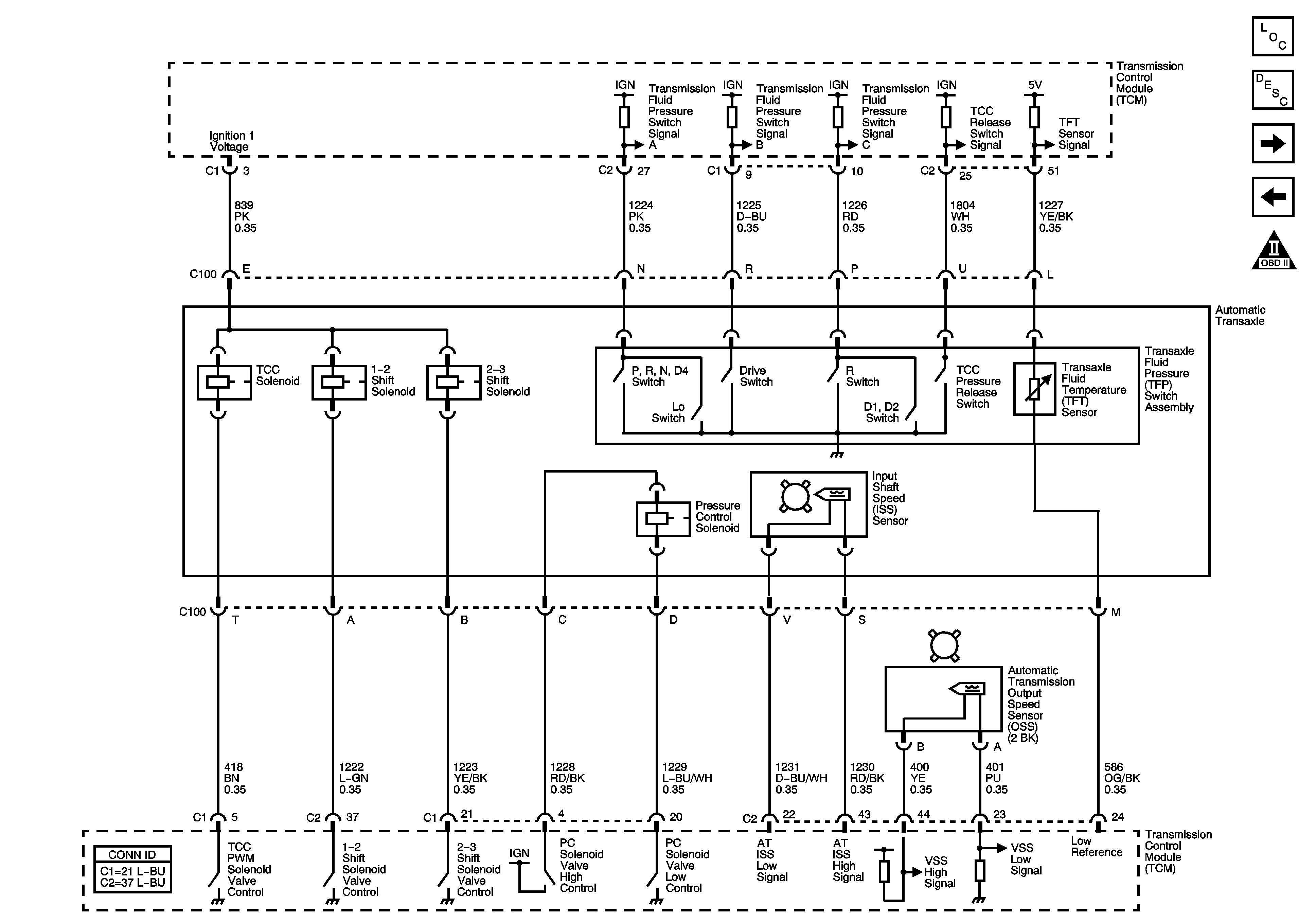
Electronic Component Description Input
Sensors and Solenoids
OBD II Symbol Description Notice
Fuse Block-Underhood : Cooling Fan2, Cooling Fan1, ABS1, ABS2, Park Lamp, Hazard, Brake and Controls B+
Fuse Block-Underhood : Injector, Controls IGN1, EIS and IGN
Fuse Block-Underhood : BCM/ECM/Cruise/ABS, Cruise Switch, IGN1 and Backup/Turn
Fuse Block-Underhood : BCM/ECM/Cruise/ABS, Cruise Switch, IGN1 and Backup/Turn
Stop Lamps
3.0L
G102, G110, G118, G114
Figure 2:

Sensors and Solenoids


Object Number: 1201431  Size: FS
Master Electrical Component List
Electronic Component Description Input
PNP Switch and PRNDL
TCM Power, Ground, MIL, Stop Lamp Switch
OBD II Symbol Description Notice
Figure 3:

PNP Switch and PRNDL


Object Number: 1201436  Size: FS
Master Electrical Component List
Electronic Component Description Input
Sensors and Solenoids
OBD II Symbol Description Notice
Fuse Block-Underhood : IGN1/2, IGN0 and IGN0/3/CR - Ignition Switch