GM Service Manual Online
For 1990-2009 cars only
Figure 1:

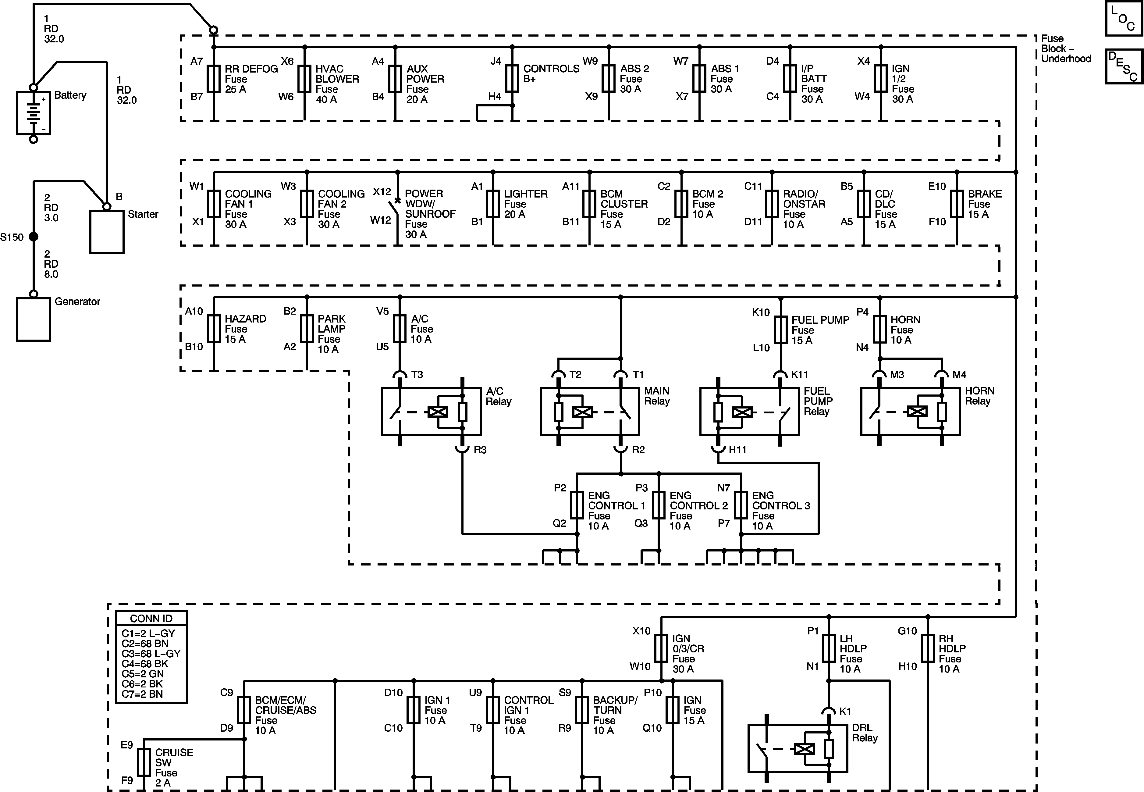
Fuse Block-Underhood Bus


Object Number: 1224113  Size: FS
Figure 2:

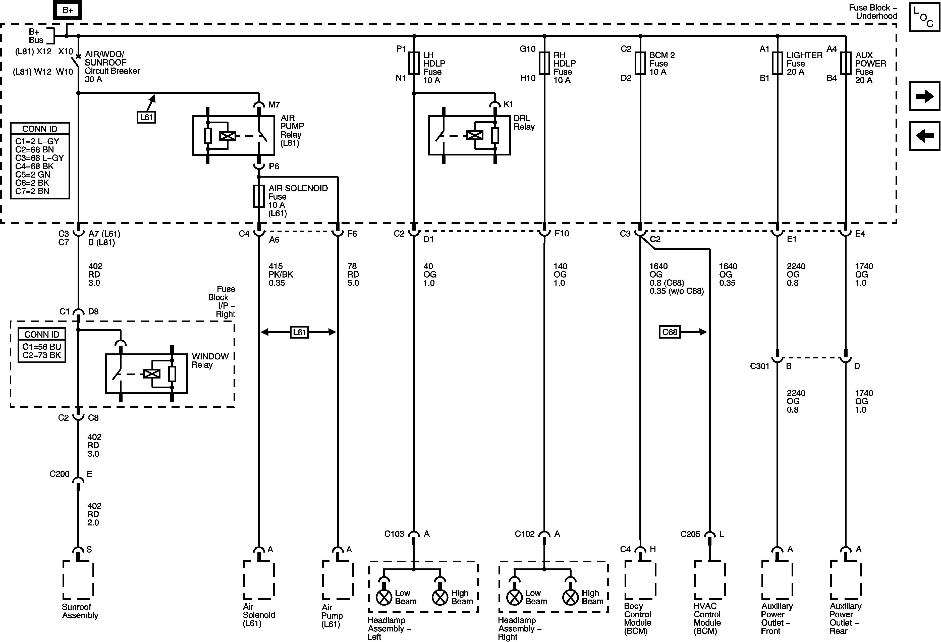
Fuse Block-Underhood Bus (L61)


Object Number: 1224183  Size: FS
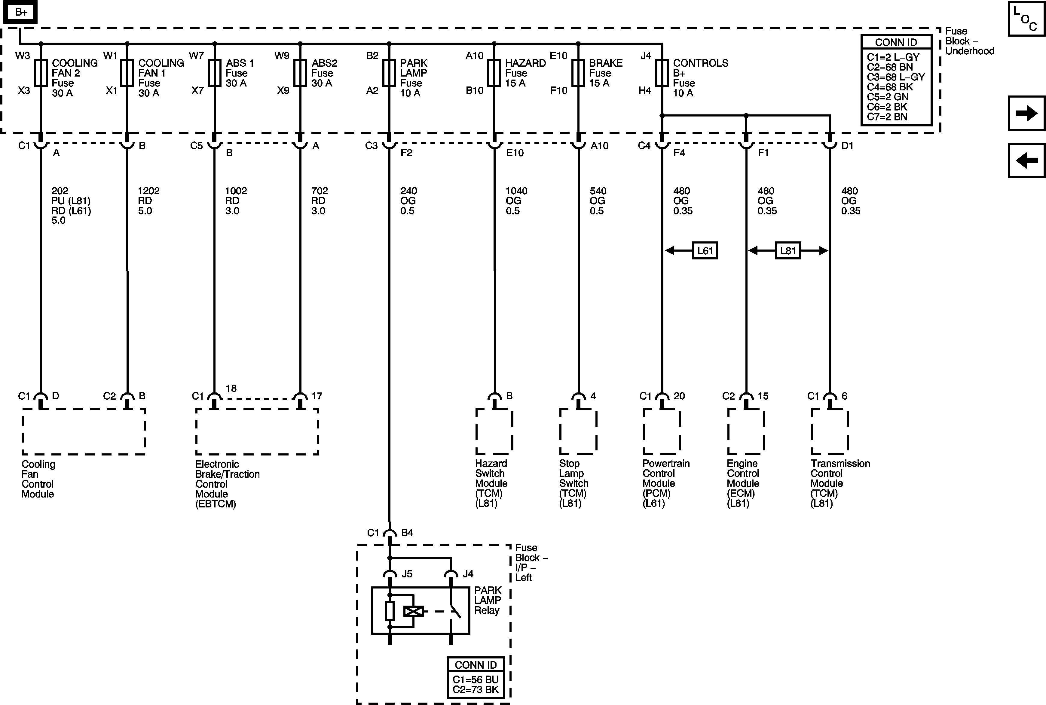
Figure 3:

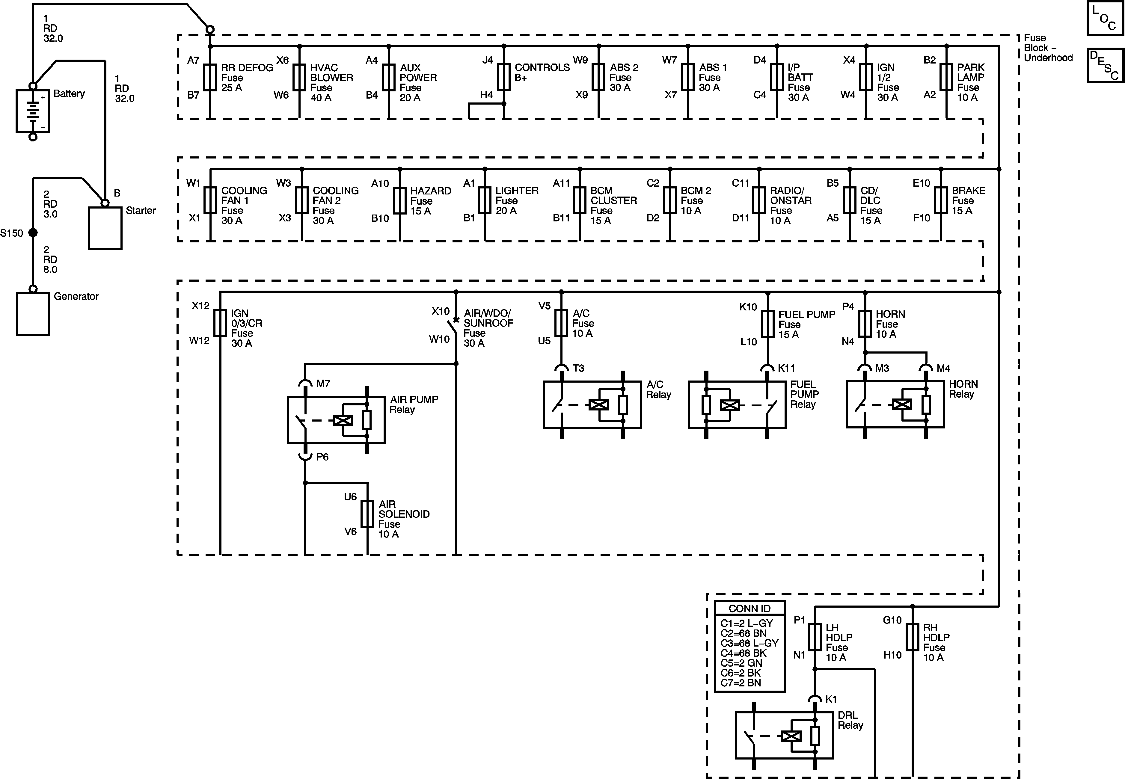
Fuse Block-Underhood : Cooling Fan2, Cooling Fan1, ABS1, ABS2, Park Lamp, Hazard, Brake and Controls B+


Object Number: 1224206  Size: FS
Figure 4:

Fuse Block-Underhood : Air/Wdo/Sunroof, Air Solenoid, LH HDLP, RH HDLP, BCM2, Lighter and Aux Power


Object Number: 1224252  Size: FS
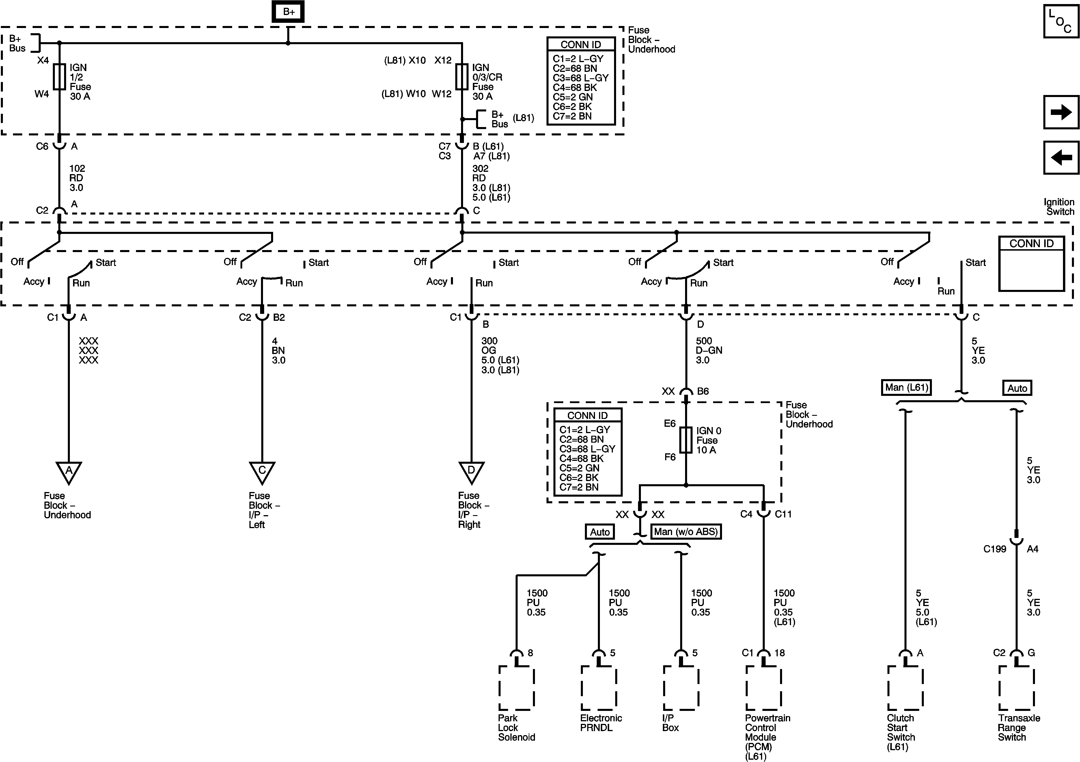
Figure 5:

Fuse Block-Underhood : IGN1/2, IGN0 and IGN0/3/CR . Ignition Switch


Object Number: 1224257  Size: FS
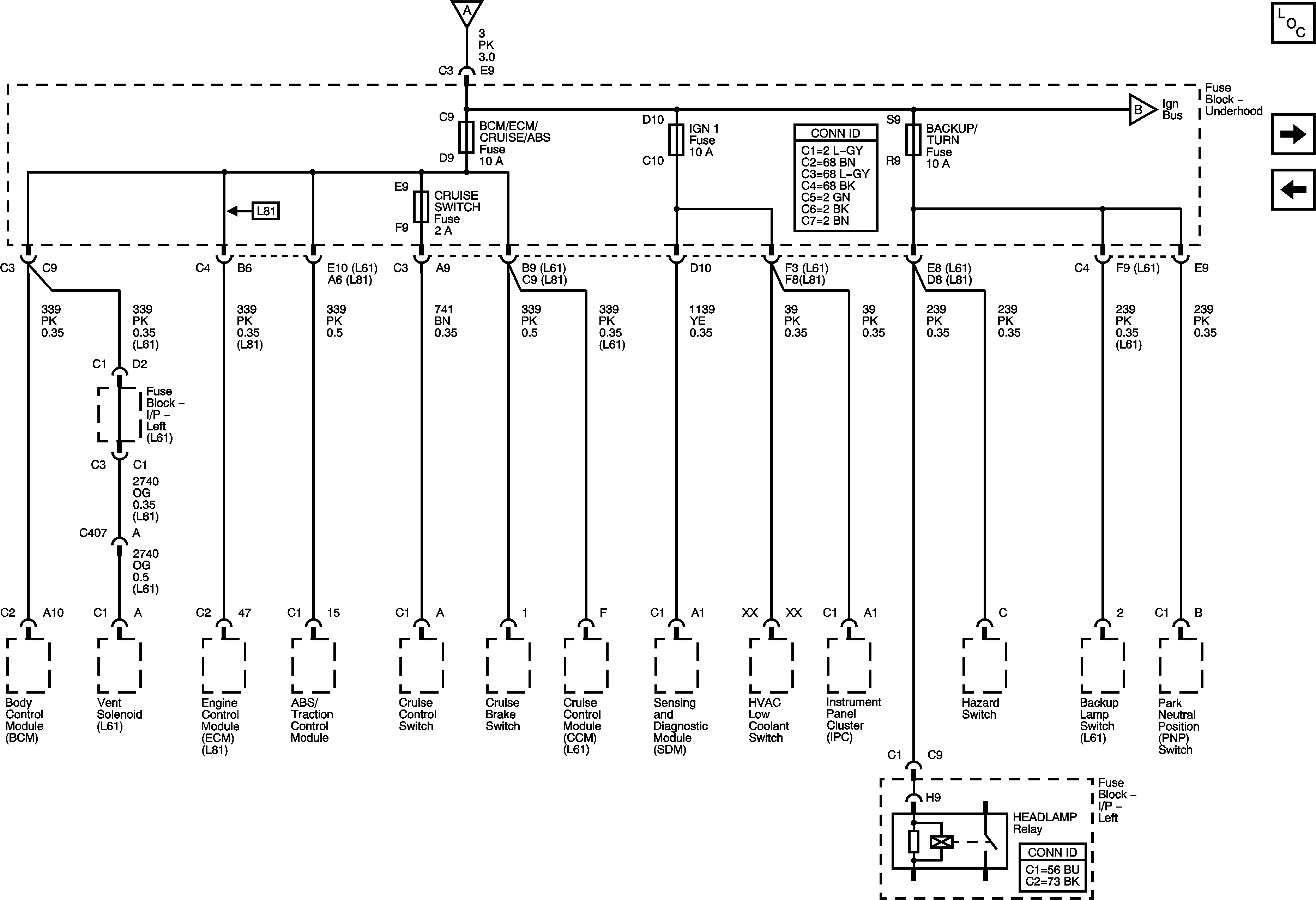
Figure 6:

Fuse Block-Underhood : BCM/ECM/Cruise/ABS, Cruise Switch, IGN1 and Backup/Turn


Object Number: 1224258  Size: FS
Figure 7:

Fuse Block-Underhood : Injector, Controls IGN1, EIS and IGN


Object Number: 1224261  Size: FS
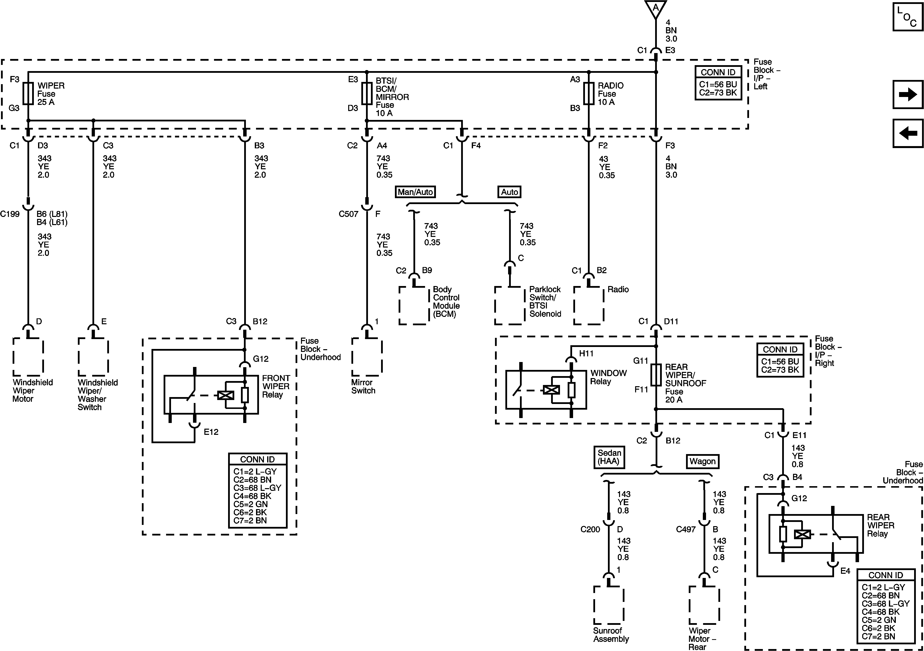
Figure 8:

Fuse Block-Right I/P : Rear Wiper/Sunroof; Fuse Block-Left I/P : Wiper, BTSI/BCM/Mirror and Radio


Object Number: 1224263  Size: FS
Figure 9:

Fuse Block-Underhood : IGN3; Fuse Block-Right I/P : Heated Seat


Object Number: 1224264  Size: FS
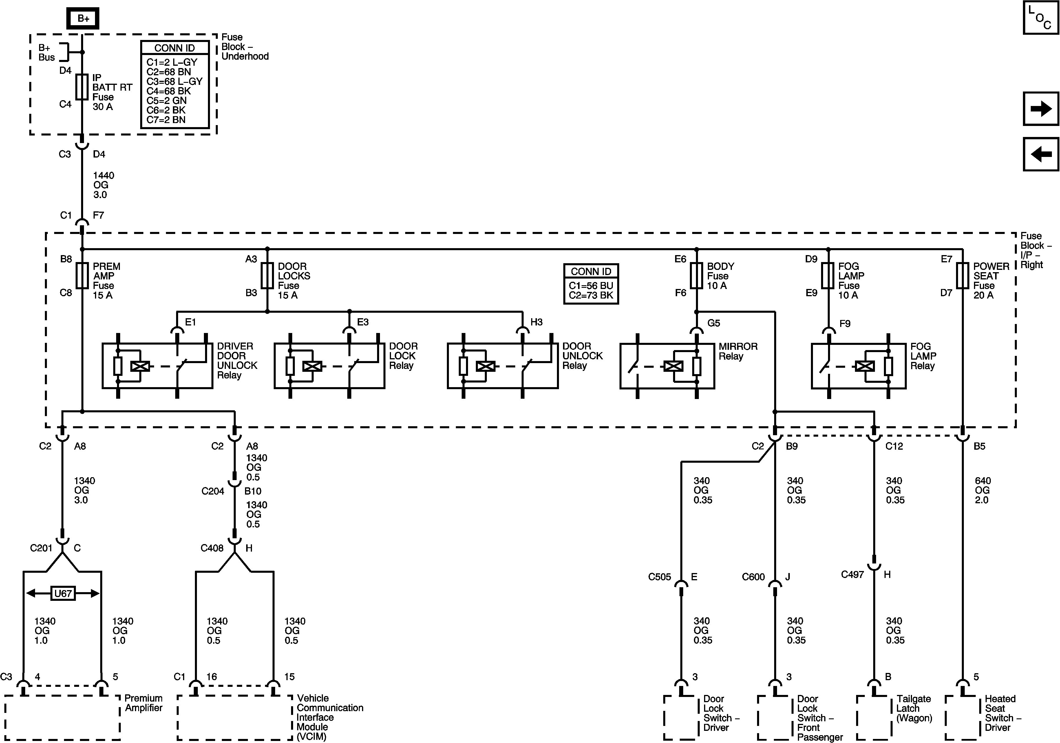
Figure 10:

Fuse Block-Underhood : I/P BATT RT; Fuse Block-Right I/P : Prem Amp, Door Locks, Body and Fog Lamp


Object Number: 1224265  Size: FS
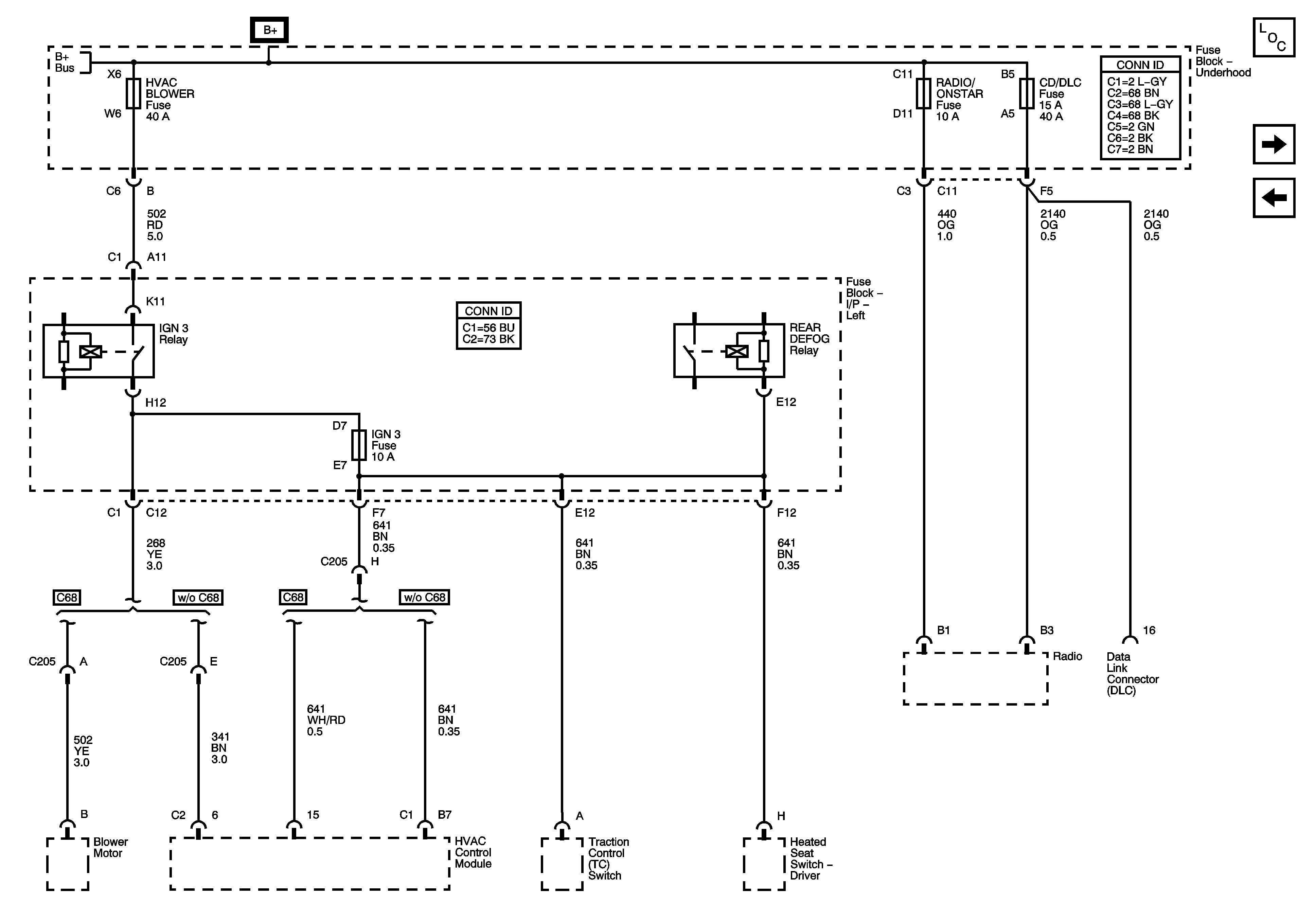
Figure 11:

Fuse Block-Underhood : HVAC Blower, Radio/Onstar and CD/DLC; Fuse Block-Left I/P : IGN3


Object Number: 1224266  Size: FS
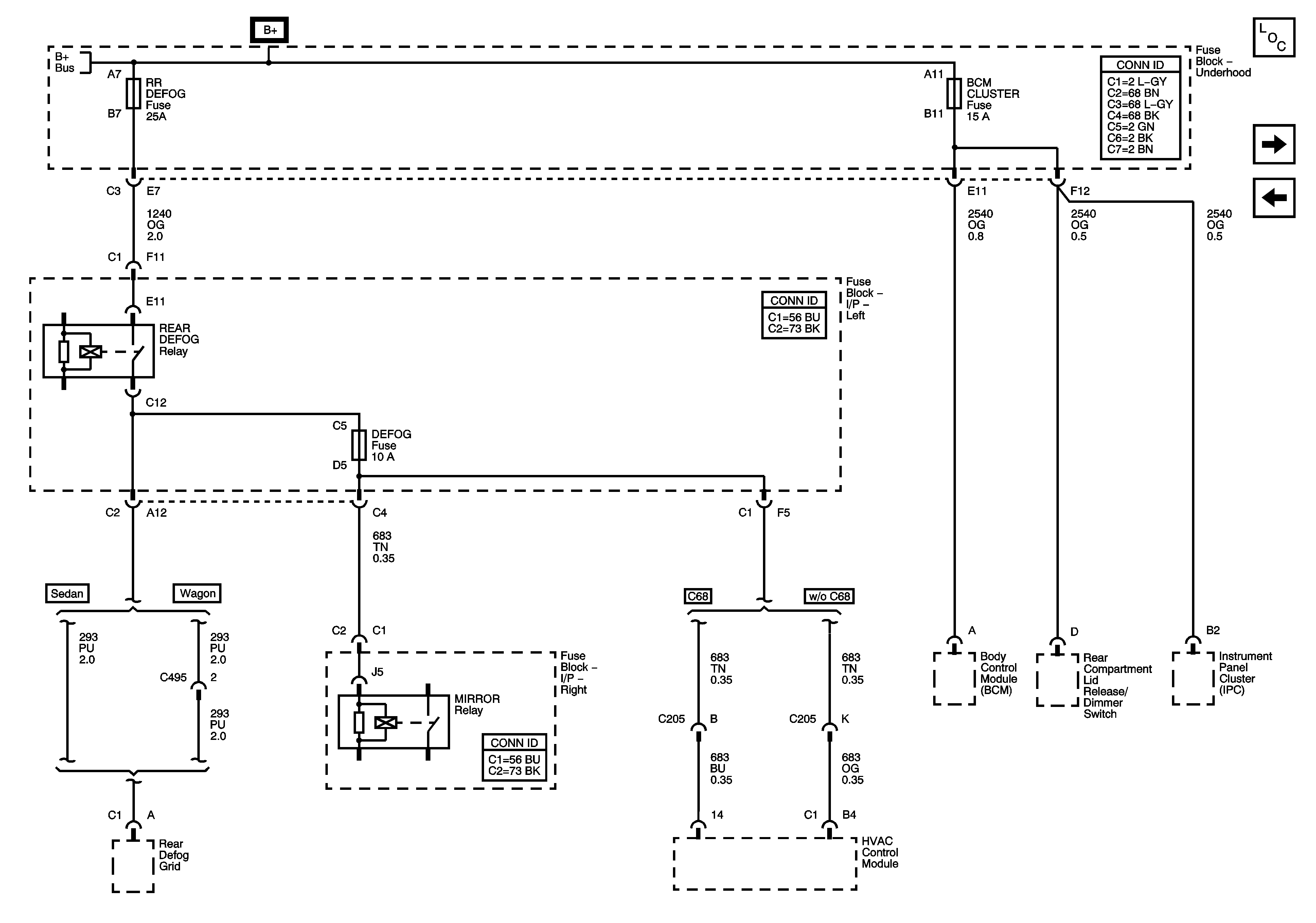
Figure 12:

Fuse Block-Underhood : RR Defog and BCM Cluster; Fuse Block-Left I/P : Defog


Object Number: 1224267  Size: FS
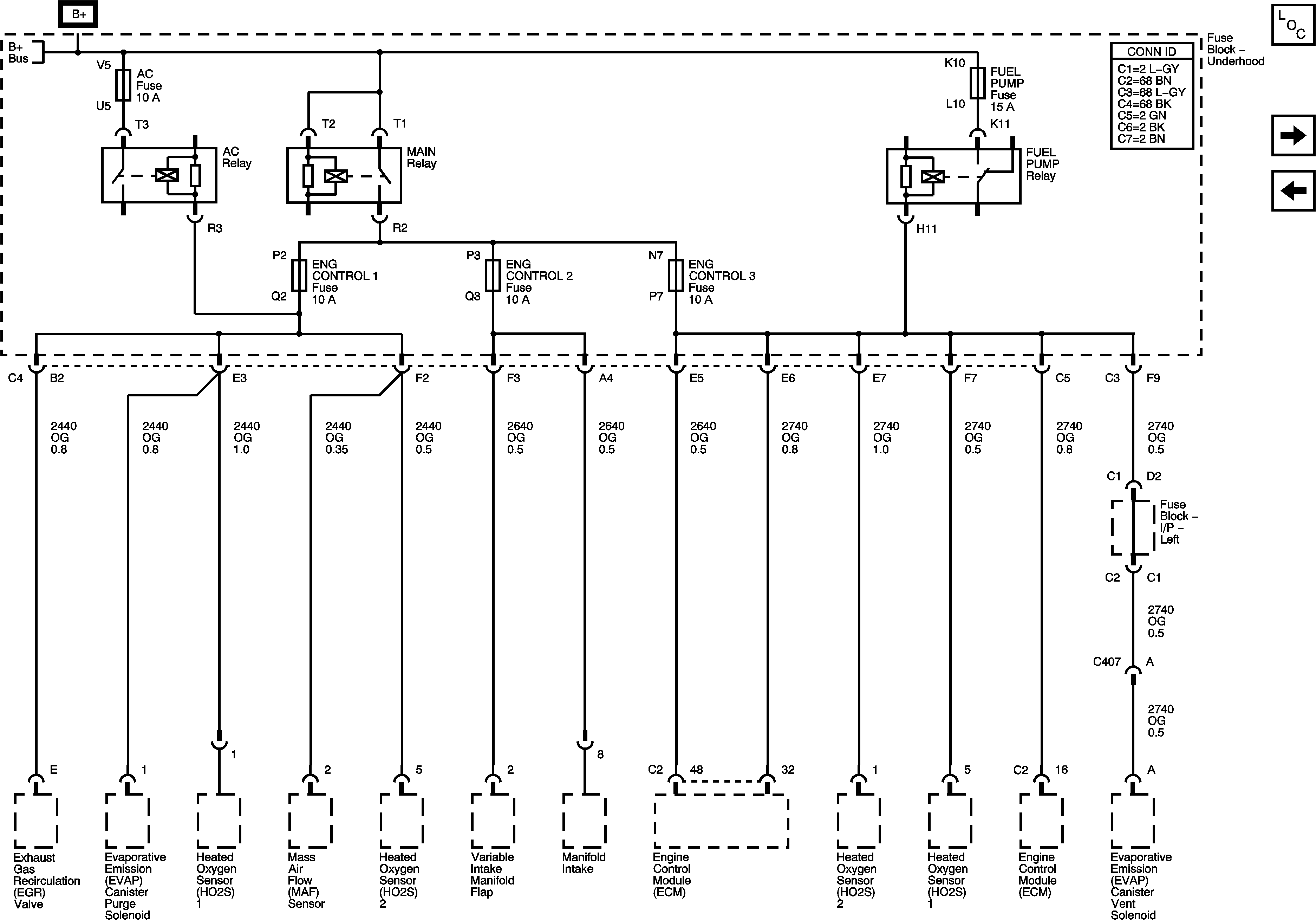
Figure 13:

Fuse Block-Underhood : AC, Fuel Pump, ENG Control 1, ENG Control 2 and ENG Control 3


Object Number: 1224268  Size: FS
Figure 14:

Fuse Block-Left I/P : Dimmer


Object Number: 1224272  Size: FS