GM Service Manual Online
For 1990-2009 cars only
Makes
🢒
Saturn
🢒
2003
🢒
L300/LW300
🢒
Restraints
🢒
SIR
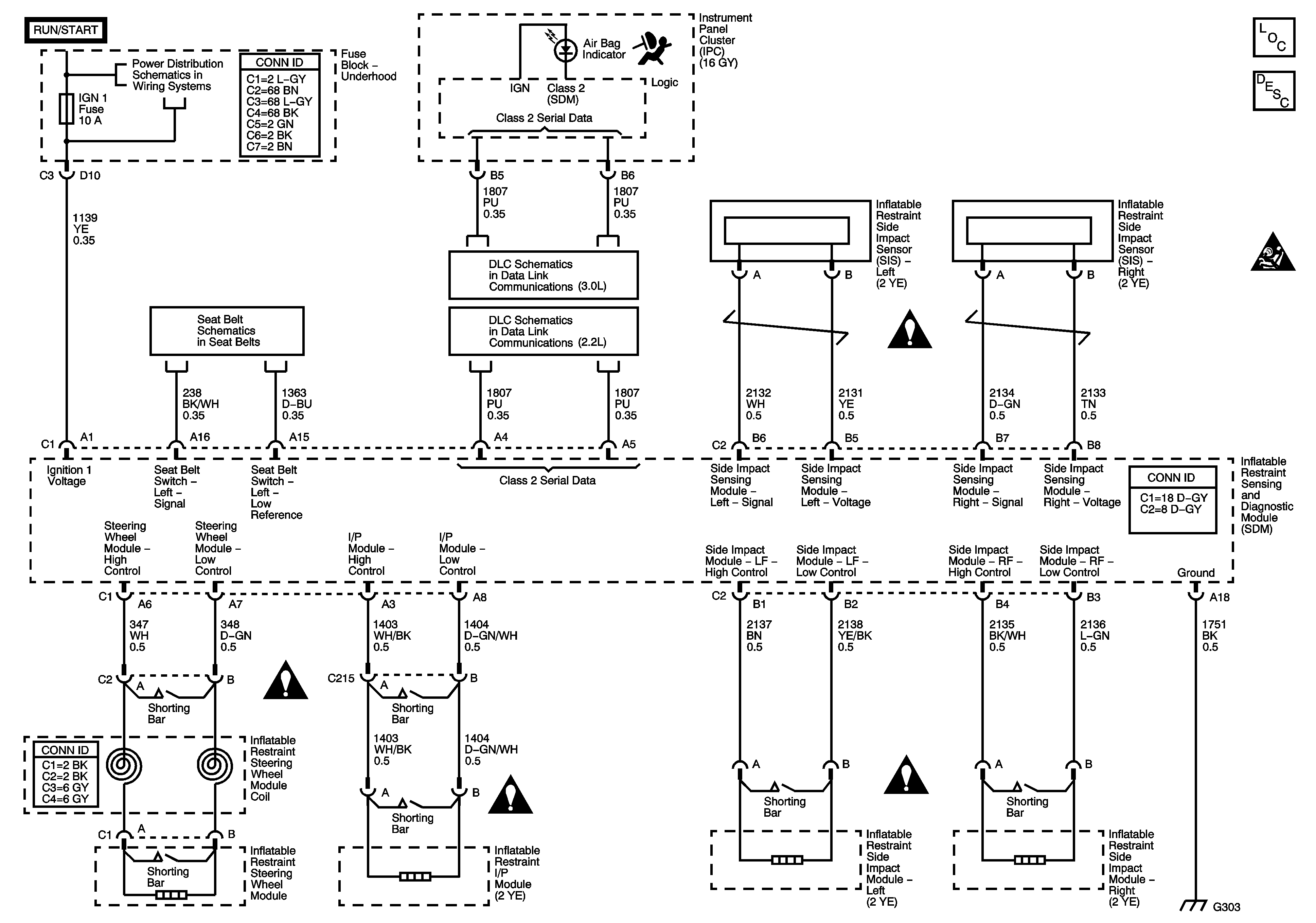
🢒 SIR Schematics
Master Electrical Component List
SIR System Description and Operation
SIR Caution for Zoning
Fuse Block-Underhood : BCM/ECM/Cruise/ABS, Cruise Switch, IGN1 and Backup/Turn
Seat Belt Schematic
3.0L
3.0L
SIR Schematic Icons
SIR Schematic Icons
SIR Schematic Icons
SIR Schematic Icons