GM Service Manual Online
For 1990-2009 cars only
Makes
🢒
Saturn
🢒
2003
🢒
L300/LW300
🢒
Body and Accessories
🢒
Wipers/Washer Systems
🢒 Wiper/Washer Schematics
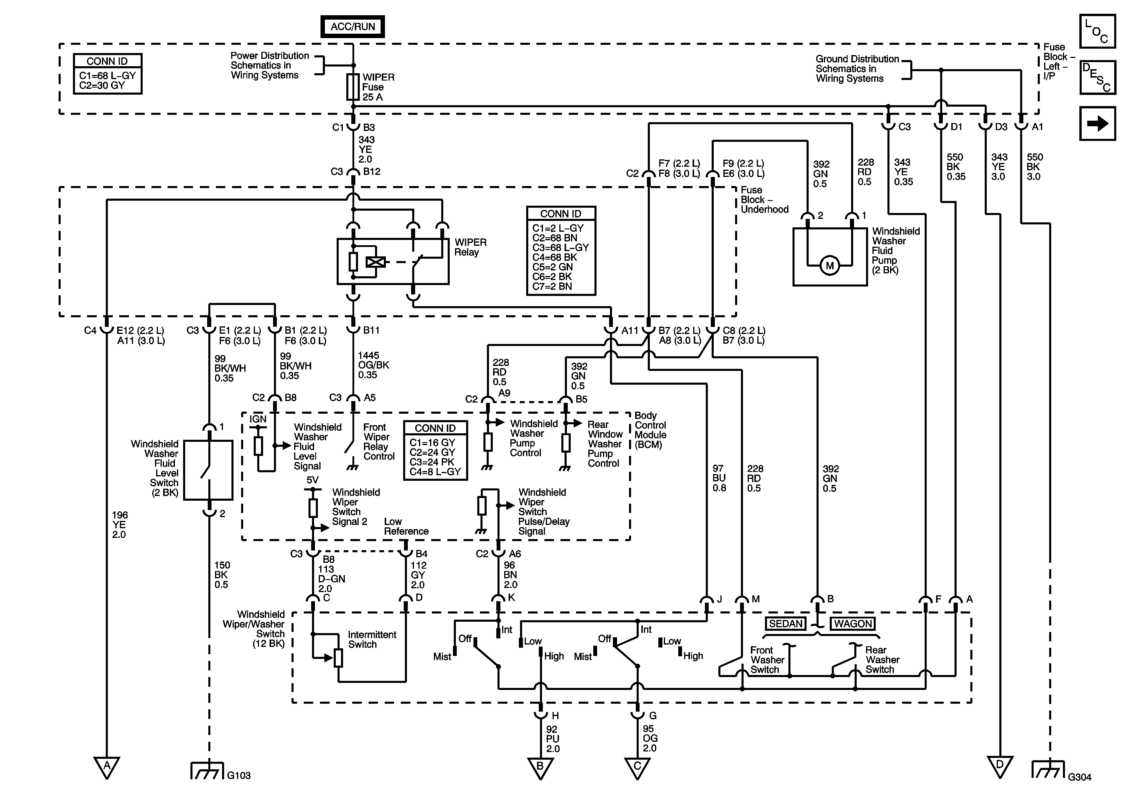
Figure
1:
Windshield Wiper/Wiper Switch and Washer Control
Master Electrical Component List
Wiper/Washer System Description and Operation
Wiper Motors
Fuse Block-Right I/P : Rear Wiper/Sunroof - Fuse Block-Left I/P : Wiper, BTSI/BCM/Mirror and Radio
G300, G304
Wiper Motors
G105, G103, G113 and G107
Wiper Motors
Wiper Motors
Wiper Motors
G300, G304
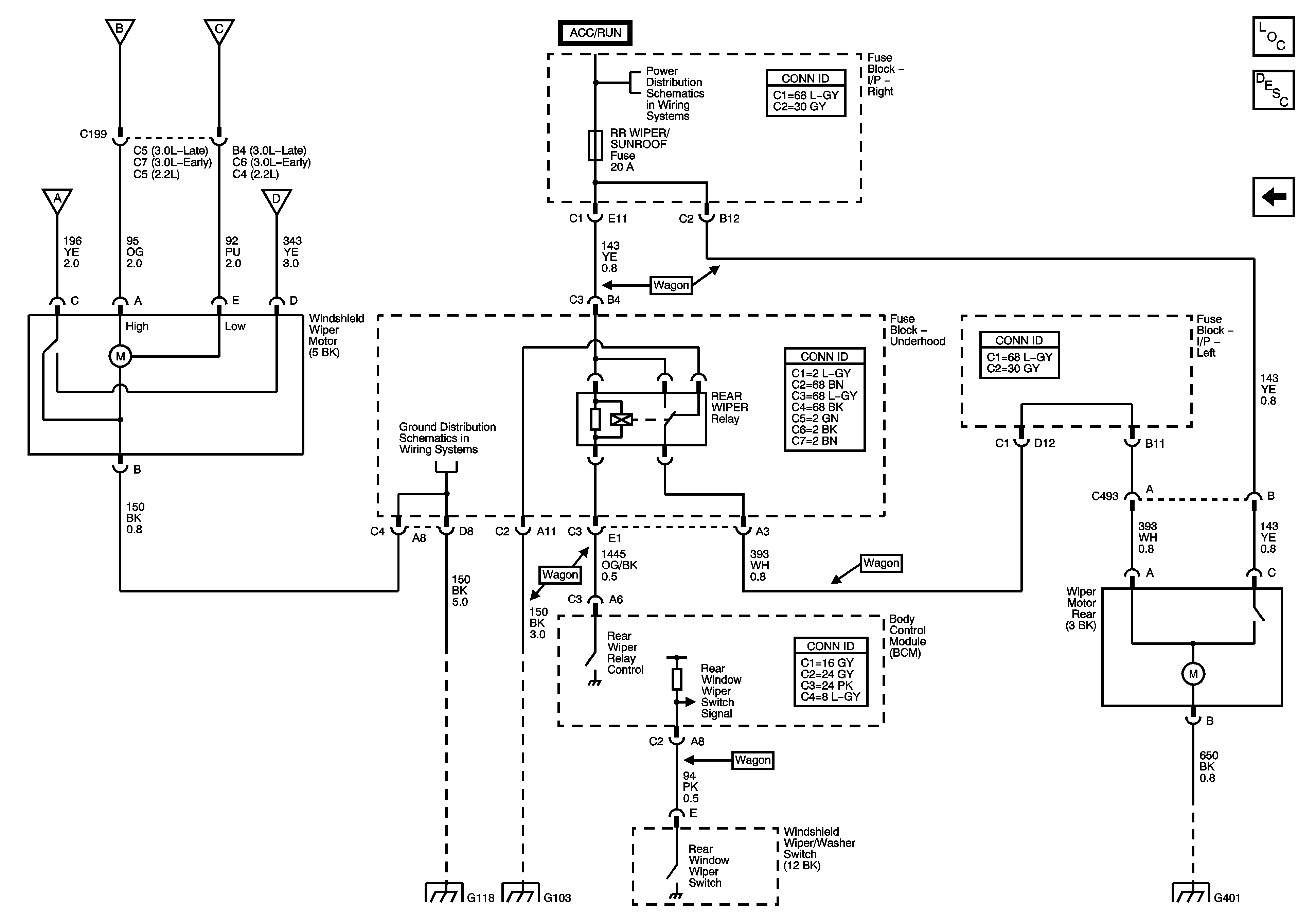
Figure
2:
Wiper Motors
Master Electrical Component List
Wiper/Washer System Description and Operation
Washer and Wiper Controls
Washer and Wiper Controls
Washer and Wiper Controls
Washer and Wiper Controls
Washer and Wiper Controls
Fuse Block-Right I/P : Rear Wiper/Sunroof - Fuse Block-Left I/P : Wiper, BTSI/BCM/Mirror and Radio
G118
G105, G103, G113 and G107
G464, G401, G463 and G403