GM Service Manual Online
For 1990-2009 cars only
Makes
🢒
Saturn
🢒
2003
🢒
L300/LW300
🢒
Body and Accessories
🢒
Cruise Control
🢒 Cruise Control Schematics
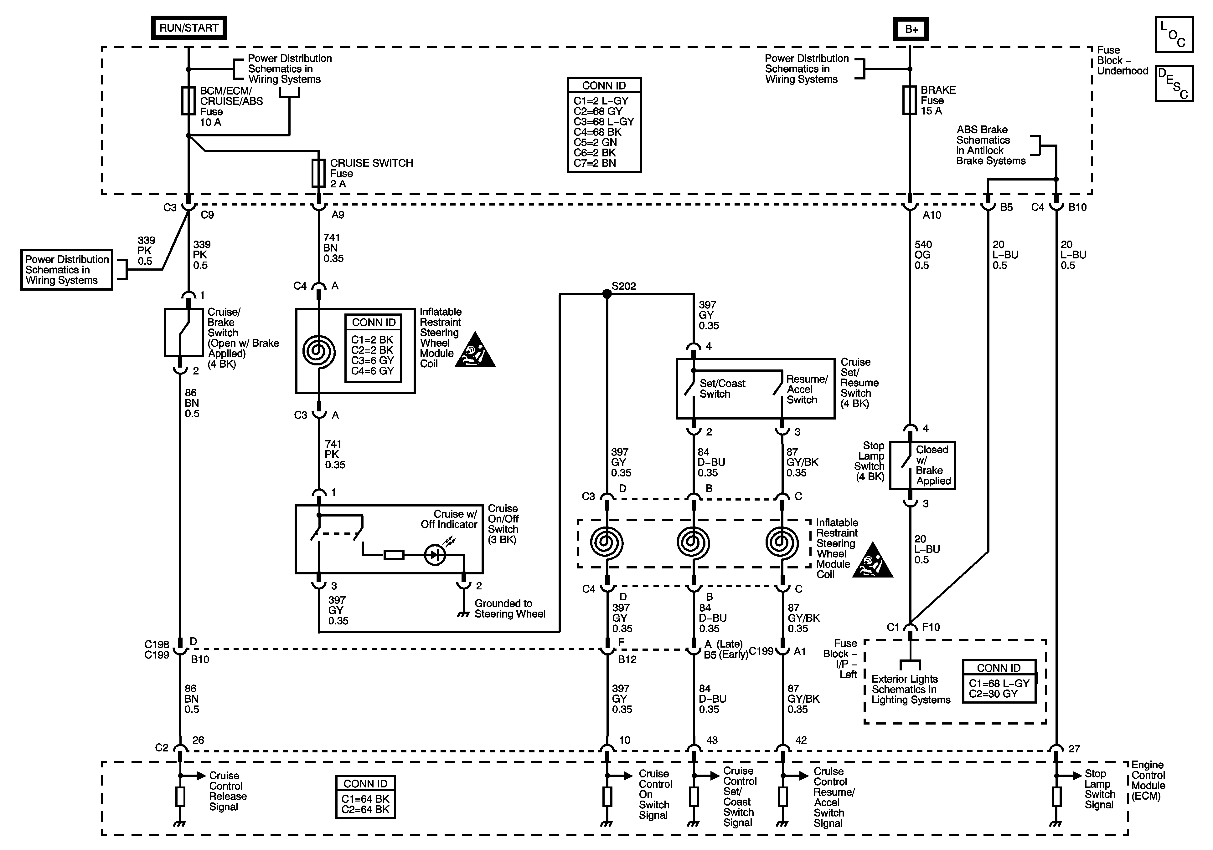
Cruise Control Schematics 2.2L
Master Electrical Component List
Cruise Control Description and Operation L61
Fuse Block-Underhood : BCM/ECM/Cruise/ABS, Cruise Switch, IGN1 and Backup/Turn
Fuse Block-Underhood : Cooling Fan2, Cooling Fan1, ABS1, ABS2, Park Lamp, Hazard, Brake and Controls B+
Fuse Block-Underhood : IGN3 - Fuse Block-Right I/P : Heated Seat
SIR Caution for Zoning
SIR Caution for Zoning
Stop Lamps
EBCM Power, Ground, Serial Data, and Switches- 2.2L
G102, G110, G118, G114
Cruise Control Schematics 3.0L
Master Electrical Component List
Cruise Control Description and Operation L81
Fuse Block-Underhood : BCM/ECM/Cruise/ABS, Cruise Switch, IGN1 and Backup/Turn
Fuse Block-Underhood : BCM/ECM/Cruise/ABS, Cruise Switch, IGN1 and Backup/Turn
Fuse Block-Underhood : Cooling Fan2, Cooling Fan1, ABS1, ABS2, Park Lamp, Hazard, Brake and Controls B+
EBCM Power, Ground, Serial Data, and Switches- 2.2L
SIR Caution for Zoning
SIR Caution for Zoning
Stop Lamps