GM Service Manual Online
For 1990-2009 cars only
Makes
🢒
Saturn
🢒
2003
🢒
L300/LW300
🢒
Body and Accessories
🢒
Doors
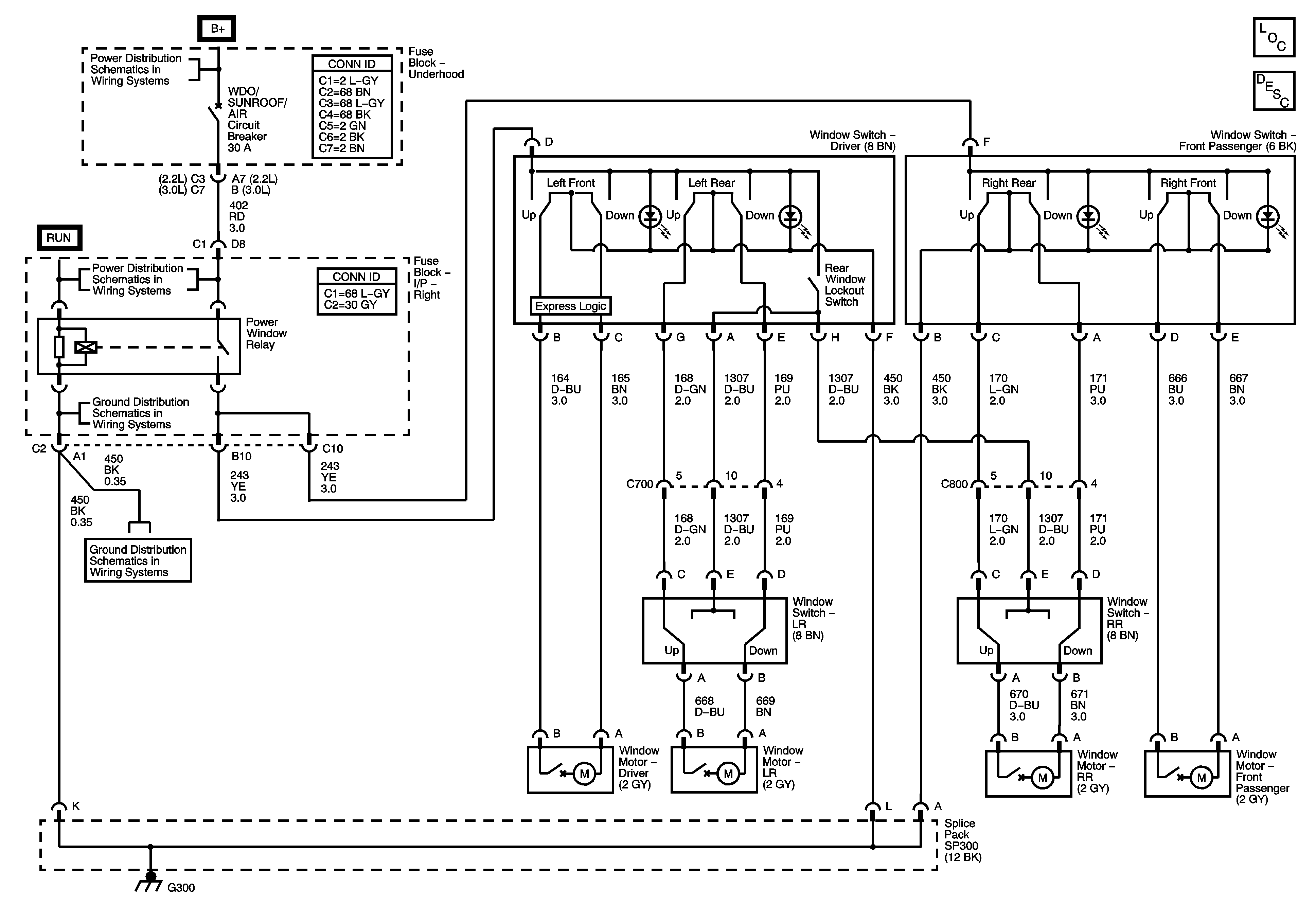
🢒 Power Window Schematics
Master Electrical Component List
Power Windows Description and Operation
Fuse Block-Underhood : Air/Wdo/Sunroof, Air Solenoid, LH HDLP, RH HDLP, BCM2, Lighter and Aux Power
Fuse Block-Underhood : Air/Wdo/Sunroof, Air Solenoid, LH HDLP, RH HDLP, BCM2, Lighter and Aux Power
G300
G300