GM Service Manual Online
For 1990-2009 cars only
Makes
🢒
Saturn
🢒
2003
🢒
L300/LW300
🢒
Body and Accessories
🢒
Doors
🢒 Door Lock/Indicator Schematics
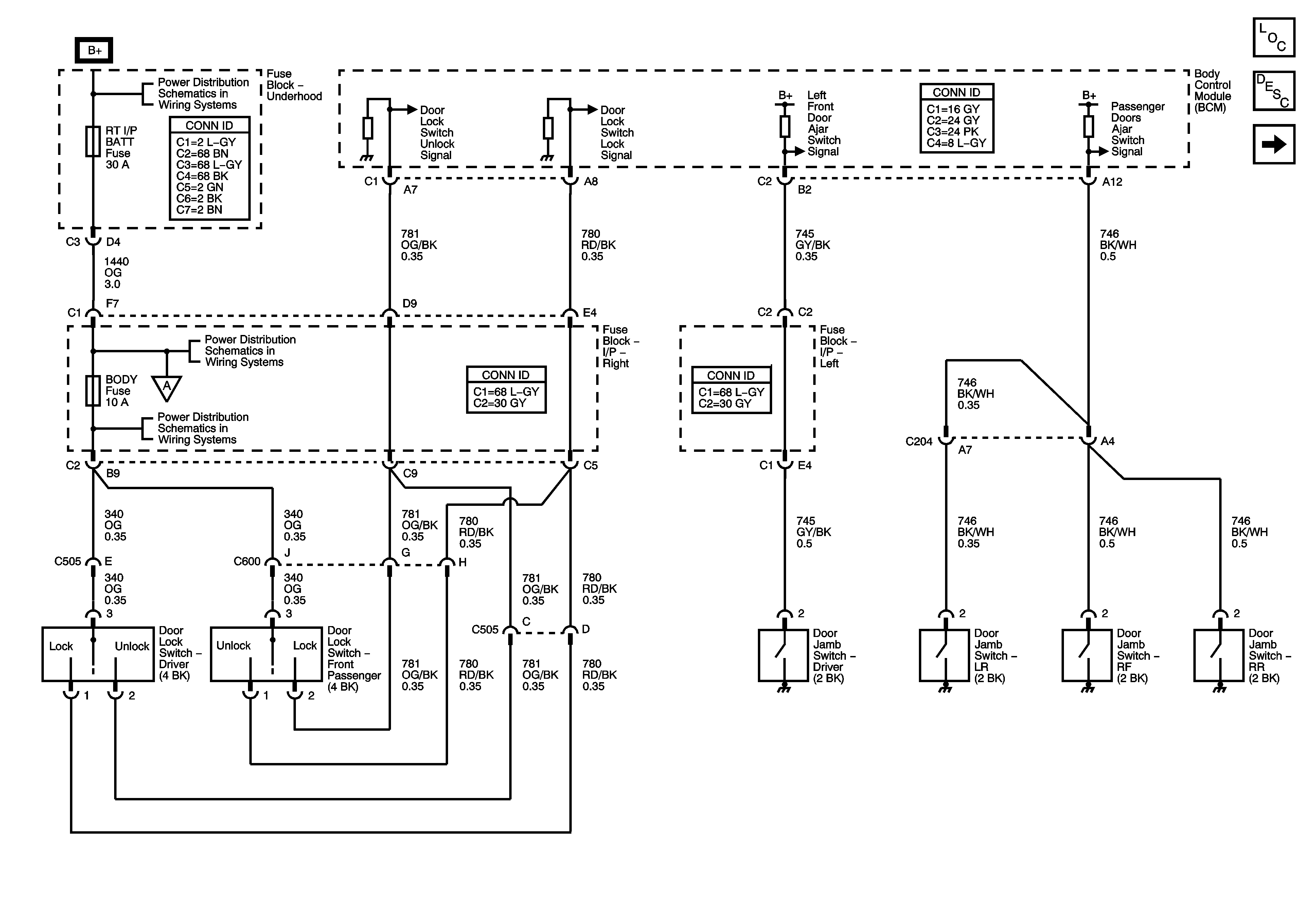
Figure
1:
Door Lock Switches and Door Jamb Switches
Master Electrical Component List
Power Door Locks Description and Operation
Door Lock Actuators
Fuse Block-Underhood : IP BATT RT - Fuse Block-Right I/P : Prem Amp, Door Lock, Body and Fog lamp
Fuse Block-Underhood : IP BATT RT - Fuse Block-Right I/P : Prem Amp, Door Lock, Body and Fog lamp
Door Lock Actuators
Fuse Block-Underhood : IP BATT RT - Fuse Block-Right I/P : Prem Amp, Door Lock, Body and Fog lamp
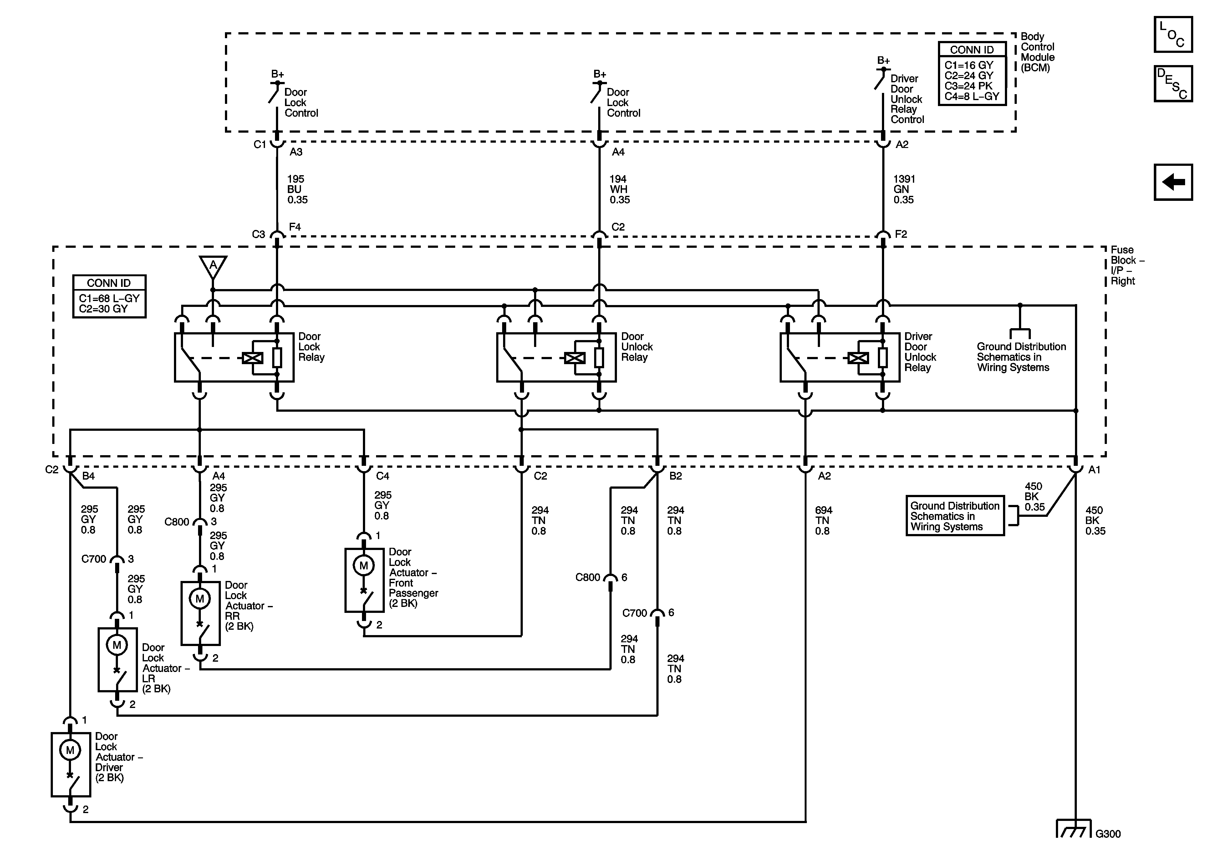
Figure
2:
Door Lock Actuators
Master Electrical Component List
Power Door Locks Description and Operation
Door Lock Switches and Door Jamb Switches
Door Lock Switches and Door Jamb Switches
G300
G300
G300