GM Service Manual Online
For 1990-2009 cars only
Makes
🢒
Saturn
🢒
2003
🢒
L300/LW300
🢒 Fuel Controls
Fuel Controls
Fuel Controls
Master Electrical Component List
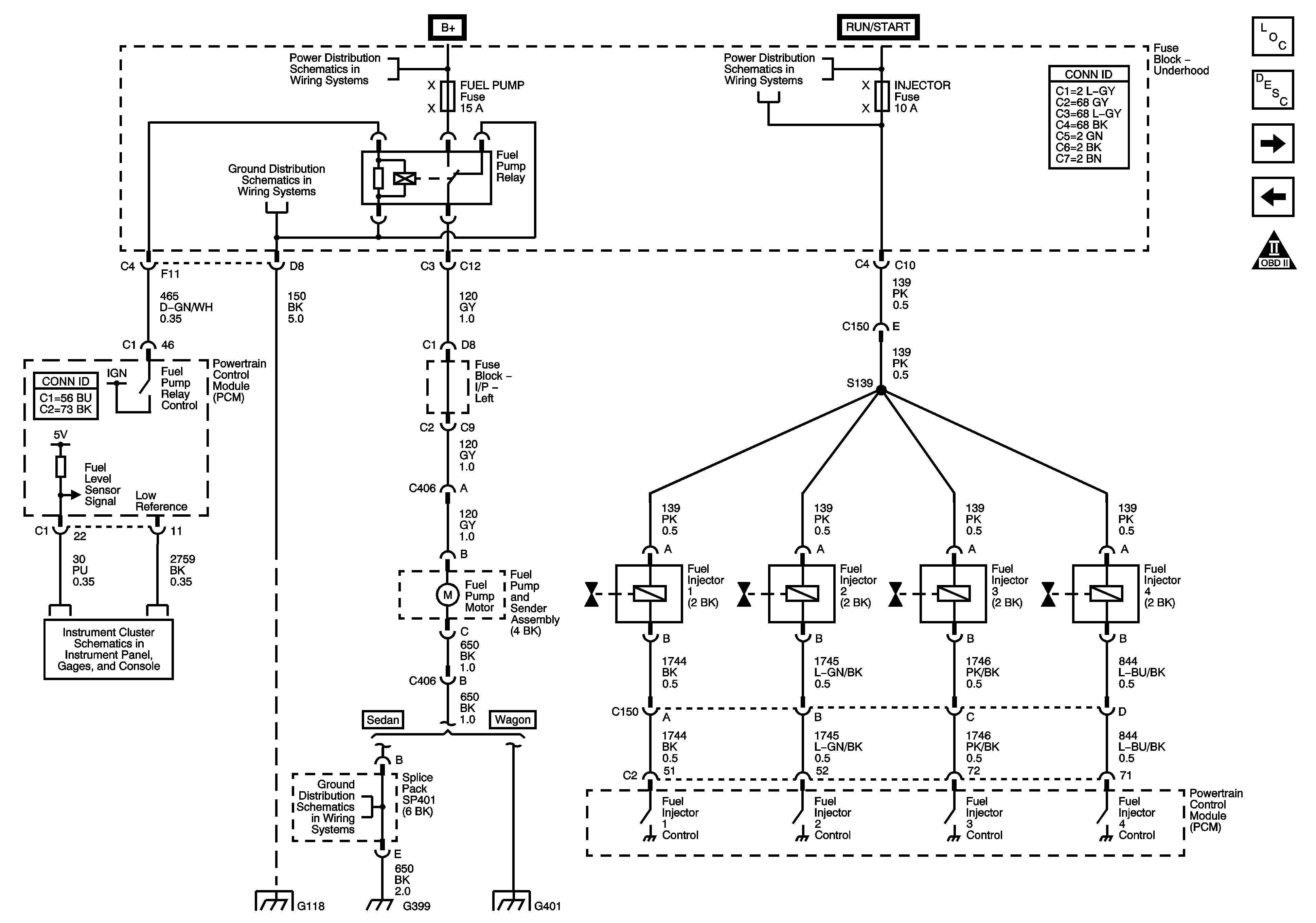
Fuel System Description
EVAP and IAC
Ignition Controls
OBD II Symbol Description Notice
Fuse Block-Underhood : AC, Fuel Pump, ENG Control1, ENG Control2 and ENG Control3
G118
Fuse Block-Underhood : Injector, Controls IGN1, EIS and IGN
Gages
G305, G401, G399 and G400
G118
G464, G401, G463 and G403