GM Service Manual Online
For 1990-2009 cars only
Makes
🢒
Saturn
🢒
2003
🢒
L300/LW300
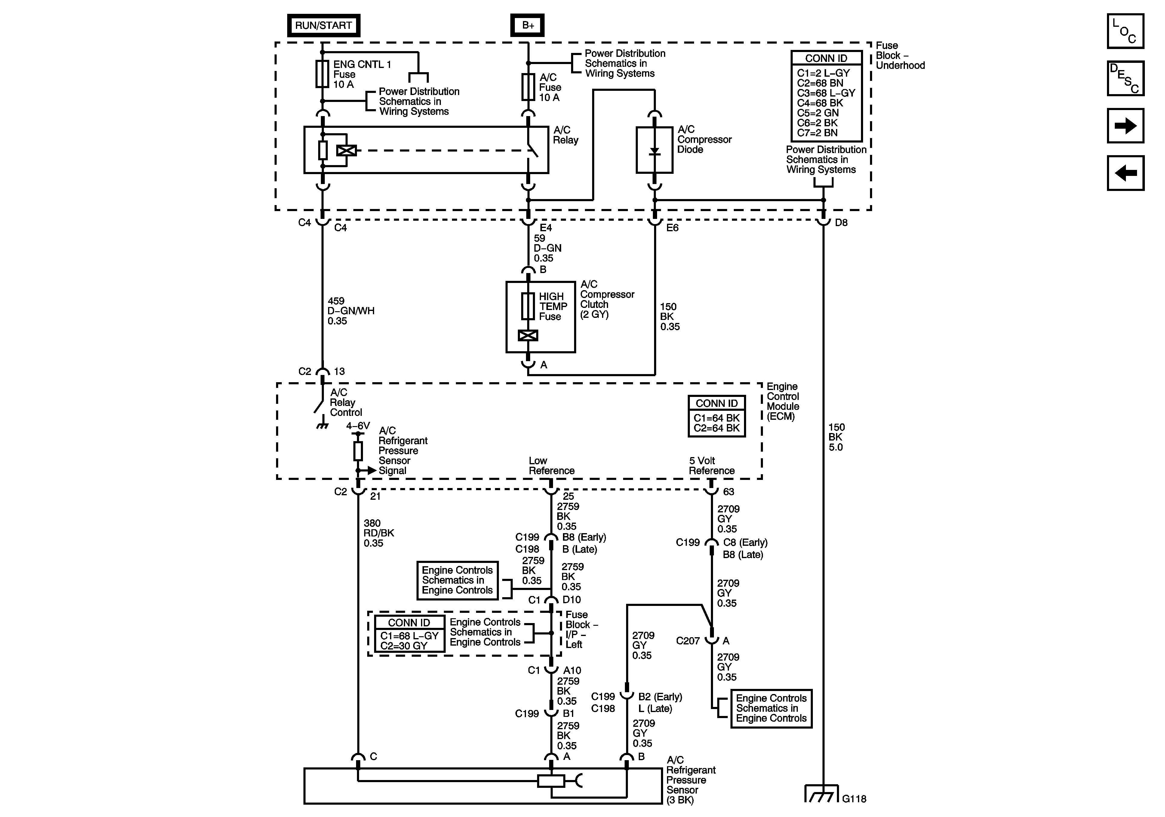
🢒 A/C Compressor Controls- 3.0L
A/C Compressor Controls- 3.0L
A/C Compressor Control- 3.0L
Master Electrical Component List
Air Delivery Description and Operation
A/C Compressor Controls- 2.2L
Fuse Block-Underhood : AC, Fuel Pump, ENG Control1, ENG Control2 and ENG Control3
Fuse Block-Underhood : AC, Fuel Pump, ENG Control1, ENG Control2 and ENG Control3
G118
Engine Data Sensors- Low References
Engine Data Sensors- Low References
Engine Data Sensors- 5 Volt References
G118