GM Service Manual Online
For 1990-2009 cars only
Makes
🢒
Saturn
🢒
2003
🢒
L300/LW300
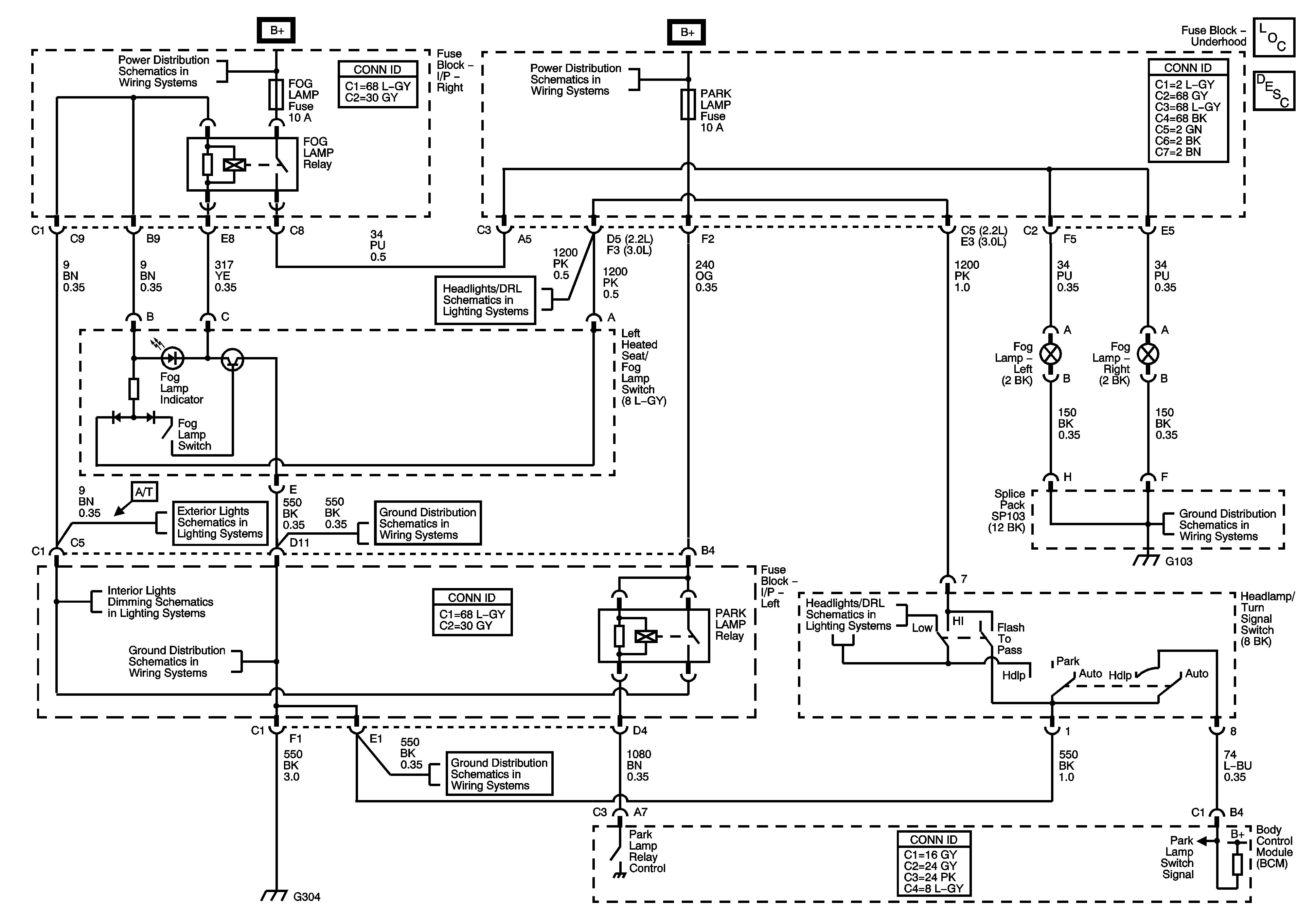
🢒 Fog Lights Schematics
Fog Lights Schematics
Master Electrical Component List
Exterior Lighting Systems Description and Operation
Fuse Block-Underhood : IP BATT RT - Fuse Block-Right I/P : Prem Amp, Door Lock, Body and Fog lamp
Fuse Block-Underhood : Cooling Fan2, Cooling Fan1, ABS1, ABS2, Park Lamp, Hazard, Brake and Controls B+
Park Lamps- Sedan
Park Lamps- Sedan
G300, G304
G300, G304
G300, G304
Headlights/DRL Schematics
G105, G103, G113 and G107