GM Service Manual Online
For 1990-2009 cars only
Makes
🢒
Saturn
🢒
2003
🢒
L300/LW300
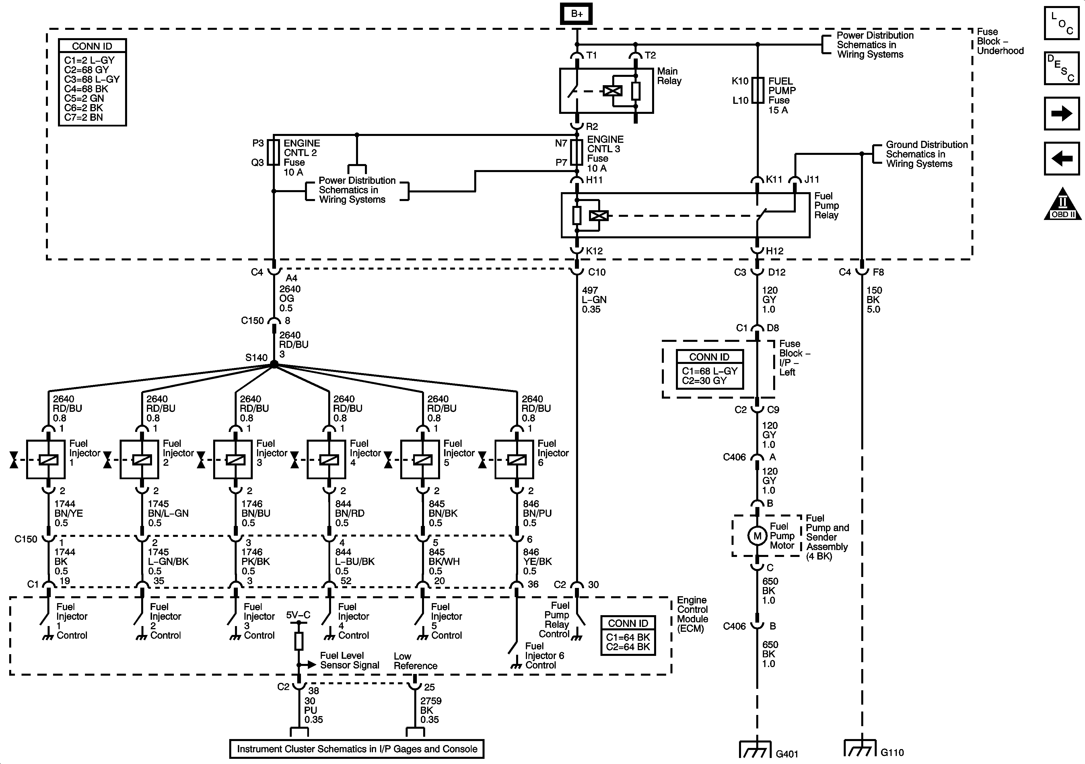
🢒 Fuel Pump and Fuel Injector Control
Fuel Pump and Fuel Injector Control
Fuel System
Master Electrical Component List
Engine Control Module Description
EVAP Controls, EGR
Ignition Controls Sensors
OBD II Symbol Description Notice
Fuse Block Underhood Fuses: AC, Fuel Pump, ENG Control, ENG Control2, ENG Control3
Fuse Block - Underhood Bus
G102, G110, G118, G114
Gages
G305, G401, G399, G400
G102, G110, G118, G114