GM Service Manual Online
For 1990-2009 cars only
Makes
🢒
Saturn
🢒
2003
🢒
L300/LW300
🢒 Body Rear End Schematics
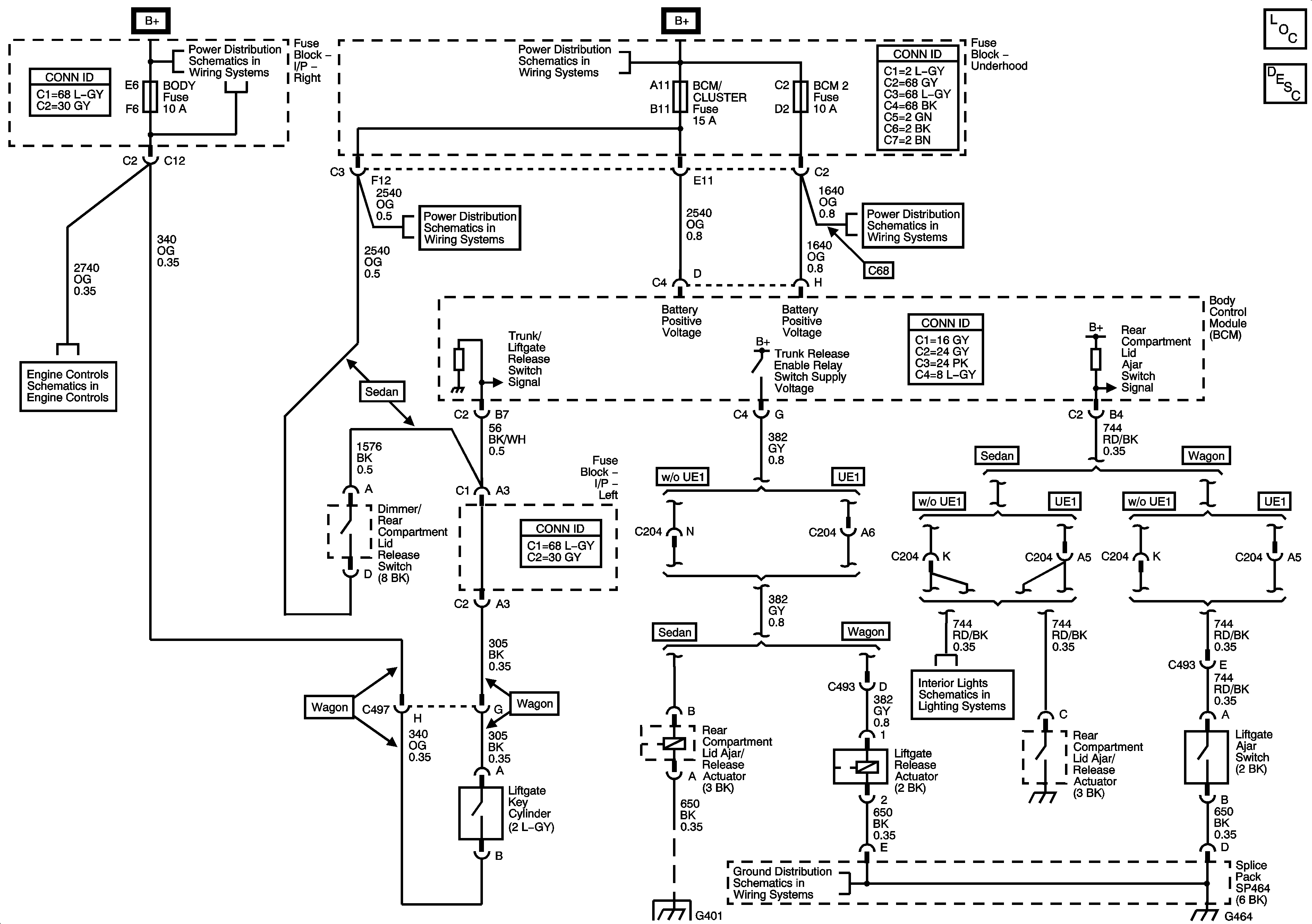
Body Rear End Schematics
Master Electrical Component List
Luggage Compartment Description and Operation
Fuse Block-Underhood Fuses: IP BATT RT FUse Block- Right I/P Fuses: Prev Amp, Door Locks, Body, Fog Lamps
Fuse Block - Underhood Bus
Fuel Controls - EVAP Controls
Fuse Block Underhood Fuses: Rear Defog, BCM Cluster; Fuse Block-Left I/P Fuses: Defog
Fuse Block - Underhood Fuses: WDO/Sunroof, LHHDLP, RHHDLP, BCM2, Lighter, Aux Power
Interior Lights Schematics - Sedan w/o UE1
G464, G401, G463, G403
G305, G401, G399, G400